小度生活
首页
美食营养
手工爱好
生活家居
返回
小度生活
首页
美食营养
游戏数码
手工爱好
生活家居
健康养生
运动户外
职场理财
情感交际
母婴教育
时尚美容
知识问答
生活知识
生活百科
搜索
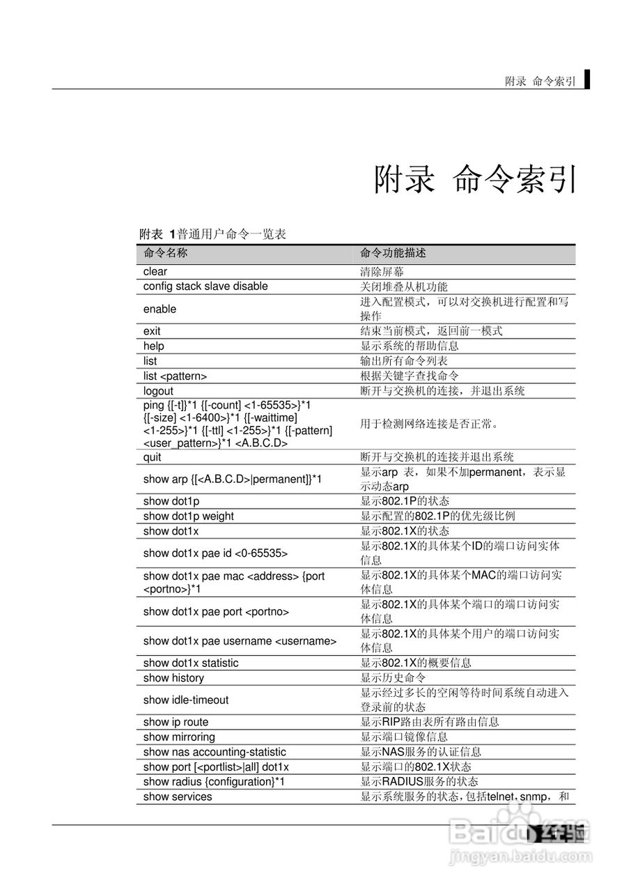
港湾网络交换机Hammer2E型说明书:[20]
2026-04-18 20:21:37
本篇为《港湾网络交换机Hammer2E型说明书》,主要介绍该产品的使用方法以及常见故障解决方案。
(共篇)
上一篇:
|
下一篇:
声明:
本网站引用、摘录或转载内容仅供网站访问者交流或参考,不代表本站立场,如存在版权或非法内容,请联系站长删除,联系邮箱:site.kefu@qq.com。
相关推荐
港湾网络交换机Hammer2E型说明书:[21]
阅读量:130
港湾网络交换机Hammer2E型说明书:[12]
阅读量:54
交换机怎么使用
阅读量:168
交换机配置命令
阅读量:111
交换机的基本配置与管理
阅读量:158
猜你喜欢
什么是第三方支付
维生素ad滴剂胶囊型
每天吃一片维生素c好吗
什么是变形缝
2月13日是什么日子
口腔有异味是什么原因
introduce是什么意思
自由行是什么意思
crowd是什么意思
空中飞人是什么意思
猜你喜欢
吃坚果有什么好处
什么浏览器好
stuff是什么意思
折戟沉沙是什么意思
运动会稿子50字
somebody是什么意思
电风扇什么牌子好
weirdo什么意思
如何腌制糖蒜
维生素a中毒症