小度生活
首页
美食营养
手工爱好
生活家居
返回
小度生活
首页
美食营养
游戏数码
手工爱好
生活家居
健康养生
运动户外
职场理财
情感交际
母婴教育
时尚美容
知识问答
生活知识
搜索
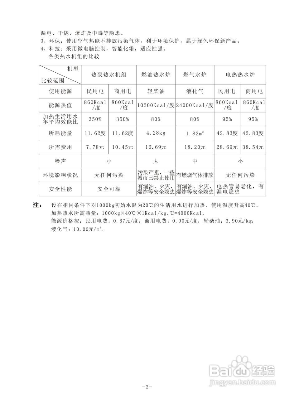
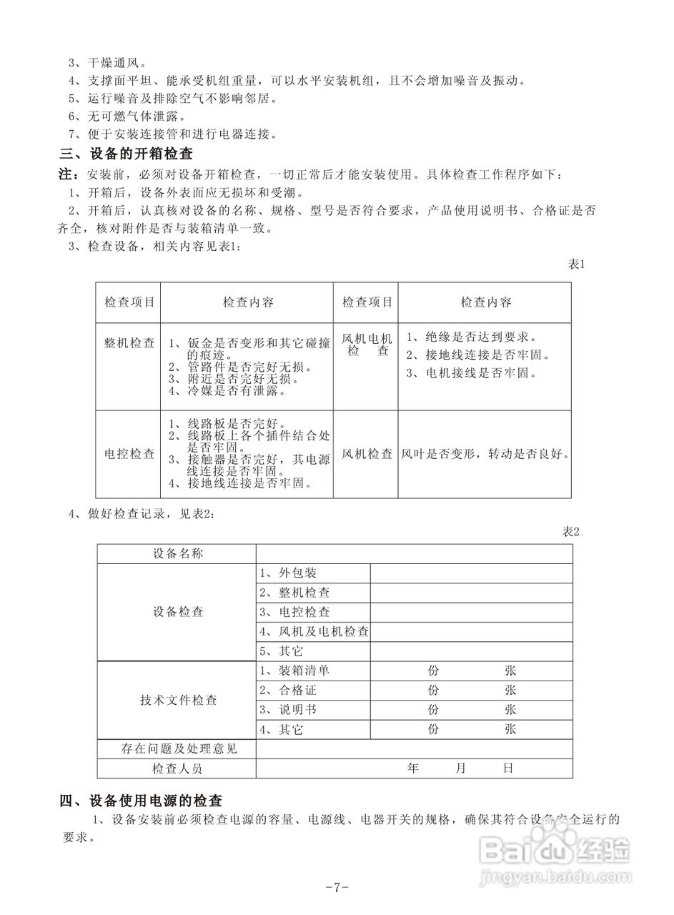
志高KRS-X16.5F6/P空气源热泵热水机安装使用说明书:[1]
2025-12-28 20:14:07
/>
/>
/>
/>
(共篇)
下一篇:
声明:
本网站引用、摘录或转载内容仅供网站访问者交流或参考,不代表本站立场,如存在版权或非法内容,请联系站长删除,联系邮箱:site.kefu@qq.com。
相关推荐
夏普-LCD52LX530A电源板修理方法
阅读量:82
家用吊扇转速过快怎解决
阅读量:22
汽车最大功率指的是什么
阅读量:72
格兰仕空调e5故障
阅读量:181
《英雄无敌3死亡阴影》图文攻略3
阅读量:169
猜你喜欢
400电话如何办理
商品条形码如何申请
幻想生活
7月是什么星座
星际机甲生活
特别的近义词是什么
qq空间如何关闭
广州华南商贸职业学院怎么样
如何提高教育质量
怎么赠送qq会员
猜你喜欢
生活中的经济学现象
dnf如何双开
使用面积怎么算
如何给图片加水印
东鹏洁具怎么样
生活英语单词
如期而至是什么意思
如果时光真的真的能够倒流是什么歌
怎么打开pdf文件
ml是什么意思是