小度生活
首页
美食营养
手工爱好
生活家居
返回
小度生活
首页
美食营养
游戏数码
手工爱好
生活家居
健康养生
运动户外
职场理财
情感交际
母婴教育
时尚美容
知识问答
生活知识
搜索
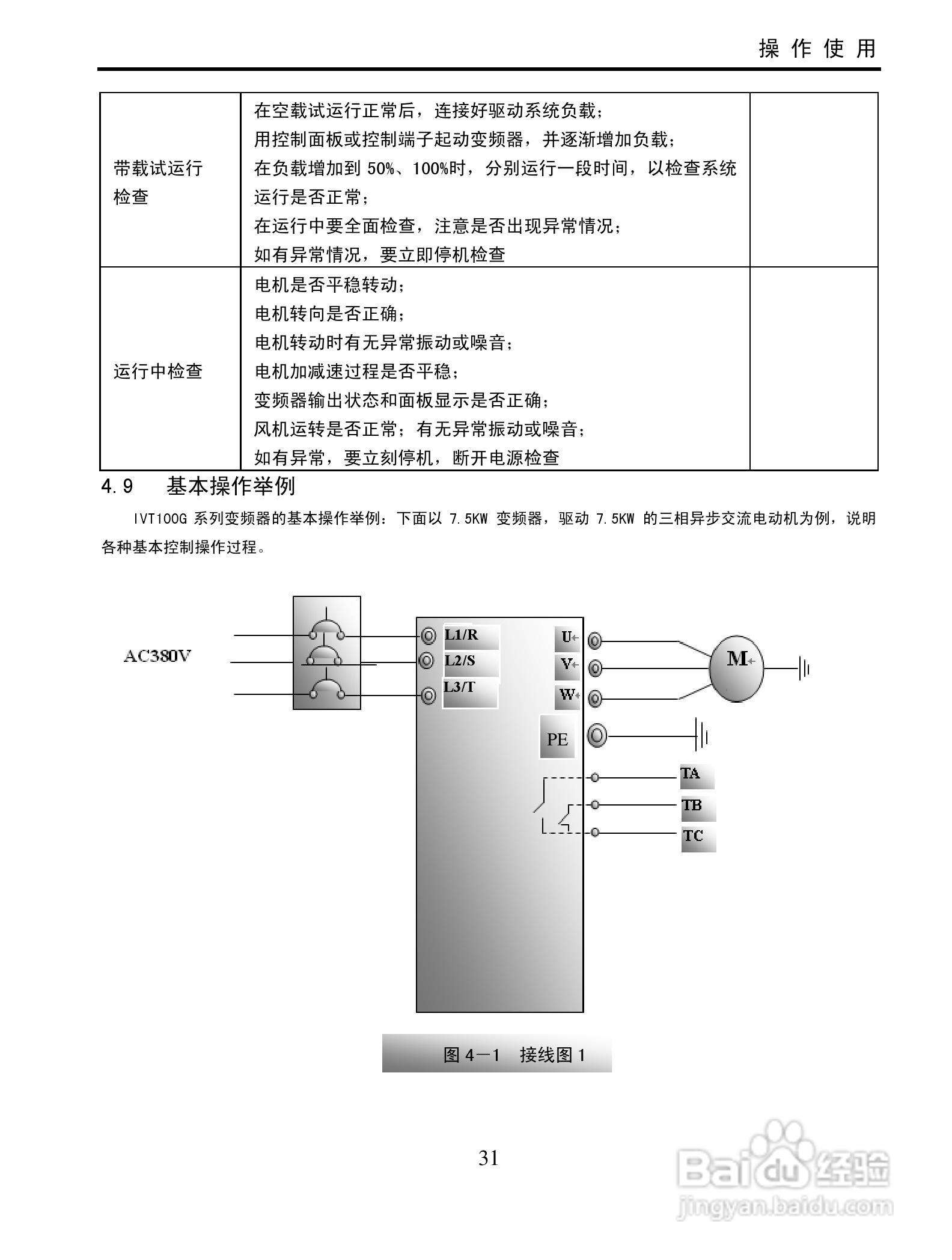
南大傲拓 NA-IVT100G系列通用变频器操作说明书:[4]
2025-10-22 19:22:55
本篇为《南大傲拓 NA-IVT100G系列通用变频器操作说明书》,主要介绍该产品的使用方法以及常见故障解决方案。
(共篇)
上一篇:
|
下一篇:
声明:
本网站引用、摘录或转载内容仅供网站访问者交流或参考,不代表本站立场,如存在版权或非法内容,请联系站长删除,联系邮箱:site.kefu@qq.com。
相关推荐
海浦蒙特HD20-4T5P5G多功能变频器用户手册:[5]
阅读量:95
OB2263,OB2263规格书,OB2263替换型号M5573
阅读量:66
怎样排除钻床保险管频烧一例?
阅读量:100
欧瑞ZS1500-0110T3C变频器使用说明书:[4]
阅读量:193
法律常识:[8]律师使用文书格式
阅读量:157
猜你喜欢
gre是什么意思
天之骄子的意思
during是什么意思
文科什么专业好
虔诚是什么意思
什么是扮猪吃老虎
crane是什么意思
什么耳机性价比高
cvt是什么意思
亲是什么意思
猜你喜欢
愚不可及的意思
最大扭矩是什么意思
过犹不及是什么意思
shock是什么意思
热风枪什么牌子好
sdi是什么意思
隐约的意思
沉吟的意思
celebrate是什么意思
中外合作办学是什么意思