小度生活
首页
美食营养
手工爱好
生活家居
返回
小度生活
首页
美食营养
游戏数码
手工爱好
生活家居
健康养生
运动户外
职场理财
情感交际
母婴教育
时尚美容
知识问答
生活知识
生活百科
搜索
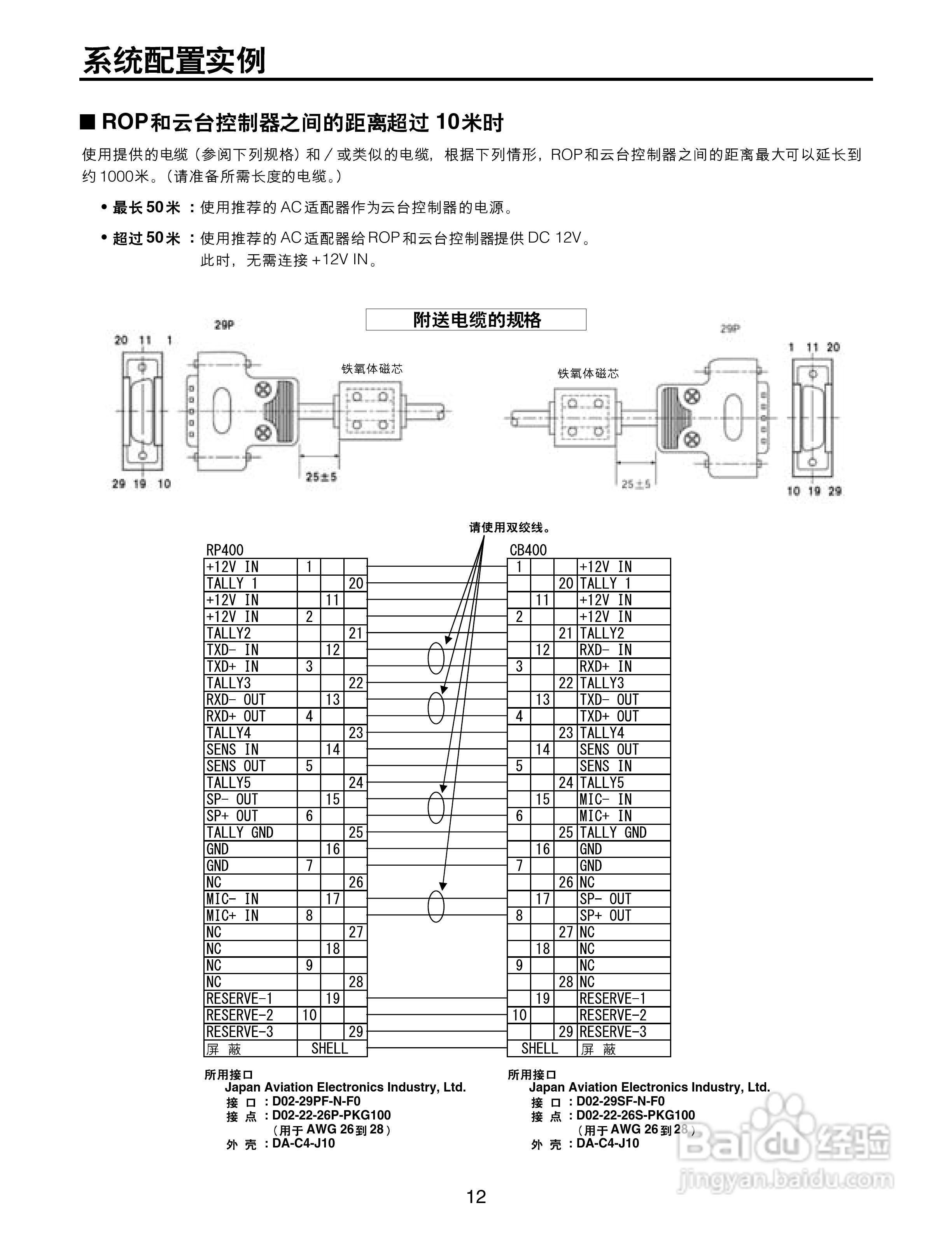
松下AW-CB400L摄像机控制器操作手册:[2]
2026-04-03 00:03:11
本篇为《松下AW-CB400L摄像机控制器操作手册》,主要介绍该产品的使用方法以及常见故障解决方案。
(共篇)
上一篇:
|
下一篇:
声明:
本网站引用、摘录或转载内容仅供网站访问者交流或参考,不代表本站立场,如存在版权或非法内容,请联系站长删除,联系邮箱:site.kefu@qq.com。
相关推荐
松下AW-CB400L摄像机控制器操作手册:[1]
阅读量:190
松下AW-E750数码摄像机说明书:[2]
阅读量:28
松下AW-E350数码摄像机说明书:[2]
阅读量:95
松下AW-PH360L室内旋转云台操作手册:[2]
阅读量:176
松下AW-PH360L室内旋转云台操作手册:[4]
阅读量:57
猜你喜欢
心有余悸是什么意思
衣衫褴褛是什么意思
软件开发都学什么
紫蓬山有什么好玩的
甩干机什么牌子好
人为了什么而活着
母亲节的祝福语
风雨同舟是什么意思
吴下阿蒙的意思
有什么好看的动画片吗
猜你喜欢
惊鸿一瞥的意思
足浴盆什么牌子质量好
1.6l什么意思
什么游戏盒子最好用
冉冉升起的意思
后知后觉的意思
梦见孕妇什么意思
rmvb用什么播放器
会当凌绝顶 一览众山小的意思
溪流竿什么牌子好