小度生活
首页
美食营养
手工爱好
生活家居
返回
小度生活
首页
美食营养
游戏数码
手工爱好
生活家居
健康养生
运动户外
职场理财
情感交际
母婴教育
时尚美容
知识问答
生活知识
搜索
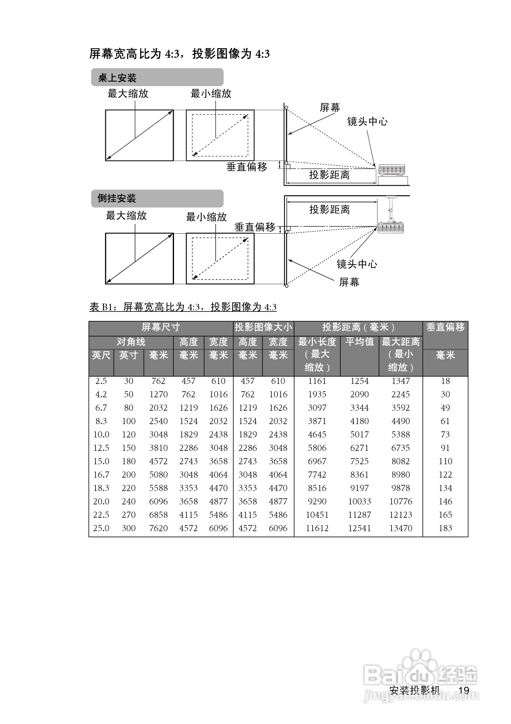
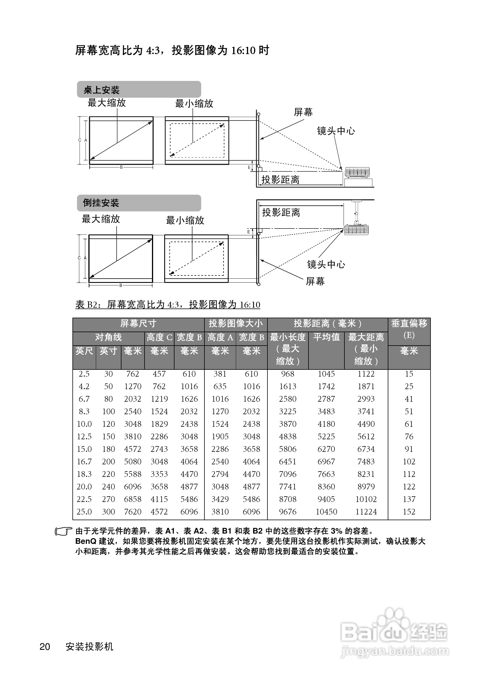
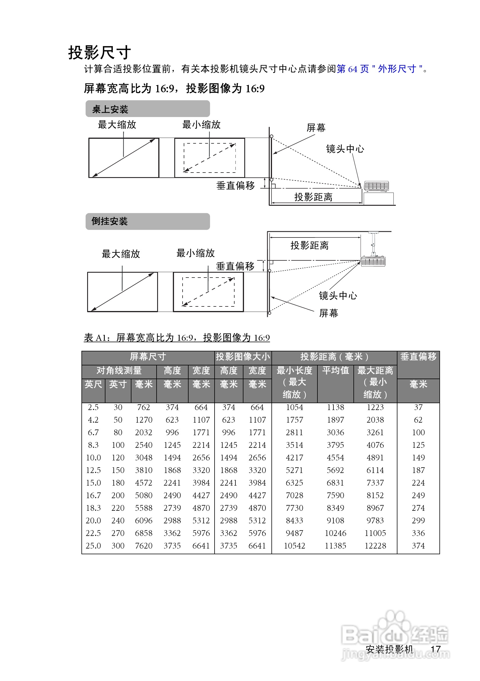
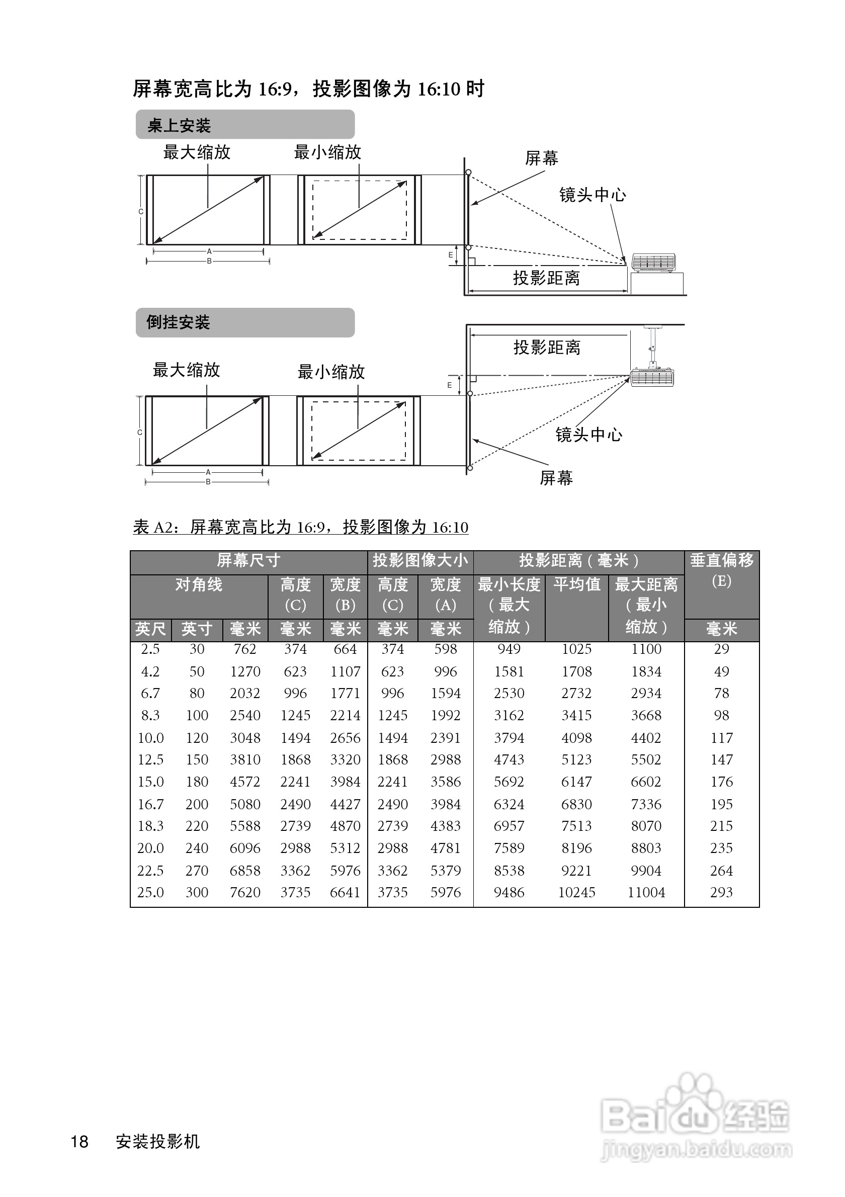
明基MP730投影机使用说明书:[2]
2025-10-13 15:56:41
本篇为《明基MP730投影机使用说明书》,主要介绍该产品的使用方法以及常见故障解决方案。
(共篇)
上一篇:
|
下一篇:
声明:
本网站引用、摘录或转载内容仅供网站访问者交流或参考,不代表本站立场,如存在版权或非法内容,请联系站长删除,联系邮箱:site.kefu@qq.com。
相关推荐
明基MP775投影机使用说明书:[2]
阅读量:127
明基MP771投影机使用说明书:[2]
阅读量:147
明基MP771投影机使用说明书:[7]
阅读量:77
明基MP775投影机使用说明书:[4]
阅读量:52
明基MP771投影机使用说明书:[4]
阅读量:83
猜你喜欢
兼职是什么意思
mix是什么意思
天乙贵人是什么意思
我的世界墨囊有什么用
什么叫二级学院
醋泡大蒜作用与功效
凯旋的意思
香樟树的作用
海运提单的作用
什么是全面质量管理
猜你喜欢
泡脚放什么好
高考提前批是什么意思
什么浏览器比较好用
always online什么意思
养金鱼用什么水
什么样的发型好看
栖息的意思
秋夜将晓出篱门迎凉有感古诗意思
氧化锌的作用
大学录取通知书什么时候发