小度生活
首页
美食营养
手工爱好
生活家居
返回
小度生活
首页
美食营养
游戏数码
手工爱好
生活家居
健康养生
运动户外
职场理财
情感交际
母婴教育
时尚美容
知识问答
生活知识
搜索
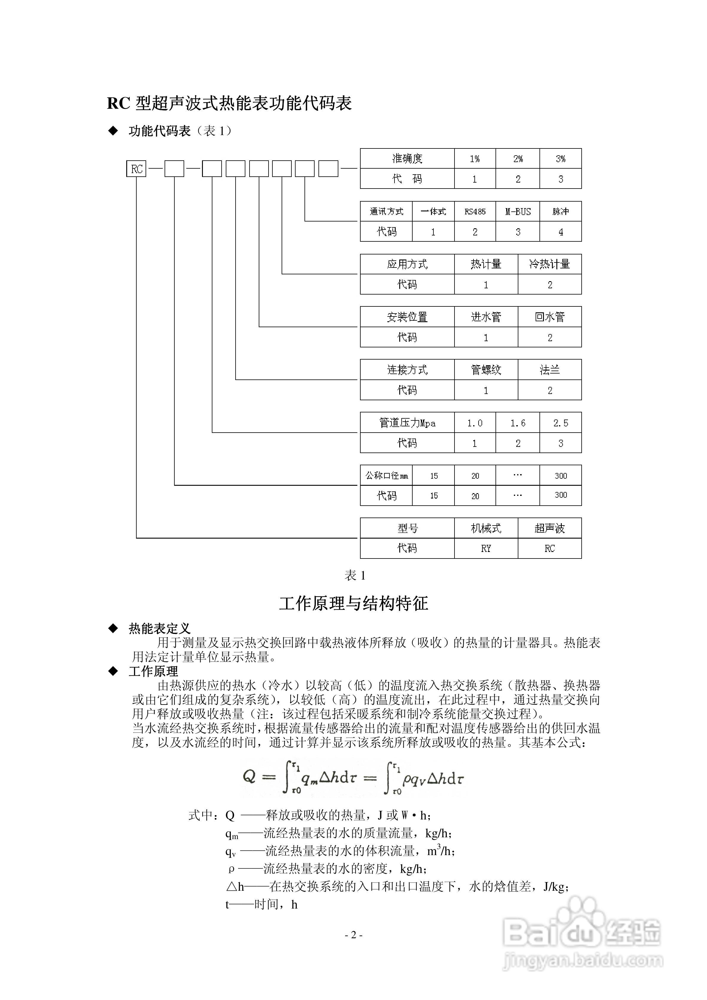
DN500超声波式热能表安装使用说明书
2025-12-20 09:16:29
声明:
本网站引用、摘录或转载内容仅供网站访问者交流或参考,不代表本站立场,如存在版权或非法内容,请联系站长删除,联系邮箱:site.kefu@qq.com。
相关推荐
TRX型超声波热量表使用说明书
阅读量:76
超声波流量计使用方法
阅读量:28
超声波检测仪的正确使用方法
阅读量:99
超声波清洗机的使用教程
阅读量:46
超声波洗碗机的安装及使用方法
阅读量:51
猜你喜欢
怀孕什么时候做b超
sunny是什么意思
什么叫税率
养尊处优的意思
芊芊学子是什么意思
什么运动减肥效果最好
dt是什么意思
完美收官是什么意思
牛膝的作用与功效
麝香的作用
猜你喜欢
啼笑皆非什么意思
买电脑应该注意什么
会计属于什么类
钢化膜什么牌子好
ios是什么意思
发动机保护剂的作用
眼花缭乱的意思
秀气的意思
什么人最不怕冷
角质层薄用什么护肤品