小度生活
首页
美食营养
手工爱好
生活家居
返回
小度生活
首页
美食营养
游戏数码
手工爱好
生活家居
健康养生
运动户外
职场理财
情感交际
母婴教育
时尚美容
知识问答
生活知识
搜索
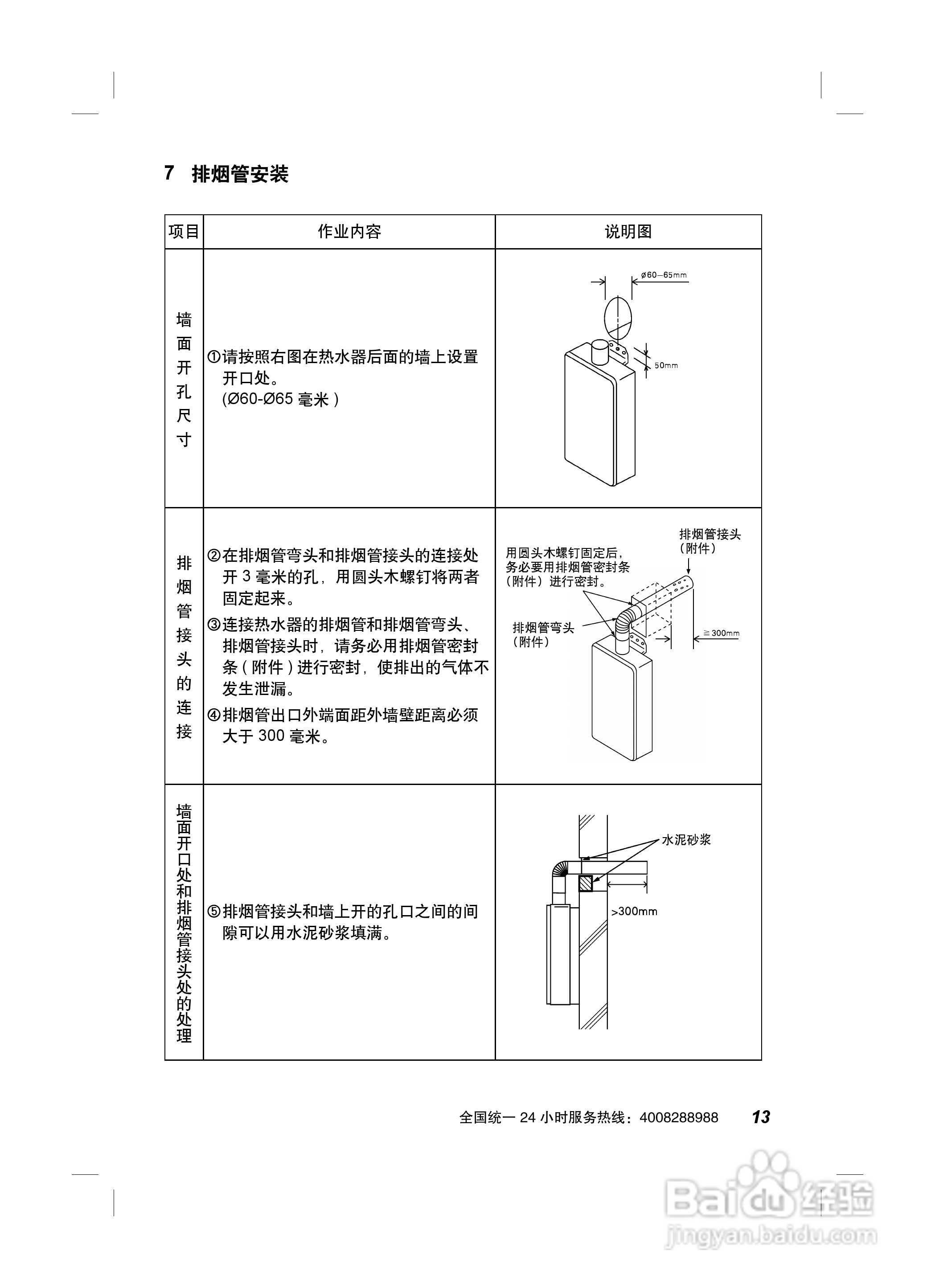
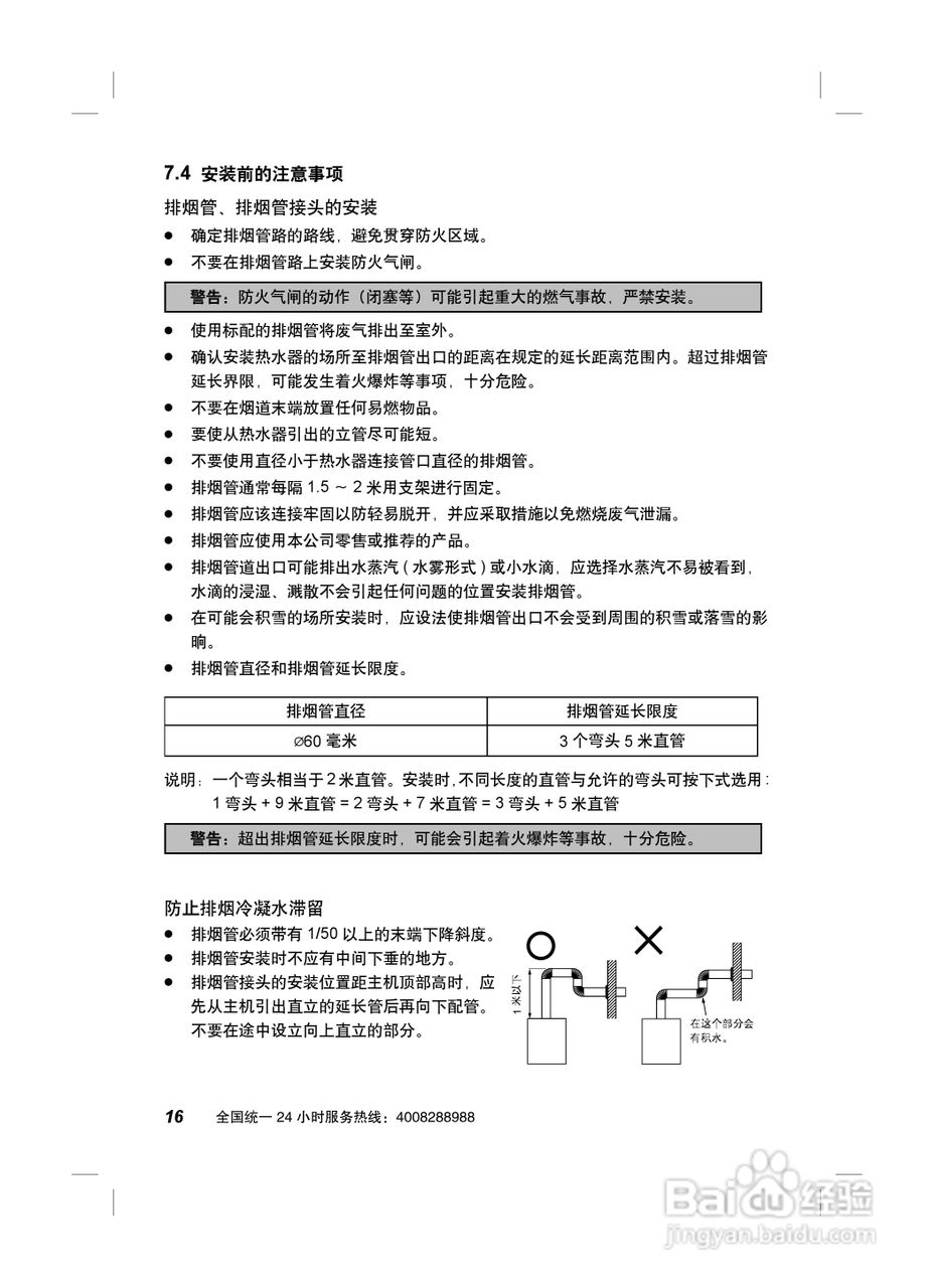
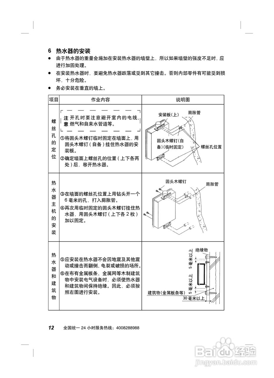
AO史密斯JSQ 26-E26-EX热水器安装使用说明书:[2]
2026-01-13 21:23:10
(共篇)
上一篇:
|
下一篇:
声明:
本网站引用、摘录或转载内容仅供网站访问者交流或参考,不代表本站立场,如存在版权或非法内容,请联系站长删除,联系邮箱:site.kefu@qq.com。
相关推荐
飞利浦搅拌机HR1704型说明书:[3]
阅读量:87
适合宫本武藏的装备(上单)
阅读量:76
7大预防癌症的方法
阅读量:110
婴儿衣服选择
阅读量:172
吹膜增白剂的添加工艺与效果
阅读量:103
猜你喜欢
淘宝店怎么上传宝贝
如何查询手机流量
我想要的生活
未来生活网
如果生活不够慷慨
生活中的数学问题
母亲节什么时候
如何搭讪
如何保持身体健康
家长如何与老师沟通
猜你喜欢
三级生活片
乳房胀痛是什么原因
电解质是什么
qq如何克隆好友
烂尾楼业主怎么办
肖战277事件是什么
铁罗汉是什么茶
宫颈肥大是怎么治疗
页脚横线怎么添加
如何让电脑变快