小度生活
首页
美食营养
手工爱好
生活家居
返回
小度生活
首页
美食营养
游戏数码
手工爱好
生活家居
健康养生
运动户外
职场理财
情感交际
母婴教育
时尚美容
知识问答
生活知识
搜索
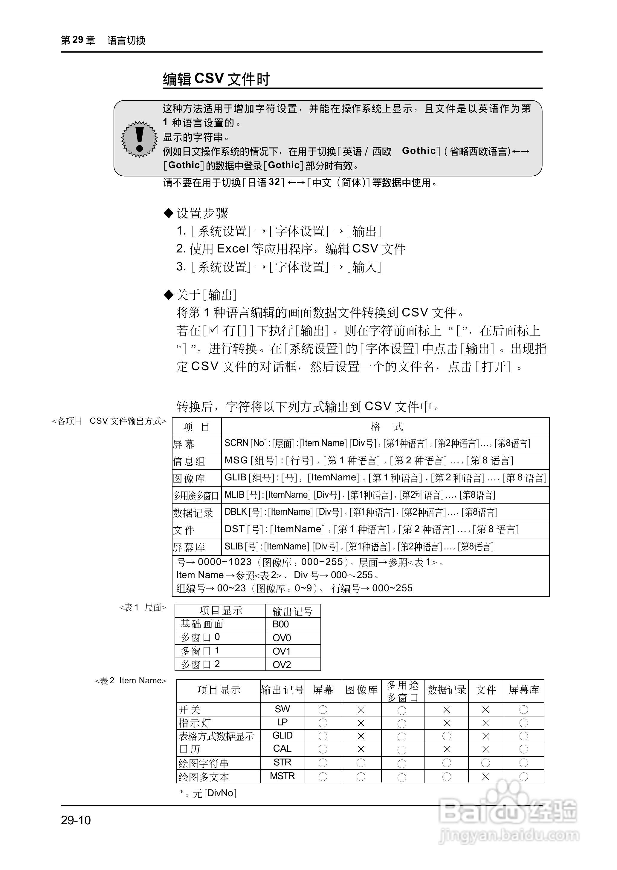
松下UG420H-E变频器使用说明书:[67]
2026-02-11 04:39:25
本篇为《松下UG420H-E变频器使用说明书》,主要介绍该产品的使用方法以及常见故障解决方案。
(共篇)
上一篇:
|
下一篇:
声明:
本网站引用、摘录或转载内容仅供网站访问者交流或参考,不代表本站立场,如存在版权或非法内容,请联系站长删除,联系邮箱:site.kefu@qq.com。
相关推荐
松下UG420H-E变频器使用说明书:[65]
阅读量:80
松下UG420H-E变频器使用说明书:[46]
阅读量:127
松下UG420H-E变频器使用说明书:[31]
阅读量:54
变频器调试接线教程
阅读量:179
松下UG420H-E变频器使用说明书:[25]
阅读量:124
猜你喜欢
董卿怎么了
次方怎么打
银行余额调节表怎么做
鲤鱼怎么做
宝宝发烧39度怎么办
鹿茸片怎么吃
个人信用贷款怎么贷
怎么格式化电脑
脚臭怎么办快速去脚臭
脚臭怎么办快速去脚臭
猜你喜欢
手机我的世界怎么联机
兴趣特长怎么写
甲醛中毒怎么办
东北林业大学怎么样
怎么化妆
蘑菇怎么种植
球球大作战怎么玩
昂科威怎么样
怎么盘丸子头
卤菜怎么做