小度生活
首页
美食营养
手工爱好
生活家居
返回
小度生活
首页
美食营养
游戏数码
手工爱好
生活家居
健康养生
运动户外
职场理财
情感交际
母婴教育
时尚美容
知识问答
生活知识
生活百科
搜索
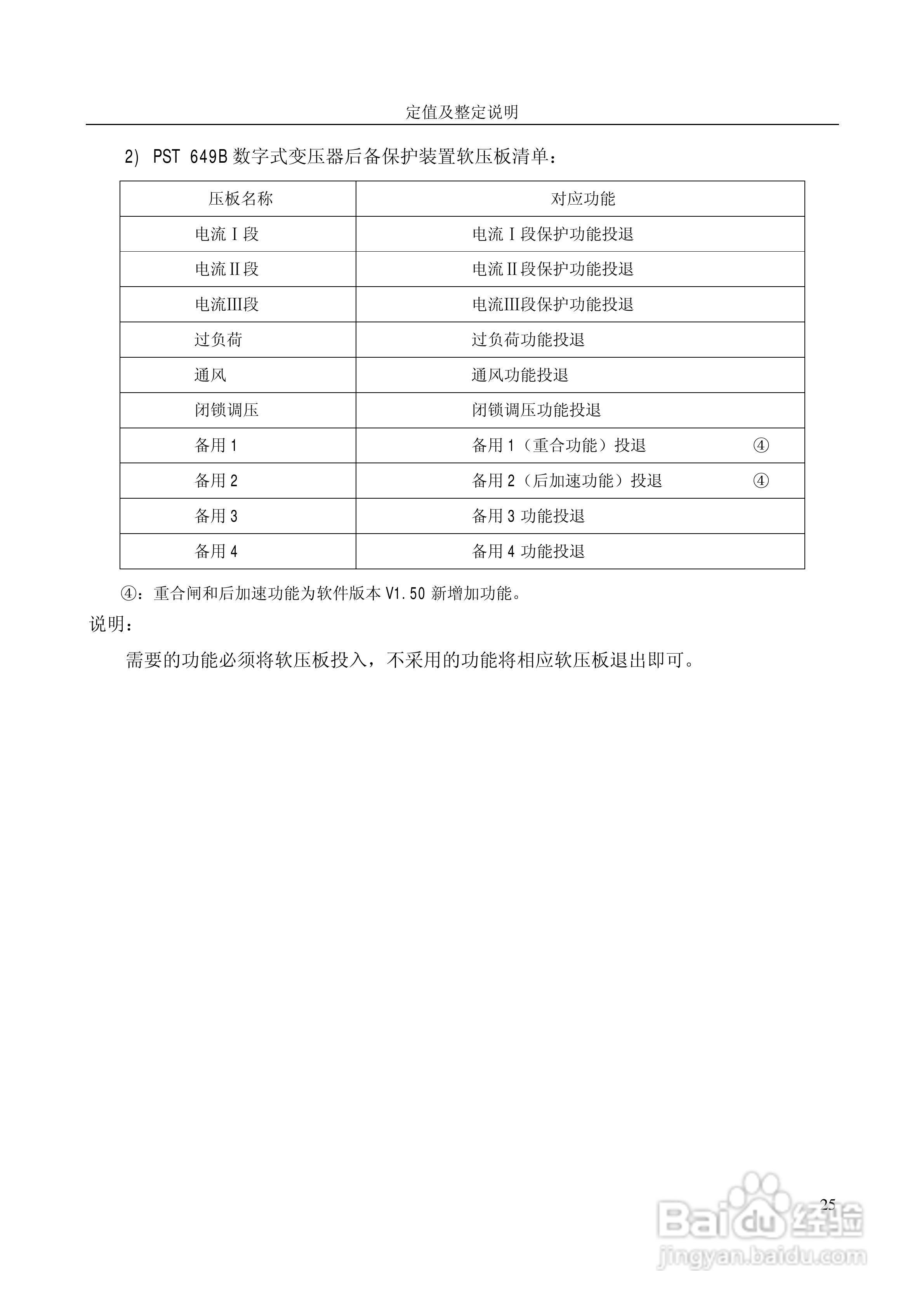
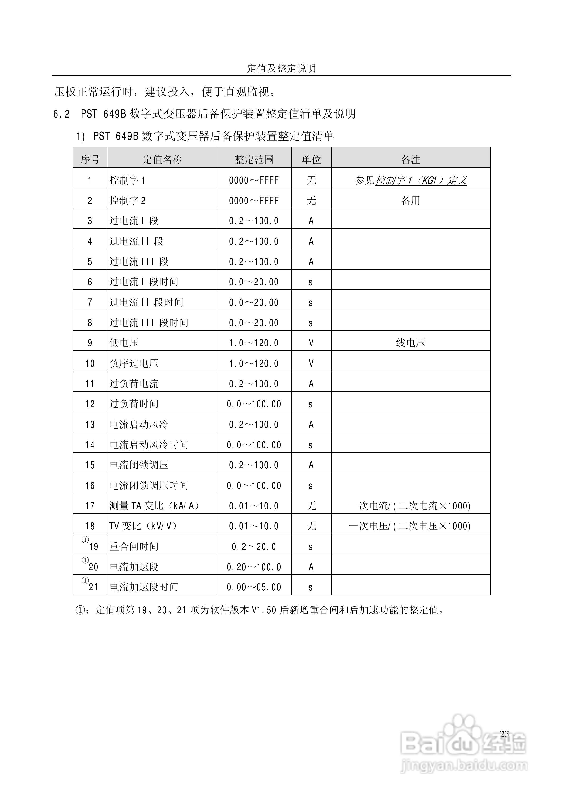
PST649A数字式变压器保护装置使用说明书:[3]
2026-03-27 09:53:04
本篇为《PST649A数字式变压器保护装置使用说明书》,主要介绍该产品的使用方法以及常见故障解决方案。
(共篇)
上一篇:
声明:
本网站引用、摘录或转载内容仅供网站访问者交流或参考,不代表本站立场,如存在版权或非法内容,请联系站长删除,联系邮箱:site.kefu@qq.com。
相关推荐
使用说明书封面怎么做
阅读量:164
PST-1210C数字式变压器保护装置说明书:[8]
阅读量:108
PST-1210C数字式变压器保护装置说明书:[9]
阅读量:136
PST-1210C数字式变压器保护装置说明书:[10]
阅读量:84
PST-1210C数字式变压器保护装置说明书:[11]
阅读量:150
猜你喜欢
秋葵是什么
20万以内买什么车好
男士spa是什么意思
维生素d是什么
龋齿是什么
汽车封釉是什么意思
子母被是什么意思
碧螺春是什么茶
enough是什么意思
勇气是什么
猜你喜欢
事业单位考试考什么
克山病是什么病
fight什么意思
初级会计考什么
sin什么意思
旗舰是什么意思
mj是什么单位
怀孕试纸什么时候用
net是什么
near是什么意思