小度生活
首页
美食营养
手工爱好
生活家居
返回
小度生活
首页
美食营养
游戏数码
手工爱好
生活家居
健康养生
运动户外
职场理财
情感交际
母婴教育
时尚美容
知识问答
生活知识
搜索
FKT45M系列控制器使用说明书1.1:[2]
2025-12-31 12:54:04
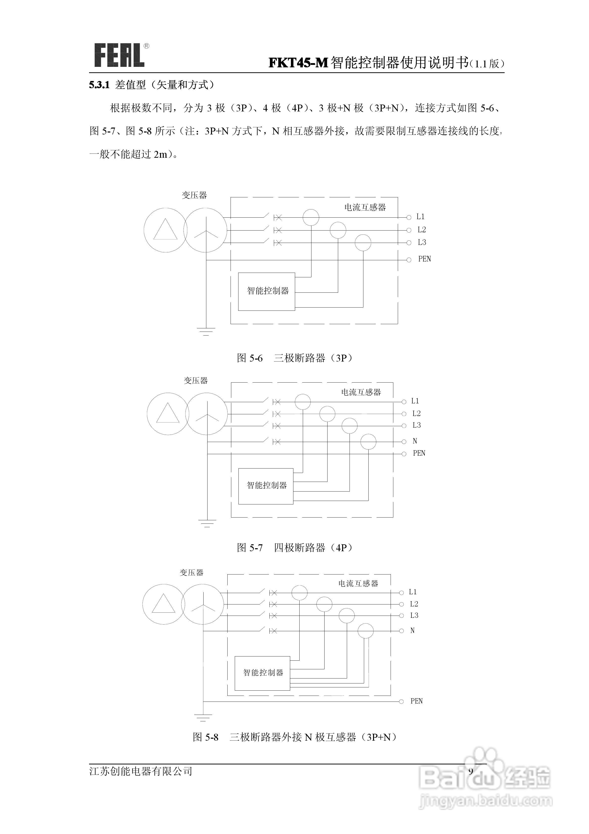
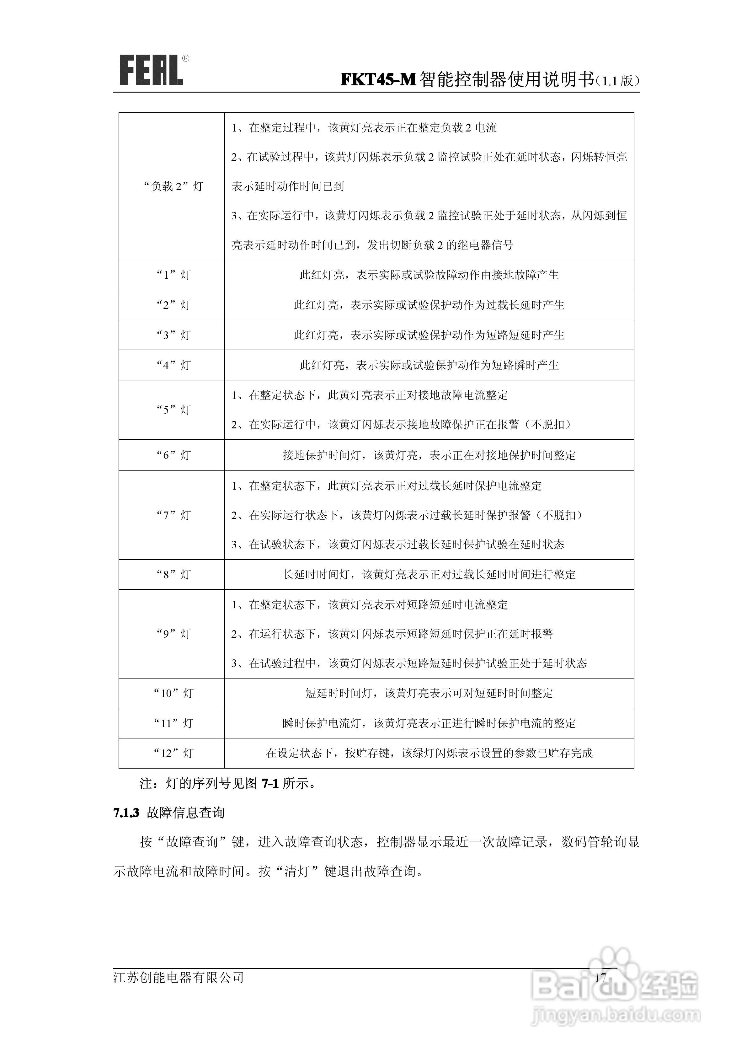
本篇为《FKT45M系列控制器使用说明书1.1》,主要介绍该产品的使用方法以及常见故障解决方案。
(共篇)
上一篇:
|
下一篇:
声明:
本网站引用、摘录或转载内容仅供网站访问者交流或参考,不代表本站立场,如存在版权或非法内容,请联系站长删除,联系邮箱:site.kefu@qq.com。
相关推荐
美国利佰特的污水提升泵是怎样排污的
阅读量:162
美味茄条做法教程
阅读量:107
锅炉常用钢板材料中A299钢的性能特点?
阅读量:104
花馒头的做法大全
阅读量:179
真假水货的电池鉴别
阅读量:95
猜你喜欢
评语怎么写
嗓子痒怎么办
淘宝会员名怎么修改
怎么鉴别和田玉
怎么把几张照片拼在一起
熏肉怎么做
隐形纱窗怎么清洗
喝水喝多了会怎么样
怎么快速祛痘
发财树叶子发黄怎么办
猜你喜欢
鼻窦炎怎么治疗最好
生理期肚子疼怎么办
金毛幼犬怎么喂养
刘邦怎么死的
声调怎么打
肩膀酸痛怎么办
锅底的黑垢怎么去除
婴儿拉绿屎怎么办
设置开机密码怎么设置
脸上长痤疮怎么办