小度生活
首页
美食营养
手工爱好
生活家居
返回
小度生活
首页
美食营养
游戏数码
手工爱好
生活家居
健康养生
运动户外
职场理财
情感交际
母婴教育
时尚美容
知识问答
生活知识
生活百科
搜索
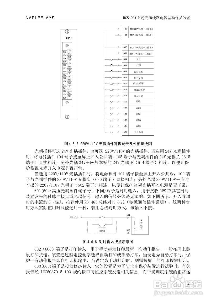
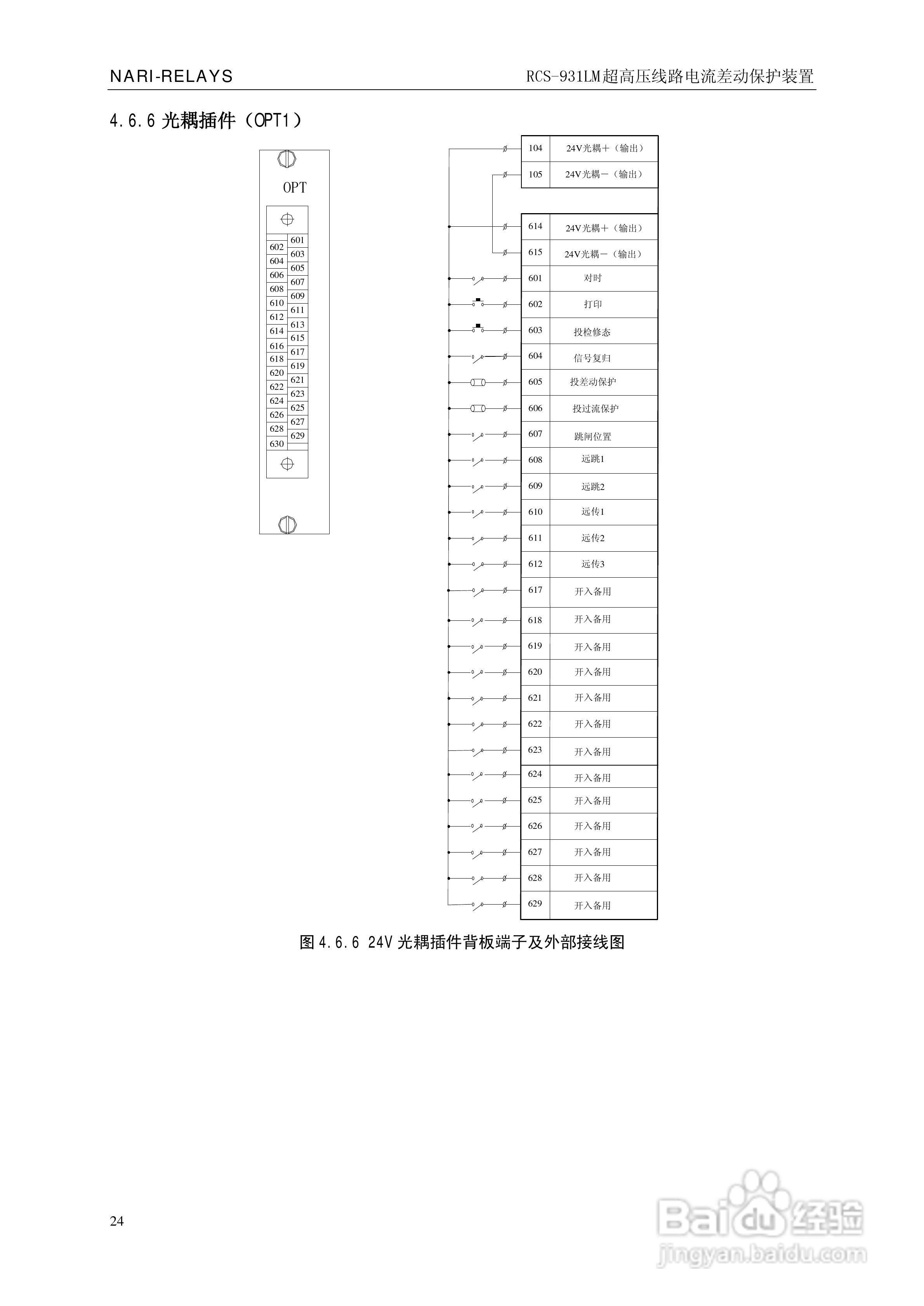
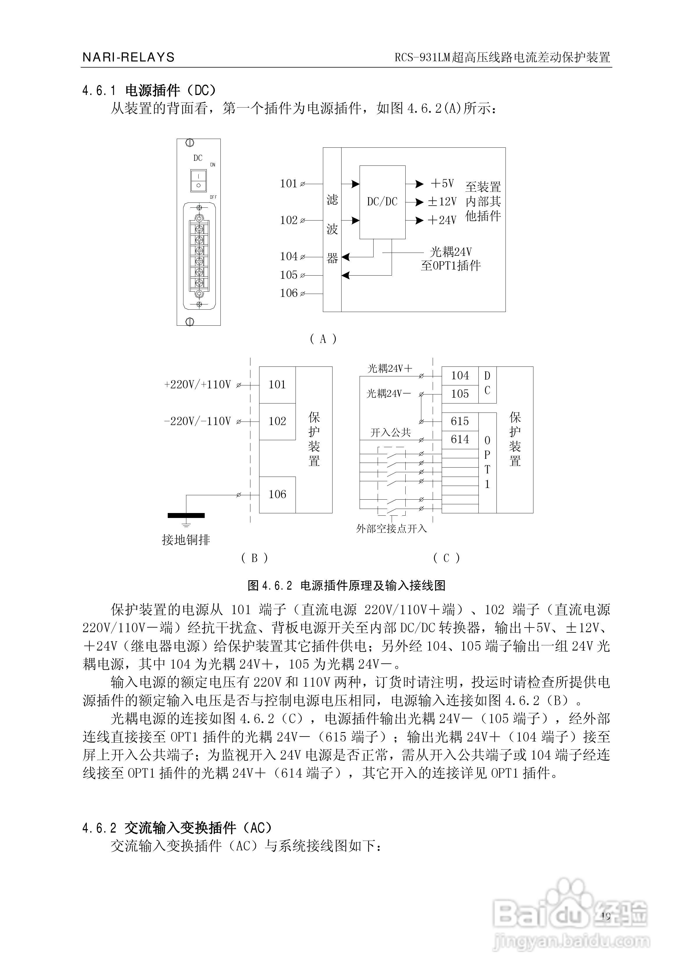
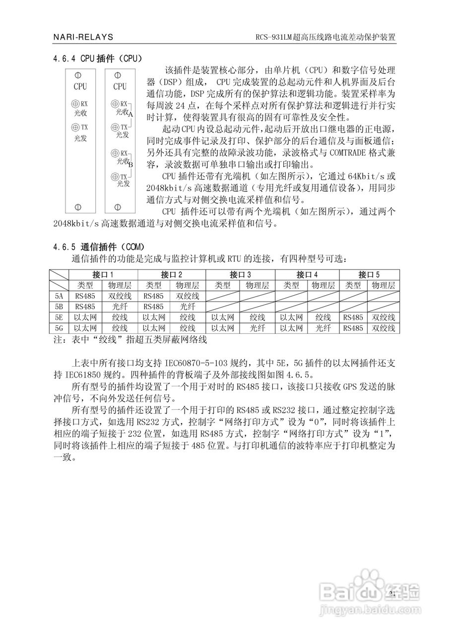
南瑞RCS-931LM超高压线路电流差动保护装置使用说明书:[3]
2026-03-28 18:15:05
本篇为《南瑞RCS-931LM超高压线路电流差动保护装置使用说明书》,主要介绍该产品的使用方法以及常见故障解决方案。
(共篇)
上一篇:
|
下一篇:
声明:
本网站引用、摘录或转载内容仅供网站访问者交流或参考,不代表本站立场,如存在版权或非法内容,请联系站长删除,联系邮箱:site.kefu@qq.com。
相关推荐
如何应对孩子偏科
阅读量:97
如何选壁挂垃圾桶,真不错
阅读量:24
制作高效移门使用移门
阅读量:126
凡人修真2新版五行神殿攻略
阅读量:21
凉拌蛋豆腐的做法
阅读量:137
猜你喜欢
女生学什么专业就业前景好
重阳节是什么节日
lan是什么
什么时候喝蜂蜜水最好
西安有什么好玩的
什么叫基金
什么东西不能吃
大跃进和人民公社化运动
蚯蚓养殖的市场前景
fax是什么意思
猜你喜欢
沧海桑田什么意思
吃坚果有什么好处
黄油是什么味道
不知道自己想要什么
hg是什么
水床是什么
struggle是什么意思
二恶英是什么
云服务是什么
高维生素的食物有哪些