小度生活
首页
美食营养
手工爱好
生活家居
返回
小度生活
首页
美食营养
游戏数码
手工爱好
生活家居
健康养生
运动户外
职场理财
情感交际
母婴教育
时尚美容
知识问答
生活知识
生活百科
搜索
XSJ-39AK型XSJ-39AIK型流量数字积算仪使用说明书:[2]
2026-03-29 05:50:00
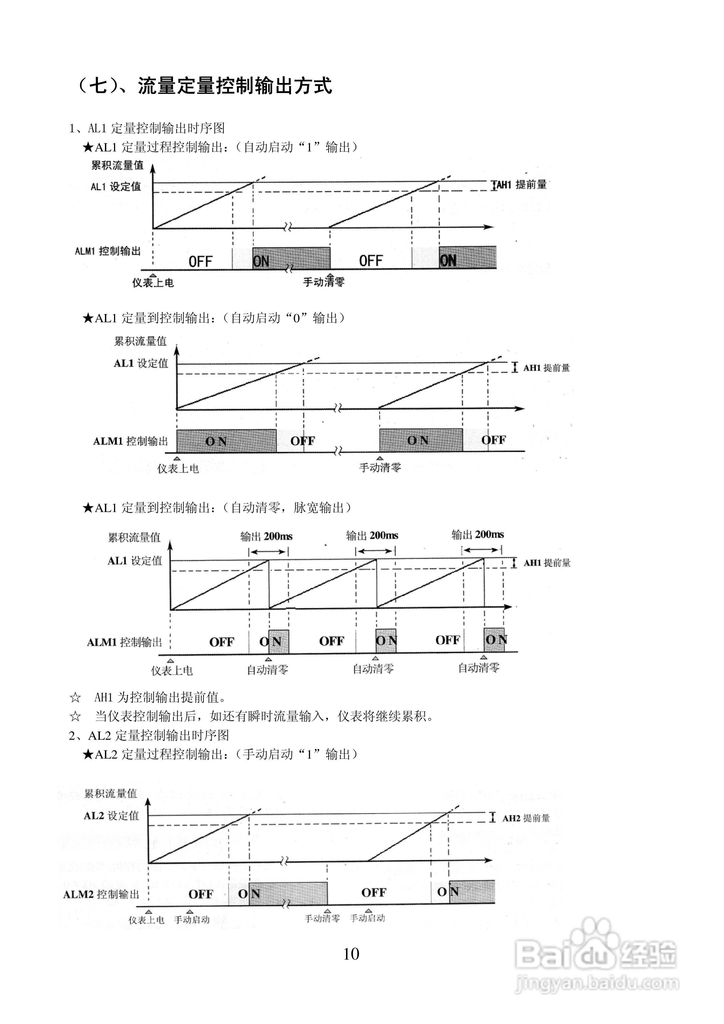
本篇为《XSJ-39AK型XSJ-39AIK型流量数字积算仪使用说明书》,主要介绍该产品的使用方法以及常见故障解决方案。
(共篇)
上一篇:
|
下一篇:
声明:
本网站引用、摘录或转载内容仅供网站访问者交流或参考,不代表本站立场,如存在版权或非法内容,请联系站长删除,联系邮箱:site.kefu@qq.com。
相关推荐
XSJ-39AK型XSJ-39AIK型流量数字积算仪使用说明书:[3]
阅读量:91
迅鹏SPB-XSJ流量积算仪说明书:[2]
阅读量:57
迅鹏SPB-XSJ流量积算仪说明书:[4]
阅读量:76
迅鹏SPB-XSJ流量积算仪说明书:[3]
阅读量:64
迅鹏SPB-XSJ流量积算仪说明书:[5]
阅读量:61
猜你喜欢
葭怎么读
驾照记分周期怎么算
纸鹤怎么叠
哈尔滨工程大学怎么样
手机开不开机怎么办
全身酸痛是怎么回事
元宵怎么做
薇姿的护肤品怎么样
怎么提高精子质量
世纪佳缘怎么样
猜你喜欢
腺样体肥大怎么治疗
怎么让头发变软
同时用英语怎么说
葫芦丝怎么吹
淘宝花呗怎么还款
实践报告怎么写
怎么录视频
lol手游怎么加好友
dnf徽章怎么镶嵌
头皮痛是怎么回事