小度生活
首页
美食营养
手工爱好
生活家居
返回
小度生活
首页
美食营养
游戏数码
手工爱好
生活家居
健康养生
运动户外
职场理财
情感交际
母婴教育
时尚美容
知识问答
生活知识
生活百科
搜索
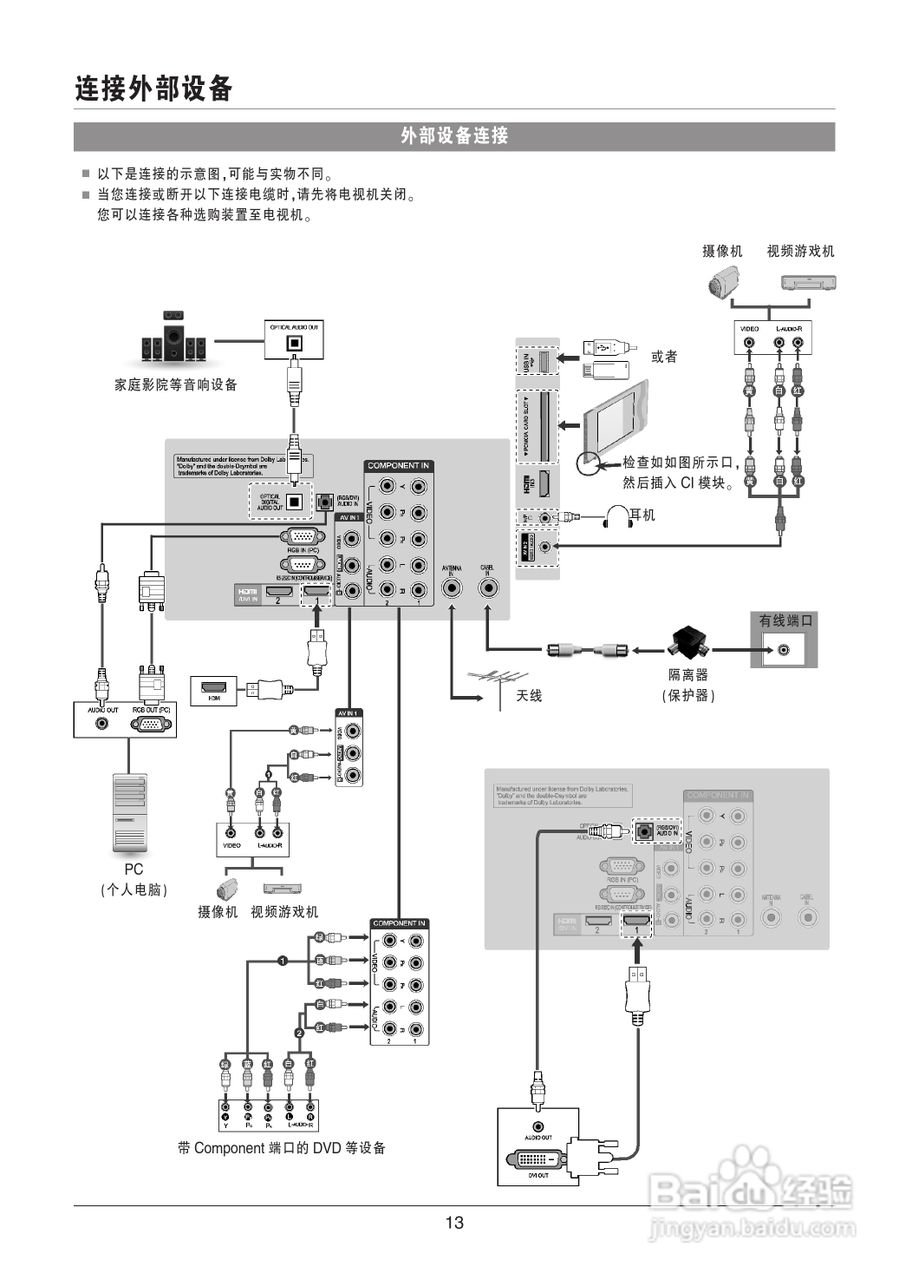
LG 55LW4500-CA液晶彩电使用说明书:[2]
2026-03-28 13:43:42
(共篇)
上一篇:
|
下一篇:
声明:
本网站引用、摘录或转载内容仅供网站访问者交流或参考,不代表本站立场,如存在版权或非法内容,请联系站长删除,联系邮箱:site.kefu@qq.com。
相关推荐
LG 42LW4500-CA液晶彩电使用说明书:[2]
阅读量:176
LG 55LW6500-CA液晶彩电使用说明书:[2]
阅读量:72
LG 47LW4500-CA液晶彩电使用说明书:[4]
阅读量:113
使用说明书封面怎么做
阅读量:66
使用说明书wf2651使用指南
阅读量:52
猜你喜欢
静默的意思
早上吃姜有什么好处
慢热是什么意思
给老人买什么礼物
老婆生日礼物送什么好
崇高的意思
内向是什么意思
微波炉什么牌子最好
between是什么意思
小饭桌需要什么手续
猜你喜欢
转移支付是什么意思
牛郎星是属于什么星座
珠联璧合的意思
菜市场卖什么最赚钱
430分能上什么大学
慷慨激昂的意思
孕酮是什么意思
惊叹不已的意思
义无反顾的意思
指甲剪什么牌子好