小度生活
首页
美食营养
手工爱好
生活家居
返回
小度生活
首页
美食营养
游戏数码
手工爱好
生活家居
健康养生
运动户外
职场理财
情感交际
母婴教育
时尚美容
知识问答
生活知识
搜索
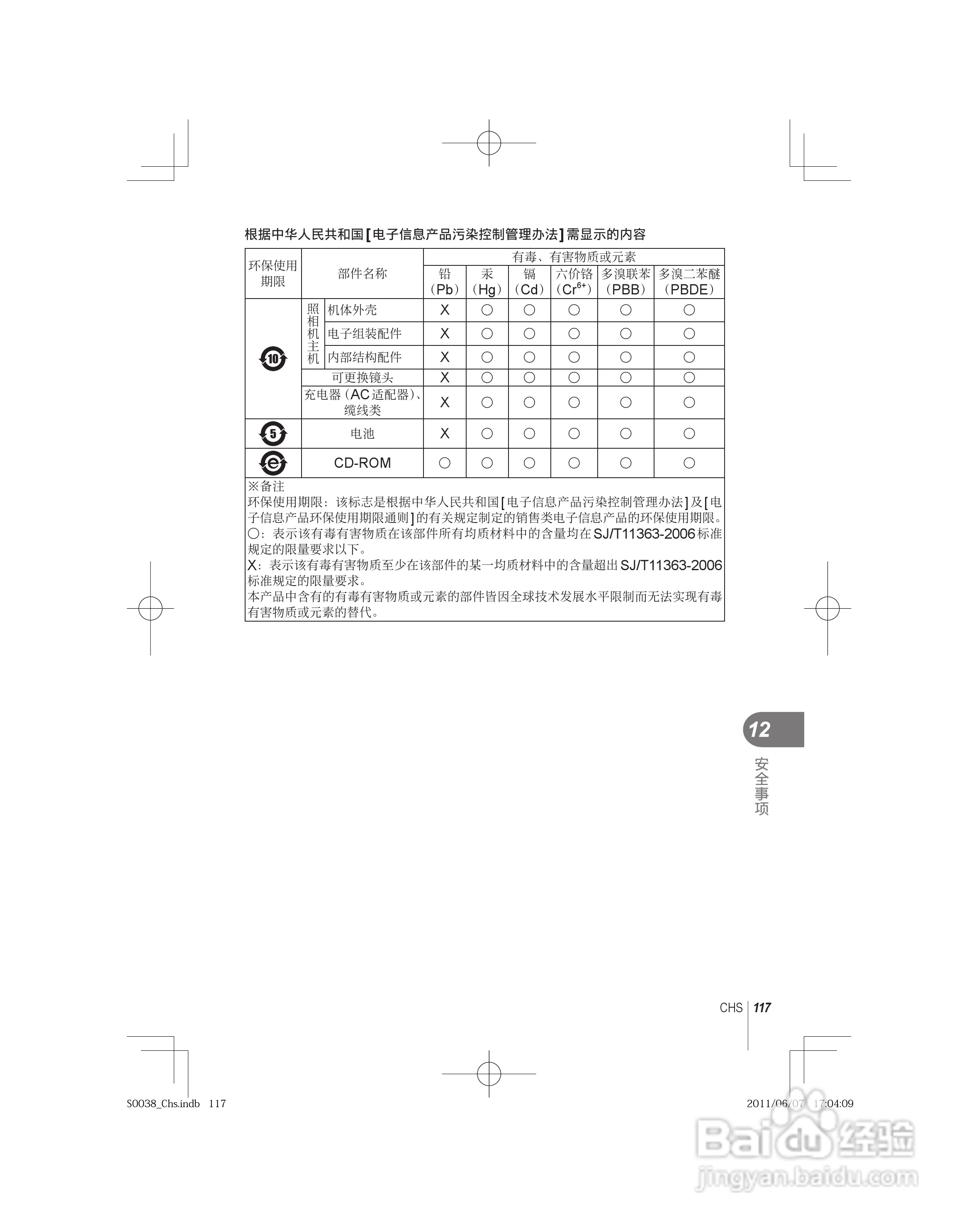
奥林巴斯E-PL3数码照相机使用说明书:[12]
2026-02-28 22:58:58
本篇为《奥林巴斯E-PL3数码照相机使用说明书》,主要介绍该产品的使用方法以及常见故障解决方案。
(共篇)
上一篇:
|
下一篇:
声明:
本网站引用、摘录或转载内容仅供网站访问者交流或参考,不代表本站立场,如存在版权或非法内容,请联系站长删除,联系邮箱:site.kefu@qq.com。
相关推荐
奥林巴斯E-PL3数码照相机使用说明书:[11]
阅读量:129
奥林巴斯E-PL3数码照相机使用说明书:[8]
阅读量:32
奥林巴斯E-P3数码照相机使用说明书:[8]
阅读量:92
奥林巴斯E-P3数码照相机使用说明书:[10]
阅读量:182
使用说明书封面怎么做
阅读量:77
猜你喜欢
宾果是什么意思
滞留票是什么意思
摸男生喉结意味着什么
中流砥柱意思
什么样的显卡好
人寿年丰的意思
扭转乾坤的意思
clothes的意思
人力资源考什么证
什么动画电影好看
猜你喜欢
什么是人生观价值观
家用除湿机什么牌子好
立冬和冬至什么区别
人为了什么而活着
处qy是什么意思
美味佳肴的意思
什么网页游戏好玩啊
门第的意思
娈童是什么意思
难能可贵的意思