小度生活
首页
美食营养
手工爱好
生活家居
返回
小度生活
首页
美食营养
游戏数码
手工爱好
生活家居
健康养生
运动户外
职场理财
情感交际
母婴教育
时尚美容
知识问答
生活知识
搜索
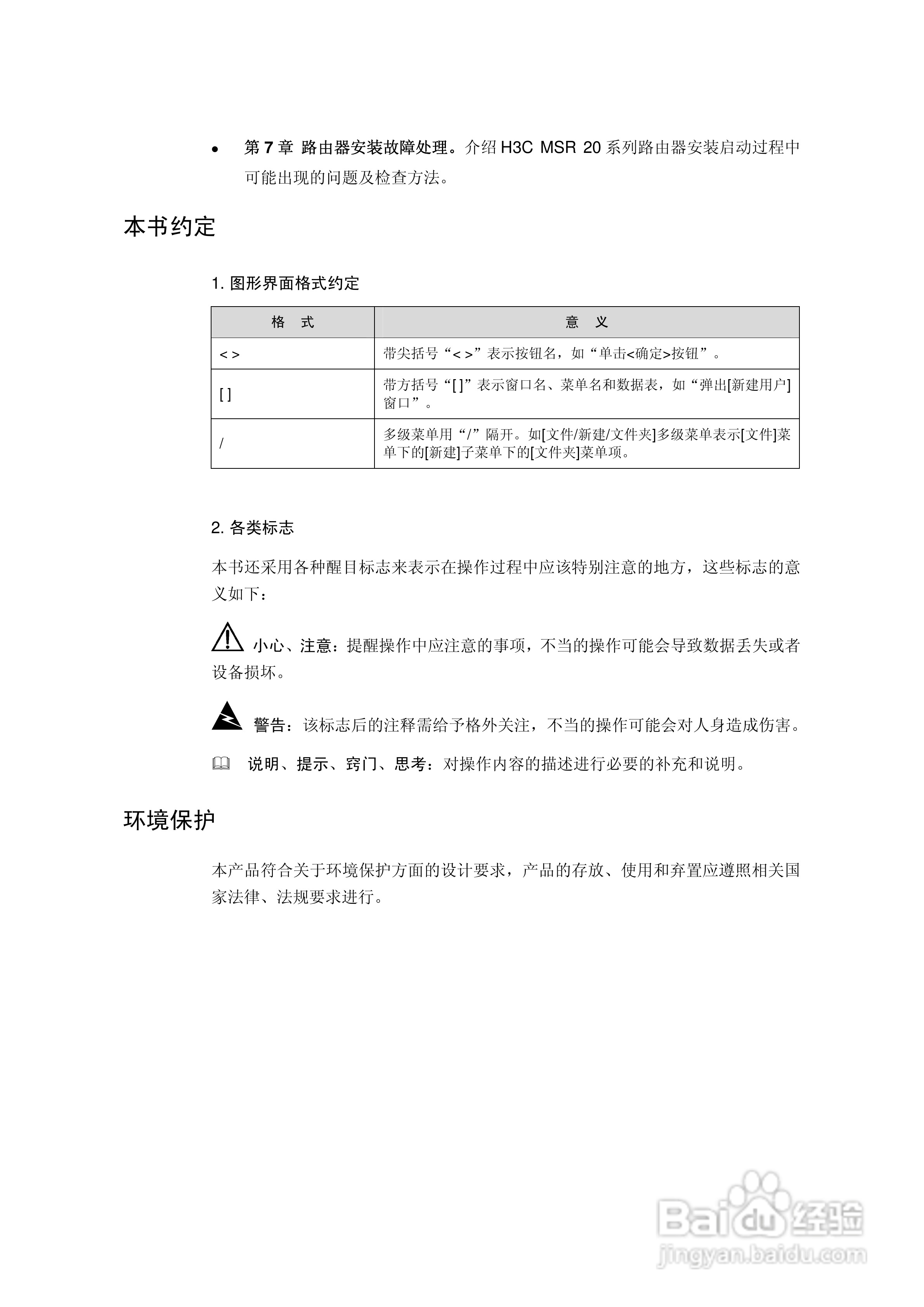
华三交换机MSR20形说明书:[1]
2026-02-10 01:26:28
本篇为《华三交换机MSR20形说明书》,主要介绍该产品的使用方法以及常见故障解决方案。
(共篇)
下一篇:
声明:
本网站引用、摘录或转载内容仅供网站访问者交流或参考,不代表本站立场,如存在版权或非法内容,请联系站长删除,联系邮箱:site.kefu@qq.com。
相关推荐
华三交换机MSR20形说明书:[3]
阅读量:163
华三交换机MSR20形说明书:[7]
阅读量:84
华三交换机MSR30形说明书:[8]
阅读量:158
交换机怎么使用
阅读量:125
交换机配置命令
阅读量:188
猜你喜欢
海虾怎么做好吃
螃蟹蒸多长时间最好吃
自动挡的车怎么起步
手机玩游戏卡怎么办
怎么显示隐藏的文件夹
韭菜怎么做好吃
甲状腺治疗方法
干豆腐怎么做好吃
国产车标大全
精液好吃吗
猜你喜欢
豌豆苗怎么做好吃
暂住证过期了怎么办
黄渤电视剧大全
国产车标大全
ppt怎么做成视频
淘宝怎么修改密码
谢谢图片大全 图片
干香菇怎么泡
百合花图片大全
河北传媒学院怎么样