小度生活
首页
美食营养
手工爱好
生活家居
返回
小度生活
首页
美食营养
游戏数码
手工爱好
生活家居
健康养生
运动户外
职场理财
情感交际
母婴教育
时尚美容
知识问答
生活知识
搜索
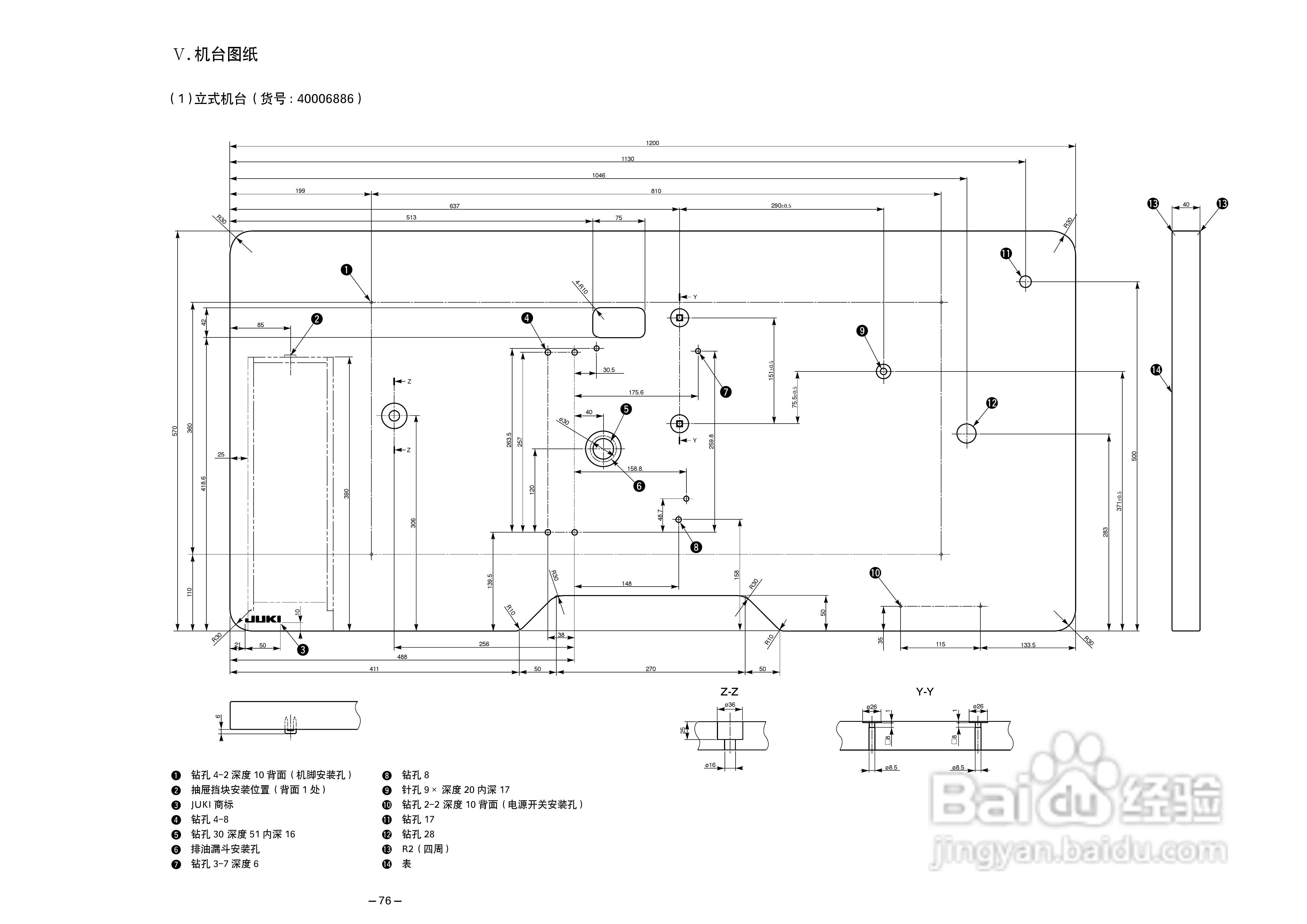
LK-1900A高速电子加固缝纫机使用说明书:[8]
2026-02-22 00:40:20
本篇为《LK-1900A高速电子加固缝纫机使用说明书》,主要介绍该产品的使用方法以及常见故障解决方案。
(共篇)
上一篇:
声明:
本网站引用、摘录或转载内容仅供网站访问者交流或参考,不代表本站立场,如存在版权或非法内容,请联系站长删除,联系邮箱:site.kefu@qq.com。
相关推荐
各种电动缝纫机电控恢复出厂设置的方法
阅读量:59
如何使用电动缝纫机
阅读量:94
使用说明书封面怎么做
阅读量:45
缝纫机怎么使用
阅读量:190
迷你缝纫机怎么用
阅读量:176
猜你喜欢
吐酸水是怎么回事
sally怎么读
萝卜干怎么腌好吃又脆
凉席怎么洗
怎么修改无线网密码
胸口痛是怎么回事
海氏烤箱怎么样
away怎么读
前列腺炎怎么检查
肚子疼怎么办快速止疼
猜你喜欢
黑眼圈怎么去除
孕晚期便秘怎么办
我的世界箭怎么做
银行利率怎么算
经常流鼻血是怎么回事
葱花饼怎么做好吃
大便干燥怎么办
gta5怎么下载
消息怎么写
脸上起红疙瘩怎么回事