小度生活
首页
美食营养
手工爱好
生活家居
返回
小度生活
首页
美食营养
游戏数码
手工爱好
生活家居
健康养生
运动户外
职场理财
情感交际
母婴教育
时尚美容
知识问答
生活知识
生活百科
搜索
ABB REL670线路距离保护/控制装置说明书:[3]
2026-04-12 02:59:31
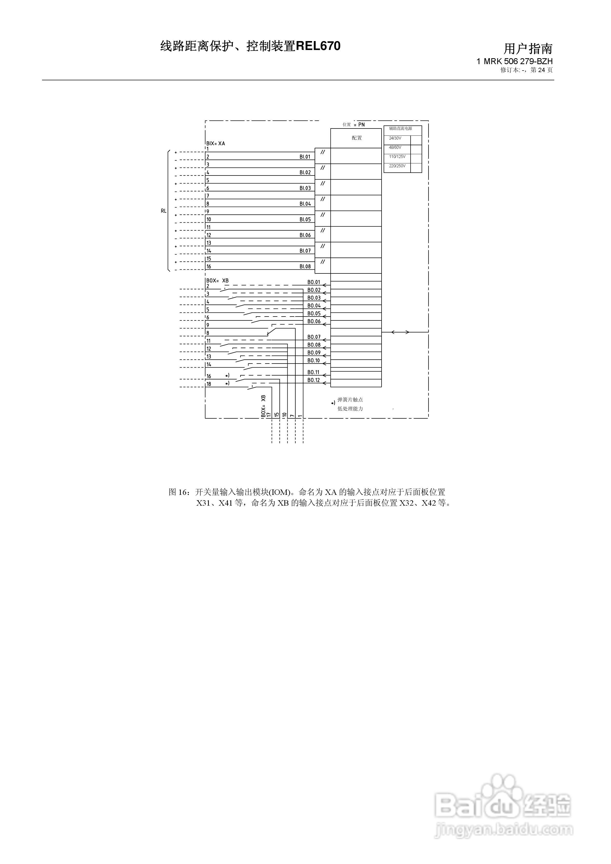
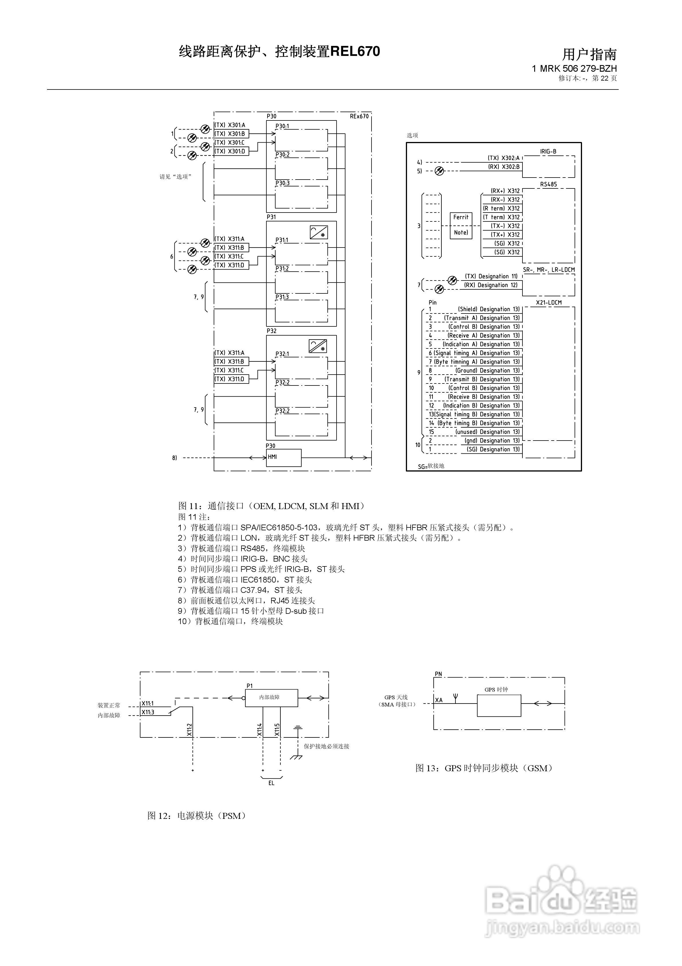
本篇为《ABB REL670线路距离保护/控制装置说明书》,主要介绍该产品的使用方法以及常见故障解决方案。
(共篇)
上一篇:
|
下一篇:
声明:
本网站引用、摘录或转载内容仅供网站访问者交流或参考,不代表本站立场,如存在版权或非法内容,请联系站长删除,联系邮箱:site.kefu@qq.com。
相关推荐
ABB REL670线路距离保护/控制装置说明书:[6]
阅读量:109
ABB RED670线路差动保护用户手册:[3]
阅读量:64
ABB REG670发电机保护说明书:[3]
阅读量:49
ABB RED670线路差动保护用户手册:[2]
阅读量:88
ABB REG670发电机保护说明书:[5]
阅读量:42
猜你喜欢
厨房橱柜用什么材料好
于谦在德云社什么地位
至高无上的意思
什么病能请长期病假
鼓励的意思
什么是薪酬管理
平分秋色的意思
周公之礼什么意思
mcv是什么意思
什么汽车最省油
猜你喜欢
严明的意思
心猿意马是什么意思
可望而不可即的意思
chance是什么意思
champion是什么意思
ue是什么意思
编者按是什么意思
推杯换盏的意思
什么是血崩
与世长辞的意思