小度生活
首页
美食营养
手工爱好
生活家居
返回
小度生活
首页
美食营养
游戏数码
手工爱好
生活家居
健康养生
运动户外
职场理财
情感交际
母婴教育
时尚美容
知识问答
生活知识
生活百科
搜索
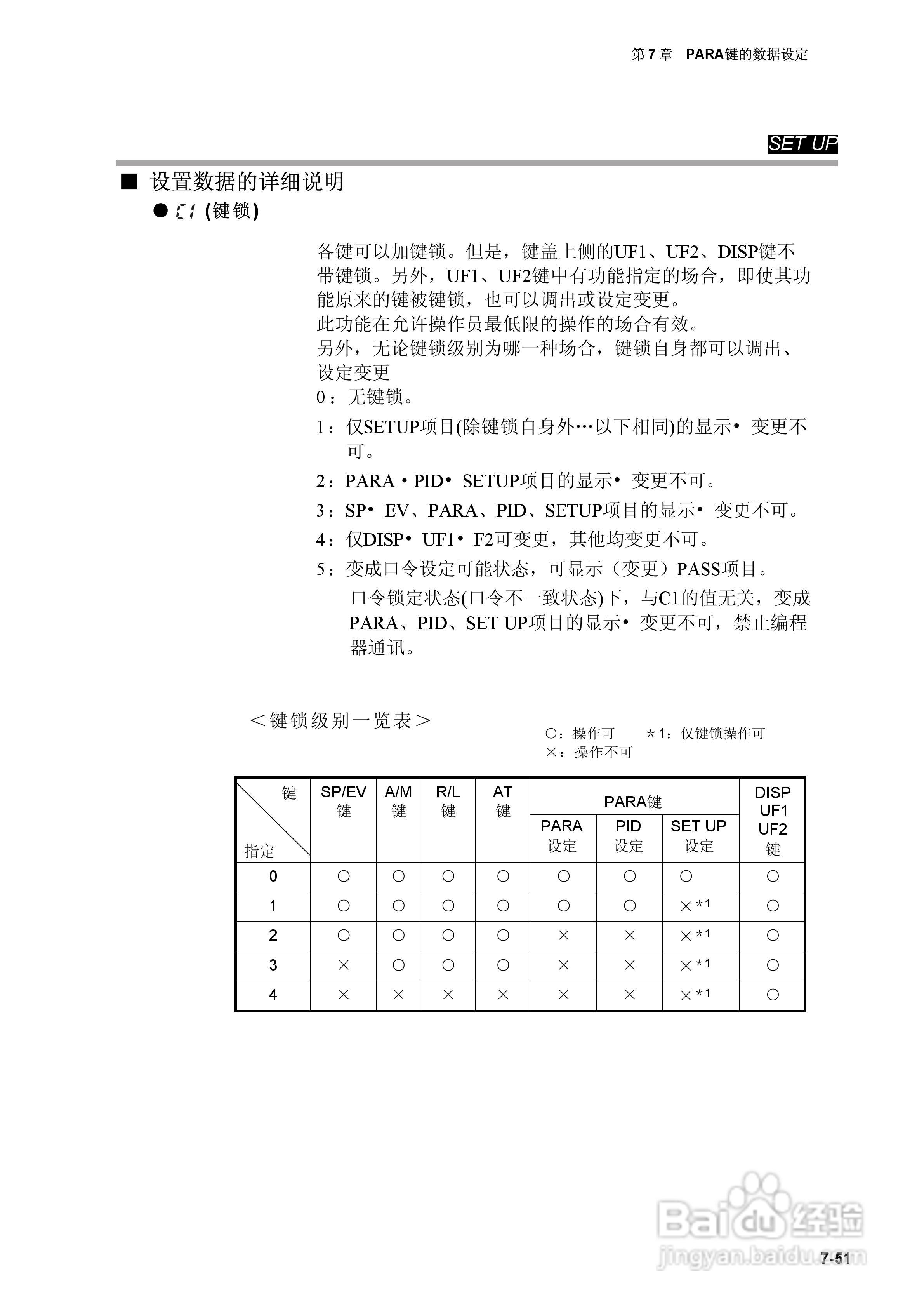
日本山武指示调节器SDC40A使用说明书:[11]
2026-03-28 23:11:24
本篇为《日本山武指示调节器SDC40A使用说明书》,主要介绍该产品的使用方法以及常见故障解决方案。
(共篇)
上一篇:
|
下一篇:
声明:
本网站引用、摘录或转载内容仅供网站访问者交流或参考,不代表本站立场,如存在版权或非法内容,请联系站长删除,联系邮箱:site.kefu@qq.com。
相关推荐
SAP中Routine revise display工艺路线更改显示
阅读量:152
ZDMS消防水炮的联动控制柜操作盘规格数据
阅读量:21
失去的还能重新再来吗?
阅读量:154
糖尿病高血糖怎么办
阅读量:146
如何清洁平板电视
阅读量:104
猜你喜欢
心灵鸡汤是什么意思
8月25日是什么星座
摆地摊卖什么最赚钱而且很受欢迎
祉是什么意思
蓝蓝的天空像什么
1212是什么意思
三次元是什么意思
tp什么意思
钙化灶是什么意思
画杨桃告诉我们什么道理
猜你喜欢
面基是什么意思
累得什么填词语
腻歪是什么意思
显示器什么牌子好
心仪是什么意思
抗生素是什么
弄瓦之喜什么意思
什么是诚信
肉松是什么做的
valentine s day是什么意思