小度生活
首页
美食营养
手工爱好
生活家居
返回
小度生活
首页
美食营养
游戏数码
手工爱好
生活家居
健康养生
运动户外
职场理财
情感交际
母婴教育
时尚美容
知识问答
生活知识
搜索
通博ZUT 型智能浮筒液位(界位)变送器使用说明书:[1]
2025-10-25 07:15:15
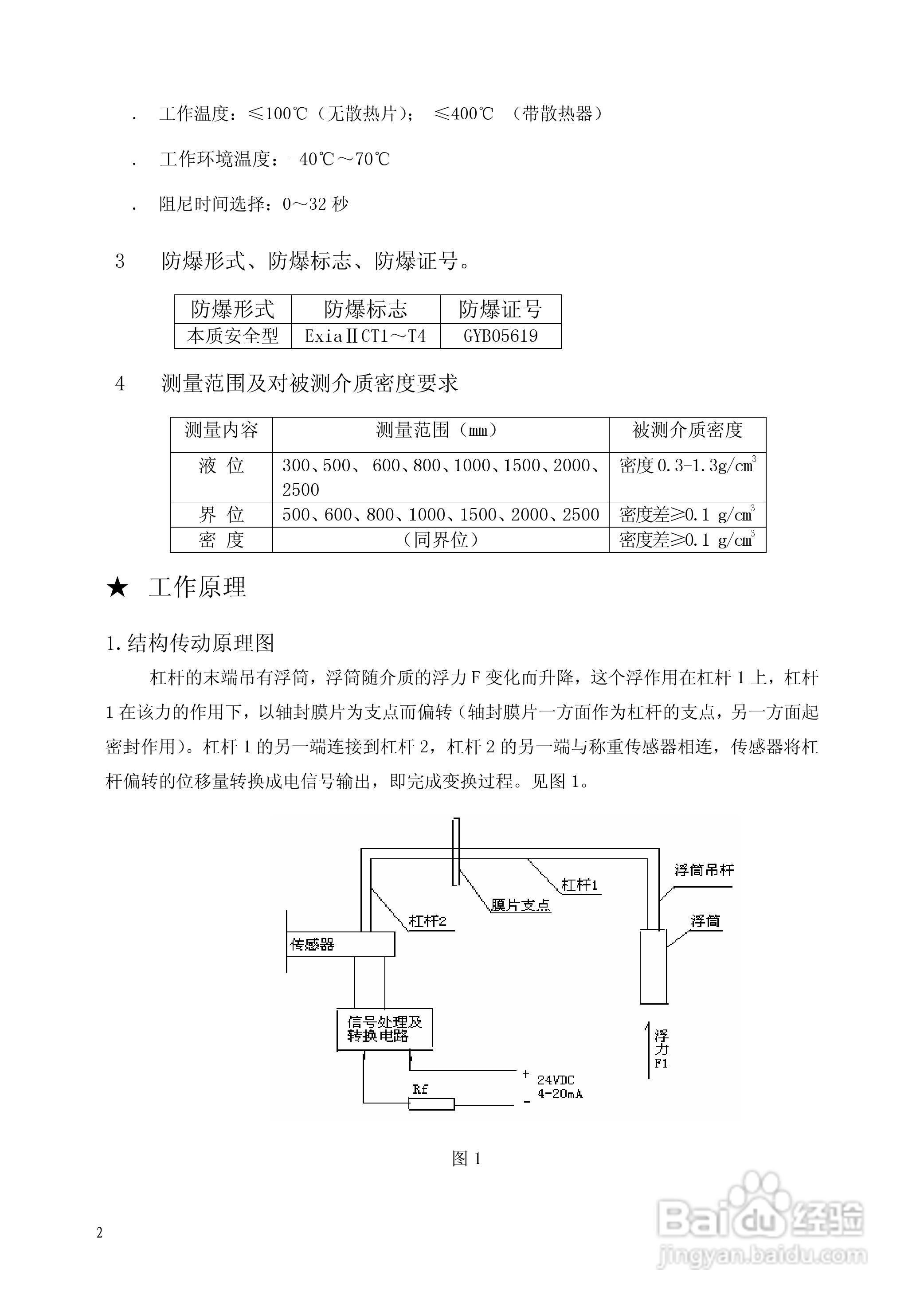
本篇为《通博ZUT 型智能浮筒液位(界位)变送器使用说明书》,主要介绍该产品的使用方法以及常见故障解决方案。
(共篇)
下一篇:
声明:
本网站引用、摘录或转载内容仅供网站访问者交流或参考,不代表本站立场,如存在版权或非法内容,请联系站长删除,联系邮箱:site.kefu@qq.com。
相关推荐
慧眼阅读答案哪里找
阅读量:72
中策DF2817宽频LCR 数字电桥说明书
阅读量:33
如何使用crygirl影音的双倍尺寸功能?
阅读量:149
佳乐JR6000-055G/075P-4-1050变频器使用说明书:[6]
阅读量:116
雪天路滑该怎么开车出行?
阅读量:116
猜你喜欢
本命是什么意思
什么叫群租房
什么是基金分红
交涉的意思
皮衣什么牌子好
知悉是什么意思
uninstall是什么意思
蜂拥而来的意思
消遣的意思
强悍的意思
猜你喜欢
3166什么意思
pick是什么意思
小厨宝什么牌子好
执着的意思
round是什么意思
浩的意思
泡沫经济是什么意思
九月九日忆山东兄弟古诗的意思
防微杜渐是什么意思
落户口需要什么手续