小度生活
首页
美食营养
手工爱好
生活家居
返回
小度生活
首页
美食营养
游戏数码
手工爱好
生活家居
健康养生
运动户外
职场理财
情感交际
母婴教育
时尚美容
知识问答
生活知识
生活百科
搜索
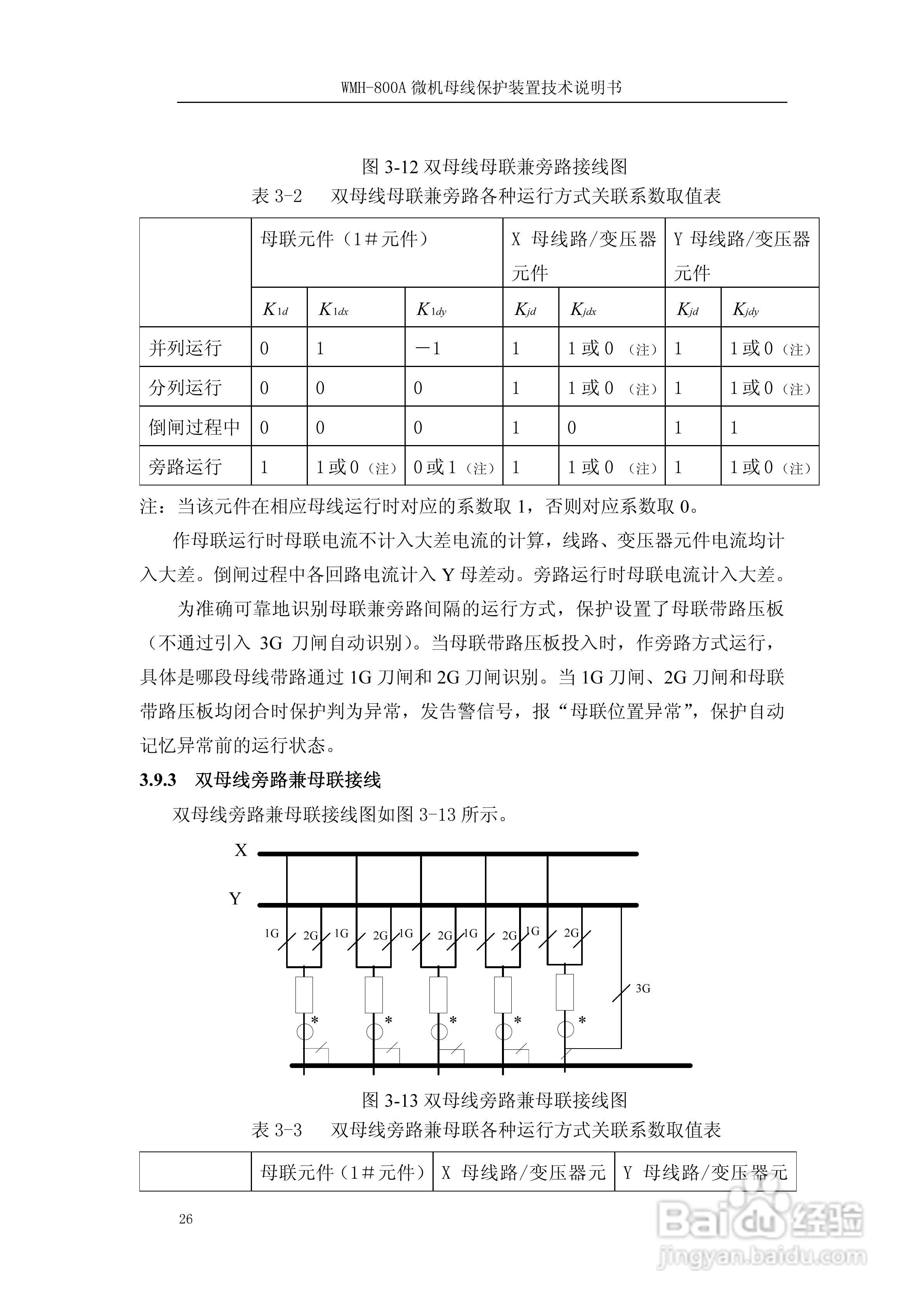
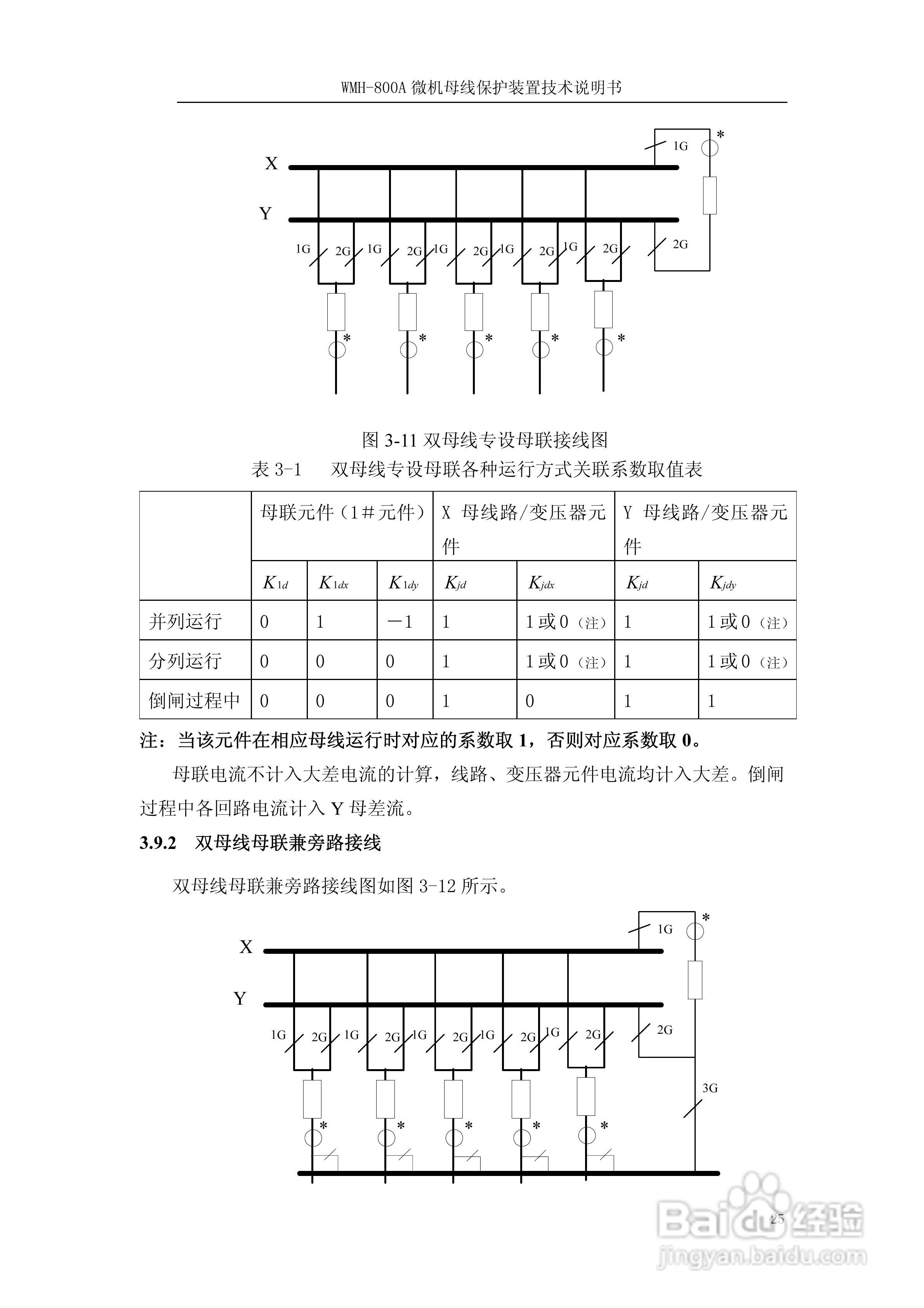
WMH-800A母线保护装置使用说明书:[3]
2026-03-29 11:58:14
本篇为《WMH-800A母线保护装置使用说明书》,主要介绍该产品的使用方法以及常见故障解决方案。
(共篇)
上一篇:
|
下一篇:
声明:
本网站引用、摘录或转载内容仅供网站访问者交流或参考,不代表本站立场,如存在版权或非法内容,请联系站长删除,联系邮箱:site.kefu@qq.com。
相关推荐
袋式过滤器检查和维护步骤
阅读量:146
蜂蜜茉莉绿茶
阅读量:146
怎么报名申请农村淘宝
阅读量:131
孩子在运动中该如何找到快乐呢?
阅读量:28
四川事业单位考试该怎样复习
阅读量:177
猜你喜欢
胡子长得快是什么原因
direction是什么意思
什么是扉页
planet是什么意思
尿检阳性是什么意思
吃胡萝卜有什么好处
486是什么意思
源代码是什么
什么网名最好听
腌制食品
猜你喜欢
手电钻什么牌子好
肝硬化什么症状
什么叫焦虑症
什么叫整体认读音节
射手座和什么座最配
nice to meet you什么意思
unique是什么意思
酱萝卜的腌制方法
nautica是什么牌子
比比皆是是什么意思