小度生活
首页
美食营养
手工爱好
生活家居
返回
小度生活
首页
美食营养
游戏数码
手工爱好
生活家居
健康养生
运动户外
职场理财
情感交际
母婴教育
时尚美容
知识问答
生活知识
生活百科
搜索
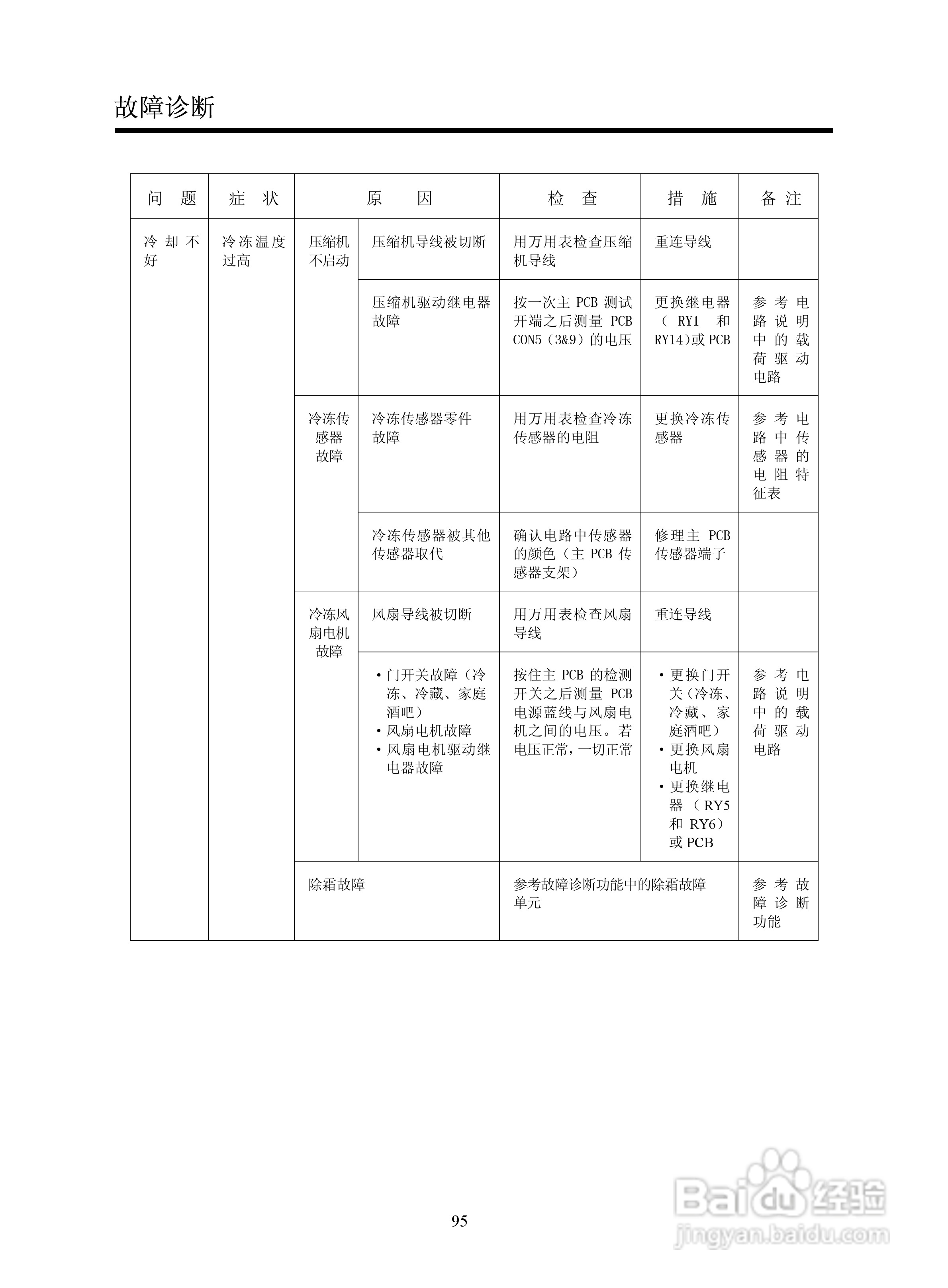
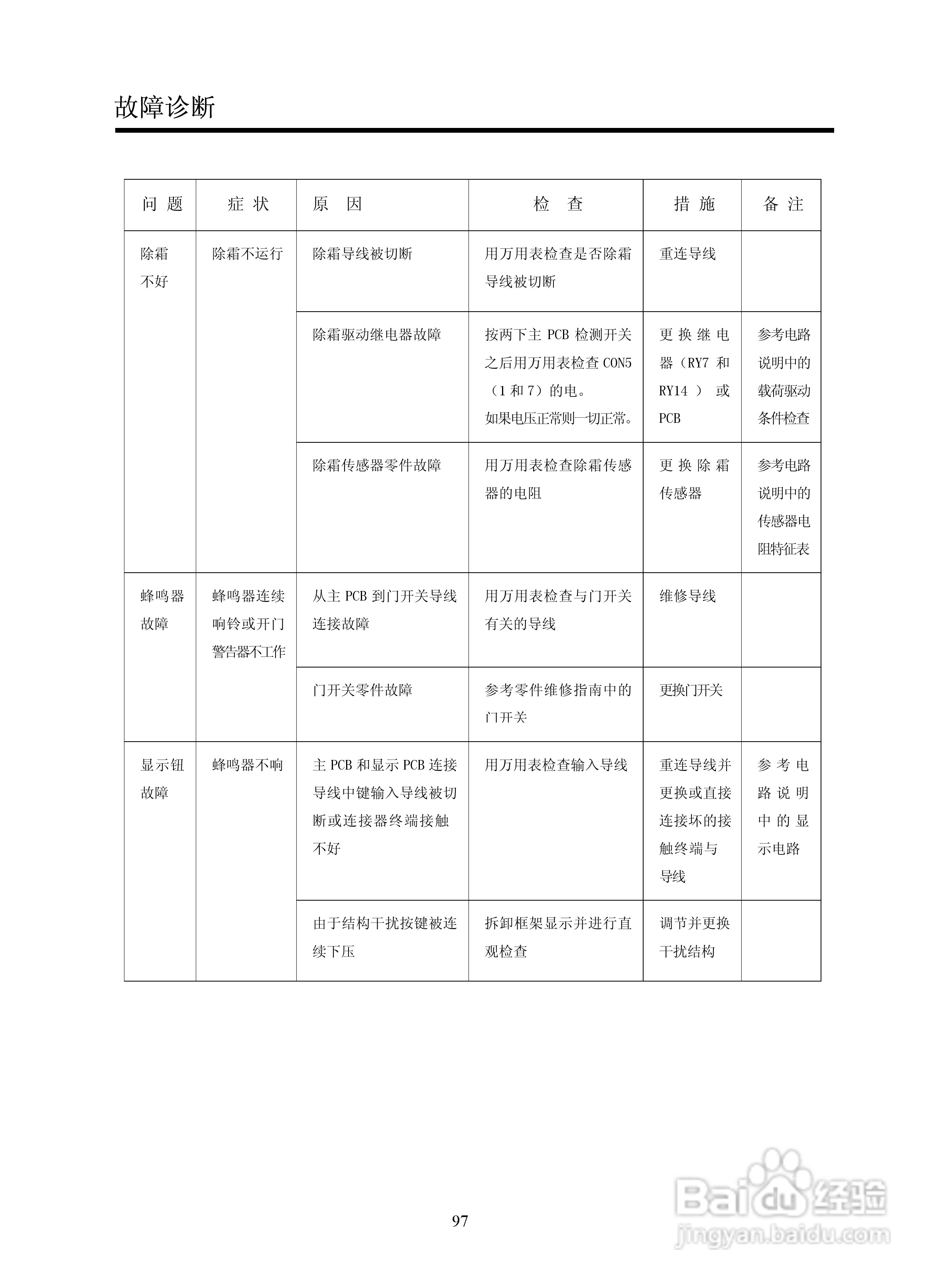
LG GR-B2072GBR.CSWPLGE冰箱使用说明书:[6]
2026-04-19 12:21:23
(共篇)
上一篇:
|
下一篇:
声明:
本网站引用、摘录或转载内容仅供网站访问者交流或参考,不代表本站立场,如存在版权或非法内容,请联系站长删除,联系邮箱:site.kefu@qq.com。
相关推荐
LG GR-B2072GBC电冰箱使用说明书:[6]
阅读量:175
LG GR-B2072GBC电冰箱使用说明书:[3]
阅读量:187
LG GR-B2072GBC电冰箱使用说明书:[5]
阅读量:70
LG GR-B2072GBC电冰箱使用说明书:[4]
阅读量:51
冰箱排水孔堵塞疏通方法
阅读量:138
猜你喜欢
内功怎么练
海藻面膜怎么做
qq说说怎么全部删除
银行预留手机号码怎么改
如何查违章车辆查询
微信小视频怎么保存
哪里回收旧衣服
路由器初始密码
怎么折玫瑰花视频
乳牙滞留怎么办
猜你喜欢
西班牙旅游攻略
兰州旅游景点大全
如何炖排骨好吃
如何求值域
脚麻了怎么快速处理
如何克服紧张心理
新日电动车质量怎么样
怎样设置路由器
怎么看手机是否root
小孩出水痘怎么办