小度生活
首页
美食营养
手工爱好
生活家居
返回
小度生活
首页
美食营养
游戏数码
手工爱好
生活家居
健康养生
运动户外
职场理财
情感交际
母婴教育
时尚美容
知识问答
生活知识
生活百科
搜索
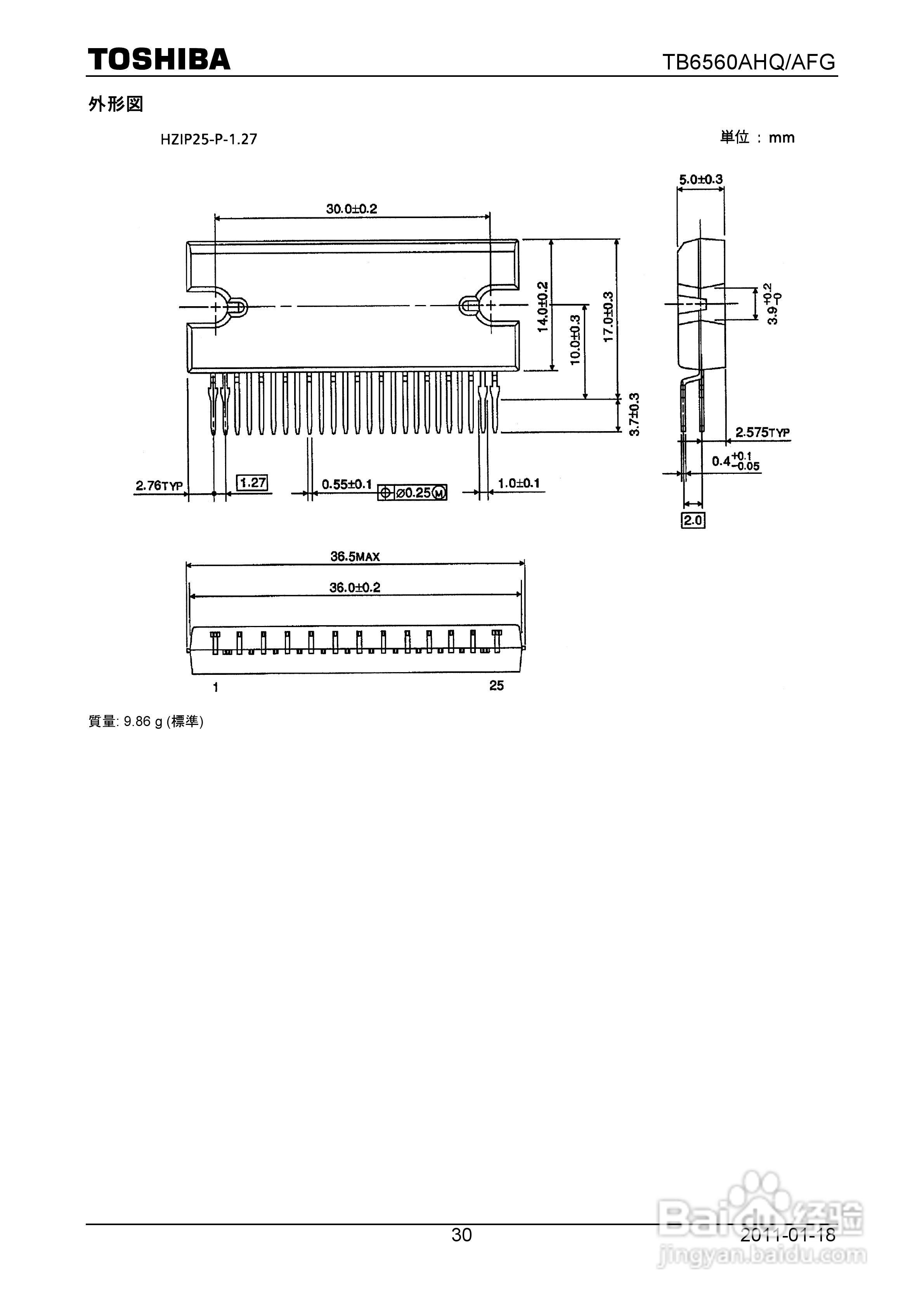
东芝TB6560AHQ/TB6560AF驱动芯片说明书:[3]
2026-05-26 00:02:10
本篇为《东芝TB6560AHQ/TB6560AF驱动芯片说明书》,主要介绍该产品的使用方法以及常见故障解决方案。
(共篇)
上一篇:
声明:
本网站引用、摘录或转载内容仅供网站访问者交流或参考,不代表本站立场,如存在版权或非法内容,请联系站长删除,联系邮箱:site.kefu@qq.com。
相关推荐
东芝TB6560AHQ/TB6560AF驱动芯片说明书:[1]
阅读量:136
PHILIPS HQ7150电动剃须刀说明书:[3]
阅读量:77
philips HQ6646剃须刀说明书:[3]
阅读量:69
飞利浦hq7310剃须刀使用说明书:[3]
阅读量:30
philips HQ6640剃须刀说明书:[3]
阅读量:22
猜你喜欢
飞机怎么折飞得远
银行卡的钱怎么转到支付宝
左眼下眼皮一直跳是怎么回事
路由器密码忘了怎么办
微信忘记密码怎么找回
掉头发怎么办
怎么注册推特
荨麻疹怎么治
我的世界怎么扔东西
大姨妈来了怎么办
猜你喜欢
dnf卡片怎么升级
生蚝怎么清洗
怎么注册电子邮箱
月经量多怎么办
导游词怎么写
煮鸡蛋怎么好剥皮
苹果笔记本怎么用
考不上高中怎么办
用户账户控制怎么取消
花呗分期怎么提前还款