小度生活
首页
美食营养
手工爱好
生活家居
返回
小度生活
首页
美食营养
游戏数码
手工爱好
生活家居
健康养生
运动户外
职场理财
情感交际
母婴教育
时尚美容
知识问答
生活知识
生活百科
搜索
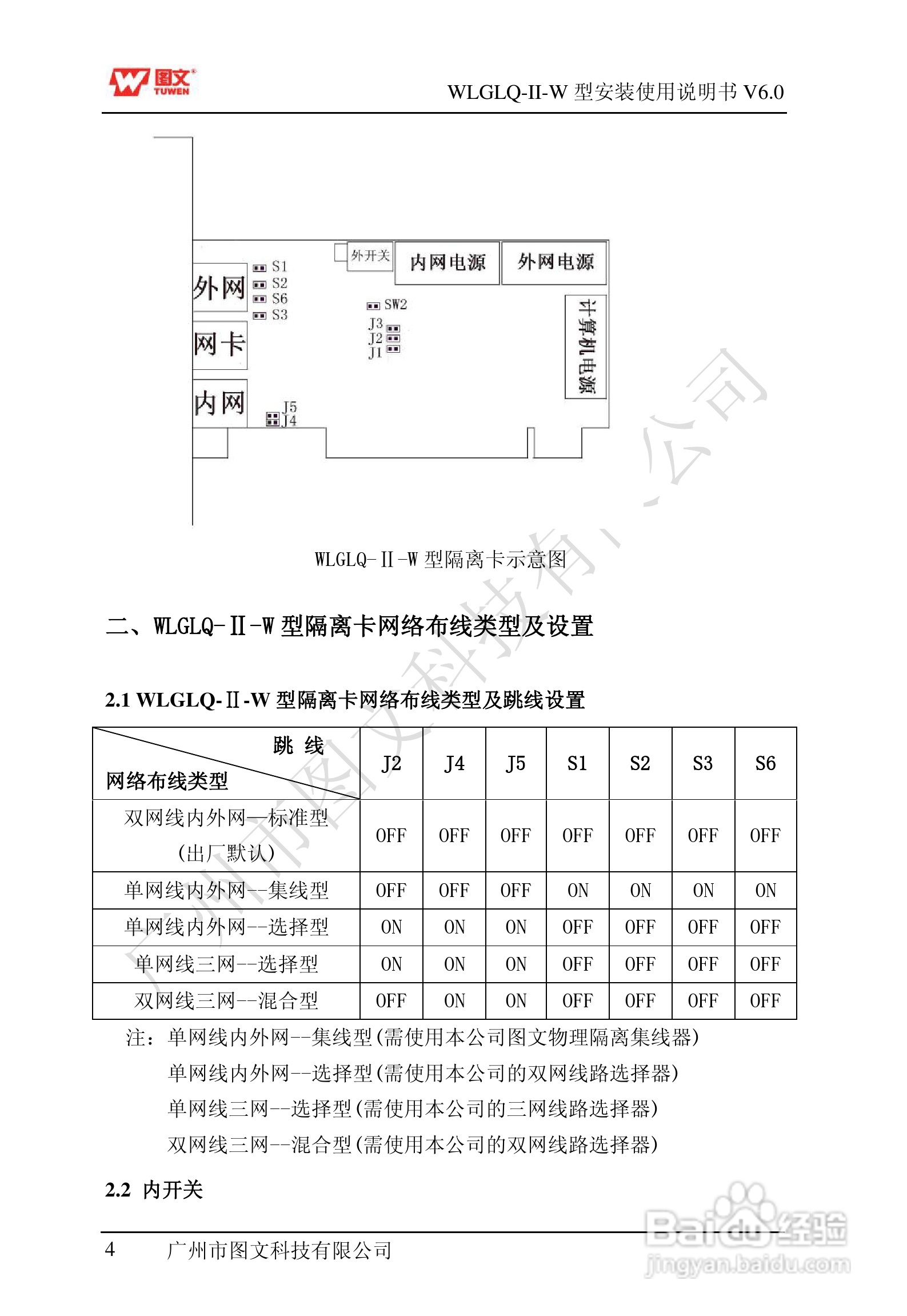
图文隔离卡WLGLQ-II-W型说明书
2026-04-26 06:47:56
声明:
本网站引用、摘录或转载内容仅供网站访问者交流或参考,不代表本站立场,如存在版权或非法内容,请联系站长删除,联系邮箱:site.kefu@qq.com。
相关推荐
图文隔离卡WLGLQ-II-L型说明书
阅读量:26
图文隔离卡WLGLQ-II-M1型说明书:[3]
阅读量:154
图文隔离卡WLGLQ-II-J2型说明书:[1]
阅读量:124
图文隔离卡WLGLQ-II-J2型说明书:[2]
阅读量:147
图文隔离卡WLGLQ-II-F型说明书
阅读量:170
猜你喜欢
气短是什么原因
5211314是什么意思
情不自禁的意思是什么
梦见小狗是什么意思
calm什么意思
养兔子要注意什么
blowjob是什么意思
homework什么意思
羊水穿刺什么时候做
象拔蚌是什么
猜你喜欢
boost是什么意思
大便有血是什么原因
科学发展观的内涵是什么
睡前运动
什么是加权平均数
山羊养殖技术
日出东方却落于西什么意思
12月14日是什么日子
dj什么意思
亲子运动会