如何解决日光灯启动慢
1、方法1——新型启辉器
去电器店买一个新型电子启辉器,准备好更换旧启辉器。

2、方法1——新型启辉器
不换旧型日光灯管,把旧的启辉器轻轻旋转拔下来。

3、方法1——新型启辉器
把准备好的新型电子启辉器旋转按上去,完成安装,是不是秒亮了?

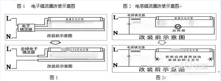
4、方法2——LED型日光灯
去电器店买一个LED型日光灯(可以问老板详细安装方法),准备好更换旧日光灯。

5、方法2——LED型日光灯
断掉电源(注意查看是否还有电小心触电),把旧的启辉器两端线剪断,用绝缘胶布包扎好,拿掉启辉器。

6、方法2——LED型日光灯
把准备好的LED型日光灯对准接口旋转安装,完成安装,是不是秒亮了?

声明:本网站引用、摘录或转载内容仅供网站访问者交流或参考,不代表本站立场,如存在版权或非法内容,请联系站长删除,联系邮箱:site.kefu@qq.com。