电力变压器电压比及接线组别的测量方法
1、标准电压比的计算
当使用分接因数计算所对应的分接位置的电压比,与产品名牌标称的电压所计算的电压比一致时,允许只计算主分接的电压比,其它分接可以
使用主分接的电压比与分接因数进行测量,否则应计算所有分接位置的电压比。所计算的电压比保留6位有效数字。
2、电压比测量和联结组标号检定
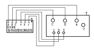
按照第7条连接电桥与被试品的线路。闭合电桥电源开关,仪器自检后,按参数键,输入计算的标准电压比值、分接因数及联结组标号,三相变压器按三相连续测量键,单相变压器按AB键,在电桥的提示音后记录测量结果。全部完成后自动停止。
3、主分接 a. 规定电压比的±0.5%;b. 实际阻抗百分数的±1/10;取a、b中低者。
其它分接按协议,但不低于a、b中较小者。
1、 单相变压器试验接线原理图

2

声明:本网站引用、摘录或转载内容仅供网站访问者交流或参考,不代表本站立场,如存在版权或非法内容,请联系站长删除,联系邮箱:site.kefu@qq.com。
阅读量:173
阅读量:101
阅读量:67
阅读量:180
阅读量:127