小度生活
首页
美食营养
手工爱好
生活家居
返回
小度生活
首页
美食营养
游戏数码
手工爱好
生活家居
健康养生
运动户外
职场理财
情感交际
母婴教育
时尚美容
搜索
Panasonic 数位光碟记录器WJ-HD316操作手册:[5]
2025-11-10 17:16:18
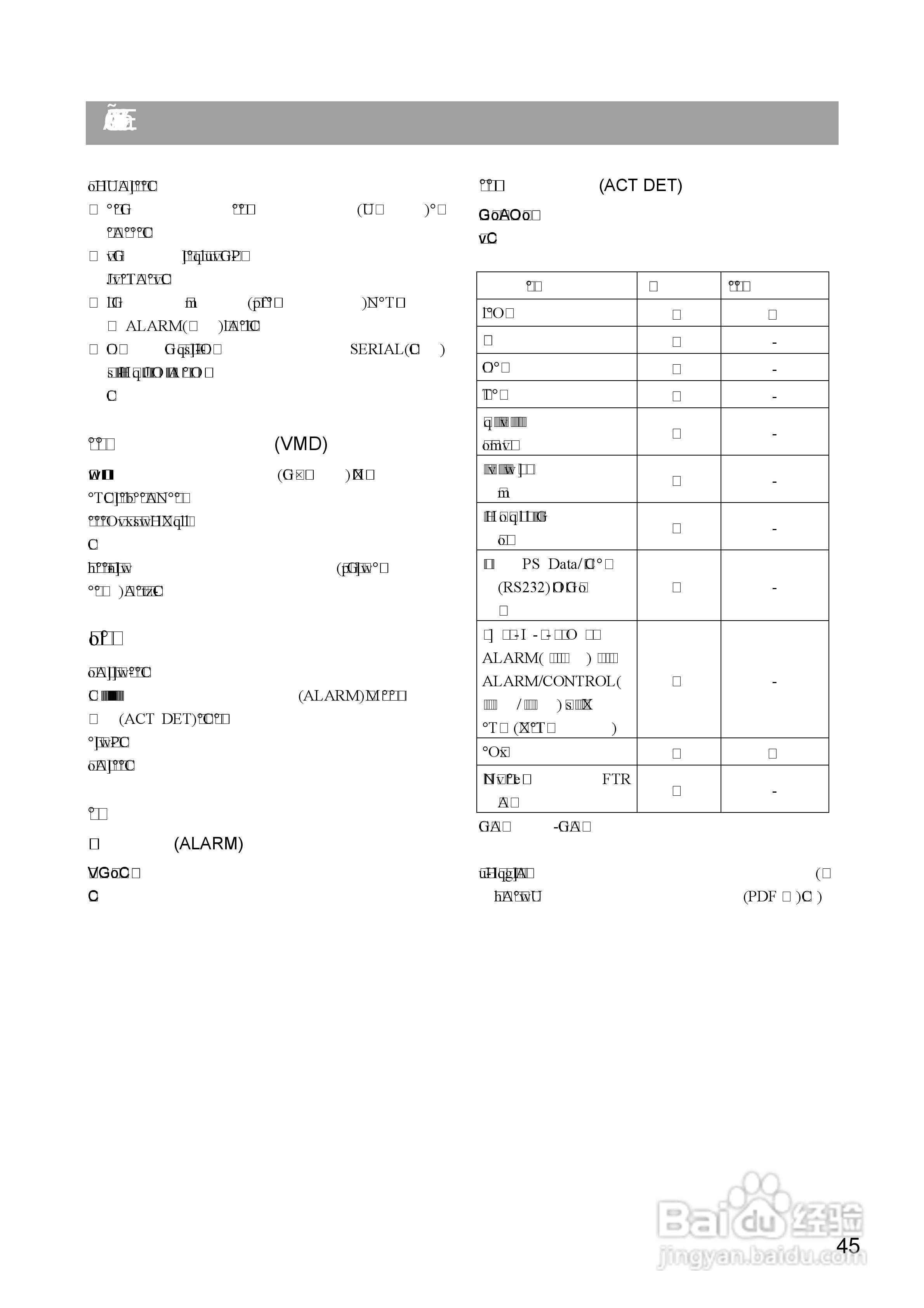
本篇为《Panasonic 数位光碟记录器WJ-HD316操作手册》,主要介绍该产品的使用方法以及常见故障解决方案。
(共篇)
上一篇:
|
下一篇:
声明:
本网站引用、摘录或转载内容仅供网站访问者交流或参考,不代表本站立场,如存在版权或非法内容,请联系站长删除,联系邮箱:site.kefu@qq.com。
相关推荐
Panasonic 数位光碟记录器WJ-HD316操作手册:[15]
阅读量:99
Panasonic 数位光碟记录器WJ-HD316操作手册:[13]
阅读量:147
Panasonic 数位光碟记录器WJ-HD309操作手册:[2]
阅读量:186
数位板绘画教程
阅读量:119
数位笔与数位屏光标不准的解决方法
阅读量:176
猜你喜欢
欲加之罪何患无辞是什么意思
无氧运动有哪些项目
硫酸铜是什么颜色
乖张是什么意思
滞留票是什么意思
2015是什么年
纳闷的意思是什么
汽油什么时候降价
水簸箕是什么
运动精神
猜你喜欢
股票增发是什么意思
kb mb gb是什么意思
排卵期是在什么时候
mvp什么意思
上眼皮肿是什么原因
tpr是什么材料
什么是大体积混凝土
什么狗最便宜
2014年什么命
指日可待什么意思