小度生活
首页
美食营养
手工爱好
生活家居
返回
小度生活
首页
美食营养
游戏数码
手工爱好
生活家居
健康养生
运动户外
职场理财
情感交际
母婴教育
时尚美容
知识问答
生活知识
生活百科
搜索
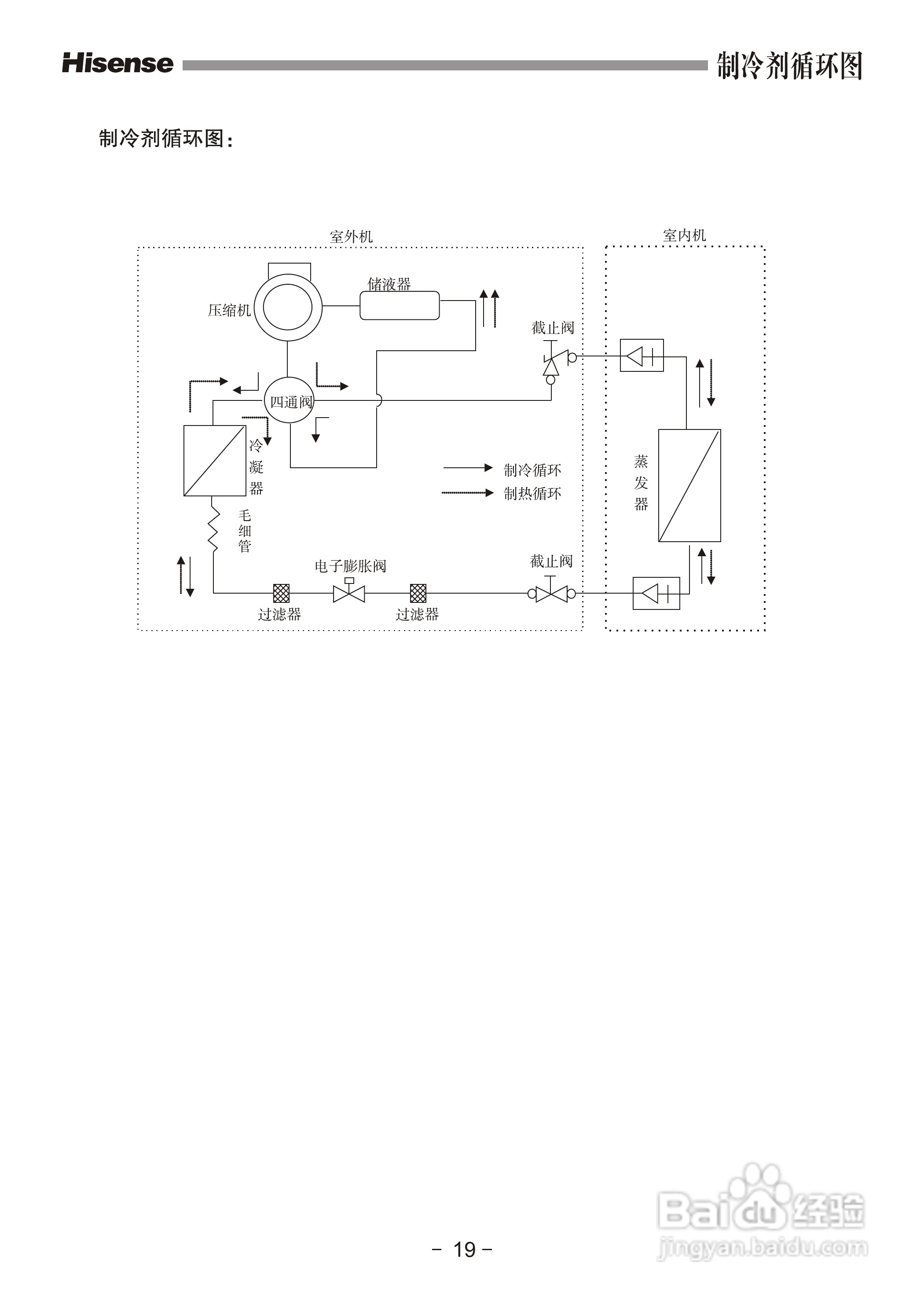
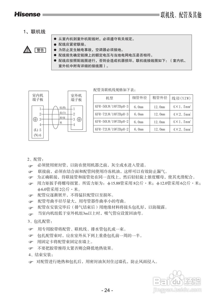
海信KFR-72LW/19FZBpH-2空调使用说明书:[3]
2026-03-27 13:26:04
(共篇)
上一篇:
声明:
本网站引用、摘录或转载内容仅供网站访问者交流或参考,不代表本站立场,如存在版权或非法内容,请联系站长删除,联系邮箱:site.kefu@qq.com。
相关推荐
脑血管瘤手术后会有后遗症吗
阅读量:91
五行蔬菜汤的功效
阅读量:47
怎样抚养可以得到一个健康宝宝?
阅读量:175
怎么做全州醋血鸭(家庭版)?
阅读量:155
十荟团怎么联系客服
阅读量:70
猜你喜欢
储奶袋什么牌子好
我的世界钻石用什么挖
冰天雪地的意思
招行金卡有什么用
顿号的意思
相煎何太急是什么意思
你牛什么牛唐古
家用血糖仪什么牌子好
簸箕的意思
端午节祝福句子简洁
猜你喜欢
嬴政和赢稷什么关系
包含的意思
打荷是什么意思
醋泡黑豆什么时候吃
韩国什么化妆品值得买
三五成群的意思
什么网站看电影不卡
钓鱼执法是什么意思
周末祝福语
驱动大师有什么用