小度生活
首页
美食营养
手工爱好
生活家居
返回
小度生活
首页
美食营养
游戏数码
手工爱好
生活家居
健康养生
运动户外
职场理财
情感交际
母婴教育
时尚美容
知识问答
搜索
DMR261高压电动机保护测控装置操作手册:[2]
2025-11-21 18:40:09
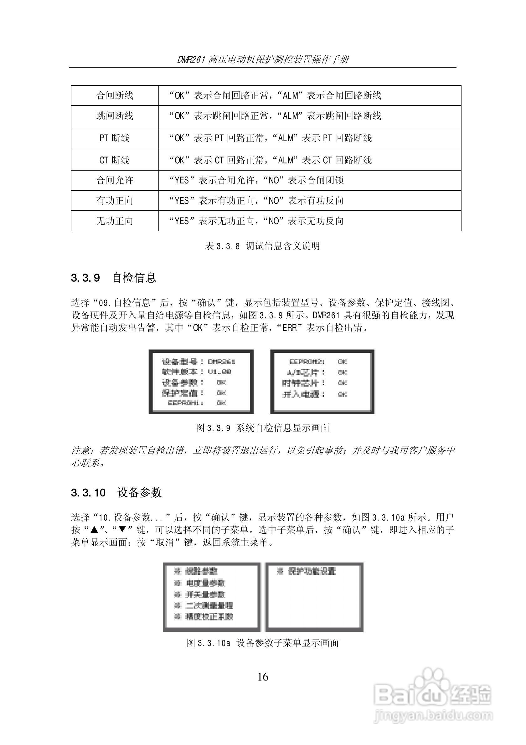
本篇为《DMR261高压电动机保护测控装置操作手册》,主要介绍该产品的使用方法以及常见故障解决方案。
(共篇)
上一篇:
|
下一篇:
声明:
本网站引用、摘录或转载内容仅供网站访问者交流或参考,不代表本站立场,如存在版权或非法内容,请联系站长删除,联系邮箱:site.kefu@qq.com。
相关推荐
DMR261高压电动机保护测控装置操作手册:[1]
阅读量:32
电动机轴磨损修复不求人技术方法
阅读量:160
电动机保护器选型基本原则
阅读量:24
高压电动机绝缘系统技术
阅读量:102
电动机长期低压运行怎么办
阅读量:69
猜你喜欢
笔记本电脑配置怎么看
小肚子疼是怎么回事
酒店入住时间怎么算
作者简介怎么写
soho怎么读
维意定制家具怎么样
怎么炒鸡蛋
验孕试纸怎么看
我的世界铱矿怎么得
小儿便秘怎么办
猜你喜欢
鼻窦炎怎么治疗
眼睛近视怎么提高视力
血脂高怎么办
电子科技大学怎么样
胃息肉是怎么回事
主营业务收入怎么算
司马昭怎么死的
陈字怎么写好看
淘宝怎么投诉店铺
住房公积金怎么查询