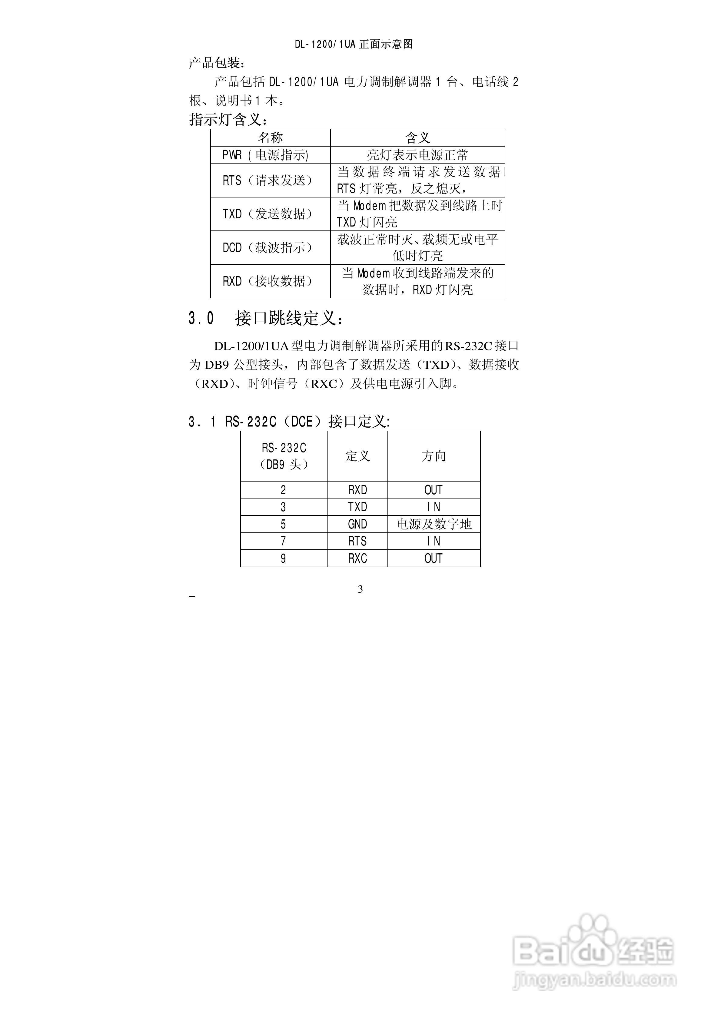
美国FUTEK Model DL-1200/1UA电力调制解调器用户手册:[1]
本篇为《美国FUTEK Model DL-1200/1UA电力调制解调器用户手册》,主要介绍该产品的使用方法以及常见故障解决方案。
![美国FUTEK Model DL-1200/1UA电力调制解调器用户手册:[1]](https://exp-picture.cdn.bcebos.com/a31e1214c27bd282a46d9df33cb1eef97ebd3679.jpg)
![美国FUTEK Model DL-1200/1UA电力调制解调器用户手册:[1]](https://exp-picture.cdn.bcebos.com/3d002dbad341037dccd3f5c3a9bc7dc5ce672d79.jpg)
![美国FUTEK Model DL-1200/1UA电力调制解调器用户手册:[1]](https://exp-picture.cdn.bcebos.com/04d7a614f4d0b503f0367a4bcc4ec28332bf2079.jpg)
![美国FUTEK Model DL-1200/1UA电力调制解调器用户手册:[1]](https://exp-picture.cdn.bcebos.com/560be432939c2cf79956e0ac452c5b1b1fde1279.jpg)
![美国FUTEK Model DL-1200/1UA电力调制解调器用户手册:[1]](https://exp-picture.cdn.bcebos.com/f385f299594304011d1a22f7d66b04d148290579.jpg)
![美国FUTEK Model DL-1200/1UA电力调制解调器用户手册:[1]](https://exp-picture.cdn.bcebos.com/46315818dfdae43b5f623e94c457935652bb7479.jpg)
![美国FUTEK Model DL-1200/1UA电力调制解调器用户手册:[1]](https://exp-picture.cdn.bcebos.com/05e24be983aee8d72bcedf5a6b781431deb66679.jpg)
![美国FUTEK Model DL-1200/1UA电力调制解调器用户手册:[1]](https://exp-picture.cdn.bcebos.com/031231632385e0369c757b5db8e039723c035a79.jpg)
![美国FUTEK Model DL-1200/1UA电力调制解调器用户手册:[1]](https://exp-picture.cdn.bcebos.com/d695563104ebf6a7d4ebbe9effee1c324a184f79.jpg)
![美国FUTEK Model DL-1200/1UA电力调制解调器用户手册:[1]](https://exp-picture.cdn.bcebos.com/49c5d3e34b2c56eee39bbabbf775e5f4fdf54079.jpg)
声明:本网站引用、摘录或转载内容仅供网站访问者交流或参考,不代表本站立场,如存在版权或非法内容,请联系站长删除,联系邮箱:site.kefu@qq.com。
阅读量:86
阅读量:77
阅读量:150
阅读量:181
阅读量:26