小度生活
首页
美食营养
手工爱好
生活家居
返回
小度生活
首页
美食营养
游戏数码
手工爱好
生活家居
健康养生
运动户外
职场理财
情感交际
母婴教育
时尚美容
知识问答
生活知识
生活百科
搜索
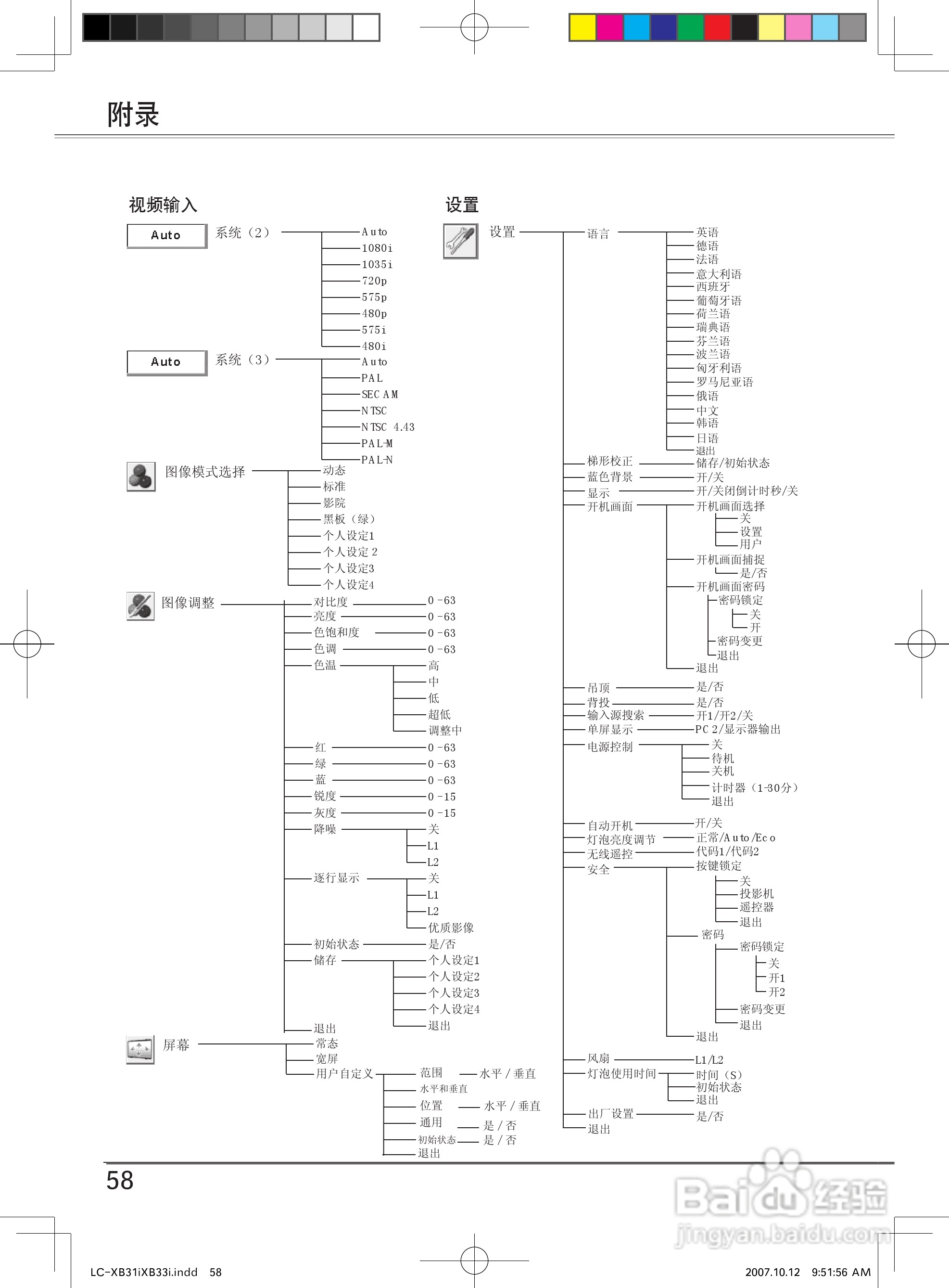
EIKI爱其 LC-XB33I投影机说明书:[6]
2026-03-27 20:57:24
本篇为《EIKI爱其 LC-XB33I投影机说明书》,主要介绍该产品的使用方法以及常见故障解决方案。
(共篇)
上一篇:
|
下一篇:
声明:
本网站引用、摘录或转载内容仅供网站访问者交流或参考,不代表本站立场,如存在版权或非法内容,请联系站长删除,联系邮箱:site.kefu@qq.com。
相关推荐
投影机怎样连接使用
阅读量:102
EIKI爱其 LC-X1000说明书:[5]
阅读量:44
EIKI爱其 LC-X80说明书:[7]
阅读量:142
EIKI爱其 LC-X71说明书:[3]
阅读量:108
EIKI爱其 LC-X71说明书:[5]
阅读量:194
猜你喜欢
卡介苗是什么
保鲜膜属于什么垃圾
什么茶好喝
火字旁的有什么字
早上5点是什么时辰
冰袖是什么
2333是什么意思
回购是什么意思
投档线是什么意思
内分泌是什么
猜你喜欢
club是什么意思
篮子是什么意思
望尘莫及什么意思
我最亲爱的你过得怎么样是什么歌
yp是什么意思
check是什么意思
梦想是什么意思
音乐是什么
父爱是什么
一个人开什么店好