小度生活
首页
美食营养
手工爱好
生活家居
返回
小度生活
首页
美食营养
游戏数码
手工爱好
生活家居
健康养生
运动户外
职场理财
情感交际
母婴教育
时尚美容
知识问答
生活知识
搜索
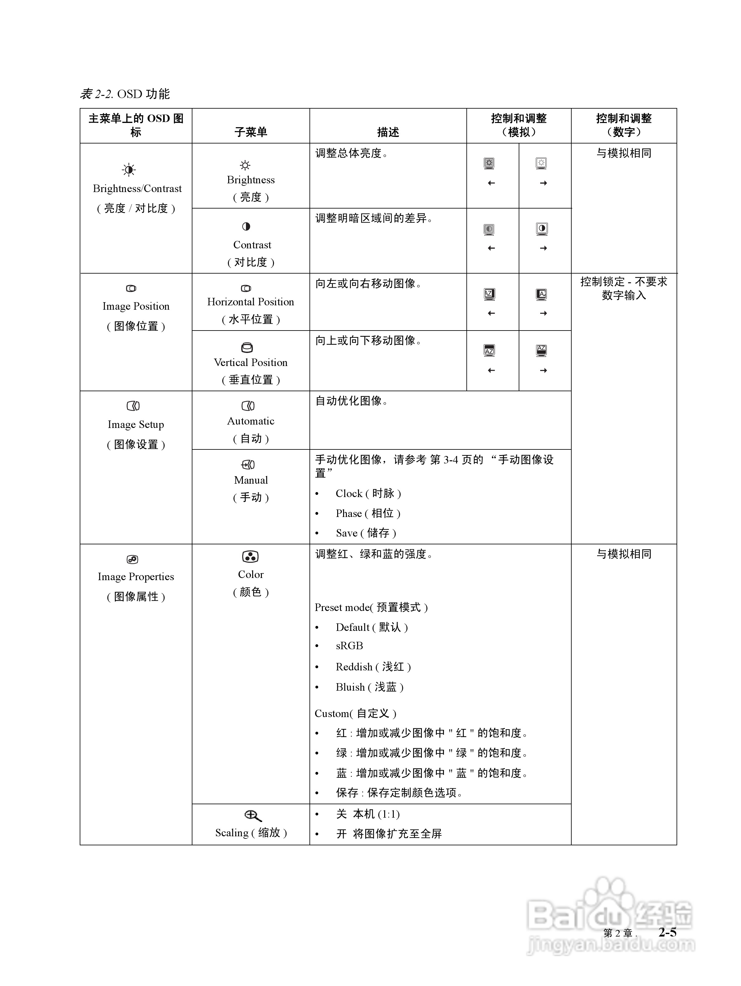
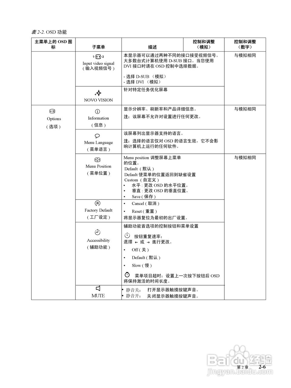
联想L222 Wide全高清液晶显示器使用说明书:[2]
2025-12-18 09:35:40
(共篇)
上一篇:
|
下一篇:
声明:
本网站引用、摘录或转载内容仅供网站访问者交流或参考,不代表本站立场,如存在版权或非法内容,请联系站长删除,联系邮箱:site.kefu@qq.com。
相关推荐
win10控制面板在哪里
阅读量:162
win10计算机图标如何放在桌面上
阅读量:132
Win10的运行怎么打开?
阅读量:123
windows10的控制面板在哪里找
阅读量:108
win7家庭普通版怎么设置桌面图标
阅读量:85
猜你喜欢
汽车水箱加什么水
梦想是什么
光伏是什么
陈世美是什么样的人
什么是五险一金
zip和rar有什么区别
180 100a是什么尺码
gcp是什么意思
1982年属什么
什么的天空
猜你喜欢
亡羊补牢的亡是什么意思
预备党员的预备期从什么之日算起
我国第一部诗歌总集是什么
3月9日是什么星座
9月9日是什么节日
随喜是什么意思
留什么给你歌词
粉丝是什么意思
何以笙箫默什么意思
魇是什么意思