小度生活
首页
美食营养
手工爱好
生活家居
返回
小度生活
首页
美食营养
游戏数码
手工爱好
生活家居
健康养生
运动户外
职场理财
情感交际
母婴教育
时尚美容
知识问答
生活知识
生活百科
搜索
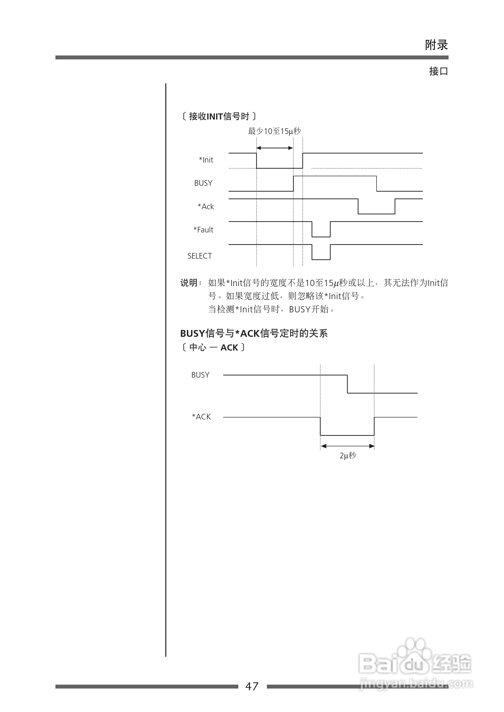
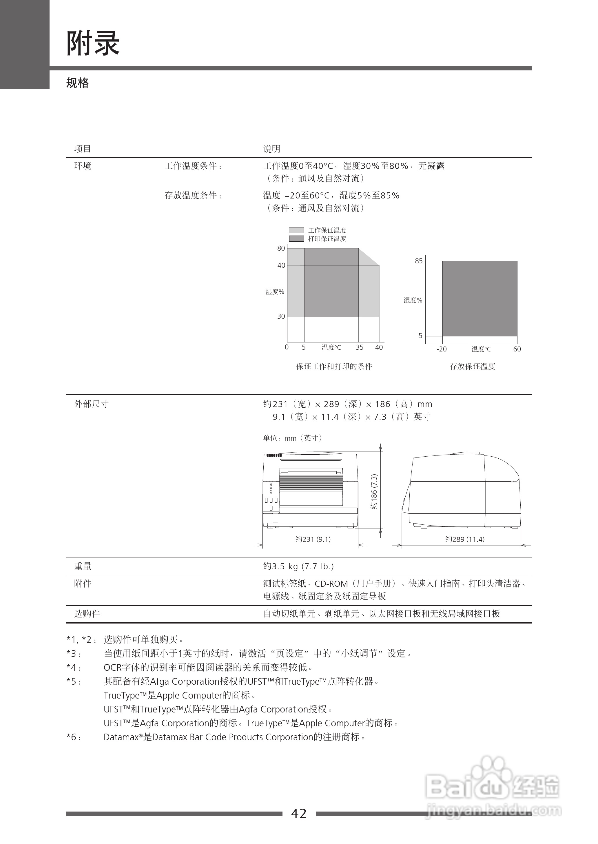
CITIZEN CLP-521C条码打印机用户手册:[5]
2026-04-04 06:31:25
本篇为《CITIZEN CLP-521C条码打印机用户手册》,主要介绍该产品的使用方法以及常见故障解决方案。
(共篇)
上一篇:
|
下一篇:
声明:
本网站引用、摘录或转载内容仅供网站访问者交流或参考,不代表本站立场,如存在版权或非法内容,请联系站长删除,联系邮箱:site.kefu@qq.com。
相关推荐
CITIZEN CLP-621C打印机用户手册:[5]
阅读量:174
CITIZEN CLP-621C打印机用户手册:[6]
阅读量:57
条码打印机怎么调字体
阅读量:63
条码打印机怎么保养
阅读量:163
条码打印机厂家怎样免费入驻珠海佳博蜂巢终端
阅读量:68
猜你喜欢
菜花怎么炒好吃
手机怎么恢复出厂设置
骀怎么读
白萝卜怎么吃
晒伤了怎么办
水土不服拉肚子怎么办
番茄酱怎么做
肩周炎怎么治
怎么清理电脑内存
骨五笔怎么打
猜你喜欢
怎么练习唱歌
墨鱼干怎么泡发
winter怎么读
ps标尺怎么调出来
指纹打卡机怎么作弊
尿多怎么回事
恋爱保险怎么买
开洗衣店利润怎么样
日语对不起怎么说
brown怎么读