小度生活
首页
美食营养
手工爱好
生活家居
返回
小度生活
首页
美食营养
游戏数码
手工爱好
生活家居
健康养生
运动户外
职场理财
情感交际
母婴教育
时尚美容
知识问答
生活知识
生活百科
搜索
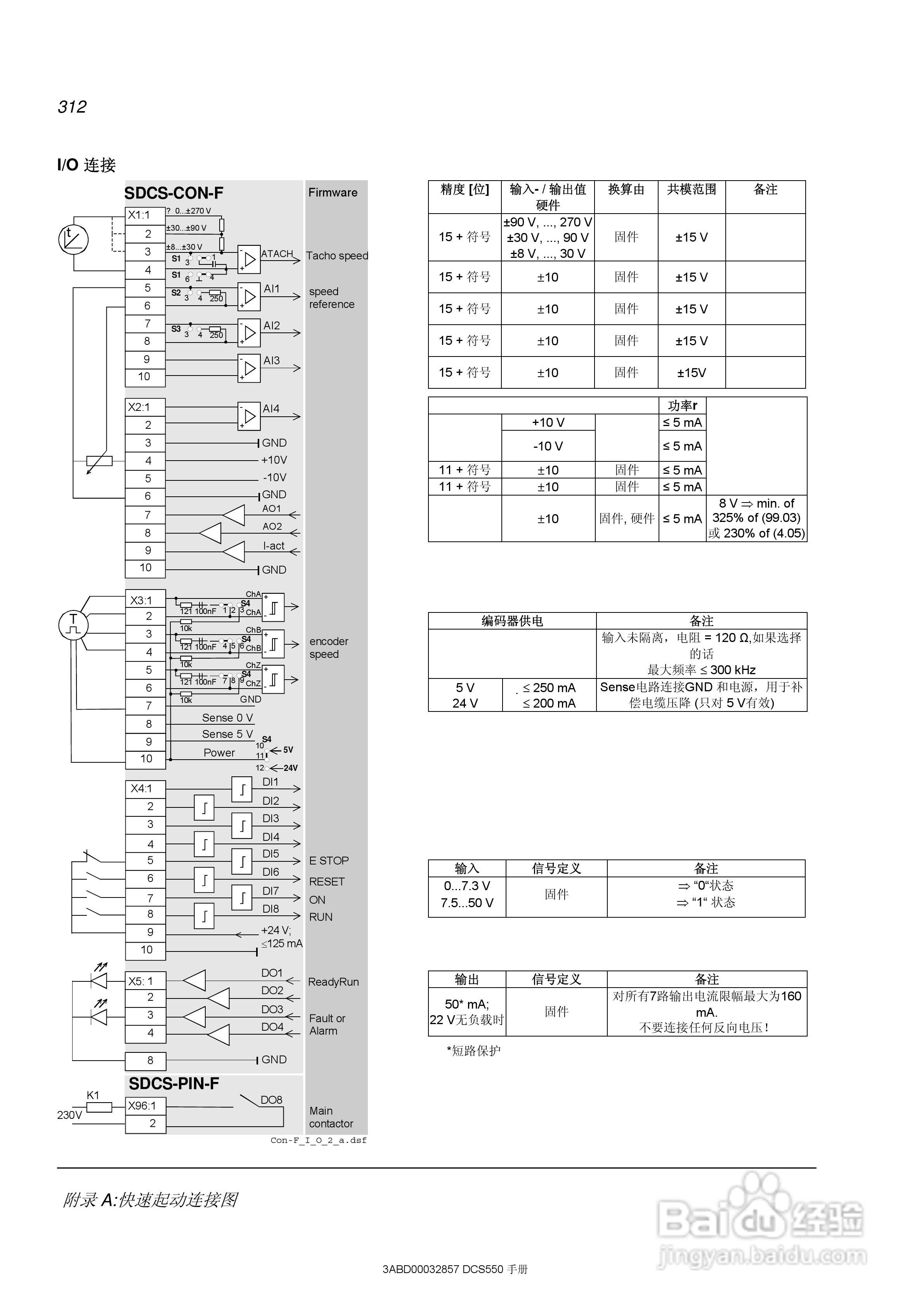
ABB直流调速器DCS550使用手册:[32]
2026-03-25 14:53:50
本篇为《ABB直流调速器DCS550使用手册》,主要介绍该产品的使用方法以及常见故障解决方案。
(共篇)
上一篇:
|
下一篇:
声明:
本网站引用、摘录或转载内容仅供网站访问者交流或参考,不代表本站立场,如存在版权或非法内容,请联系站长删除,联系邮箱:site.kefu@qq.com。
相关推荐
彩钢扣板的组装步骤
阅读量:62
立式板锤制砂机活动锤头好还是固定好?
阅读量:144
巧妙塑造性感小腹的6种方法
阅读量:175
华为手机如何打开智能遥控的使用在线遥控数据
阅读量:144
消防泵一用一备星三角控制器GYXF3100-2XP
阅读量:145
猜你喜欢
澳大利亚的首都是哪里
南宁江南公园在哪里
黄帝陵在哪里
北京昌平旅游景点
泡泡水的制作方法
烧伤起泡怎么处理
海蟹怎么吃
白带检查结果怎么看
电脑加密码怎么设置
红米note怎么刷机
猜你喜欢
如何瘦胸
仓鼠中暑怎么办
宫颈糜烂中度怎么治
鼻子怎么变高
刚刚哪里地震了
如何申请苹果id账号
韩国的英文怎么写
湖北旅游地图
qq说说怎么全部删除
如何去双下巴