小度生活
首页
美食营养
手工爱好
生活家居
返回
小度生活
首页
美食营养
游戏数码
手工爱好
生活家居
健康养生
运动户外
职场理财
情感交际
母婴教育
时尚美容
知识问答
搜索
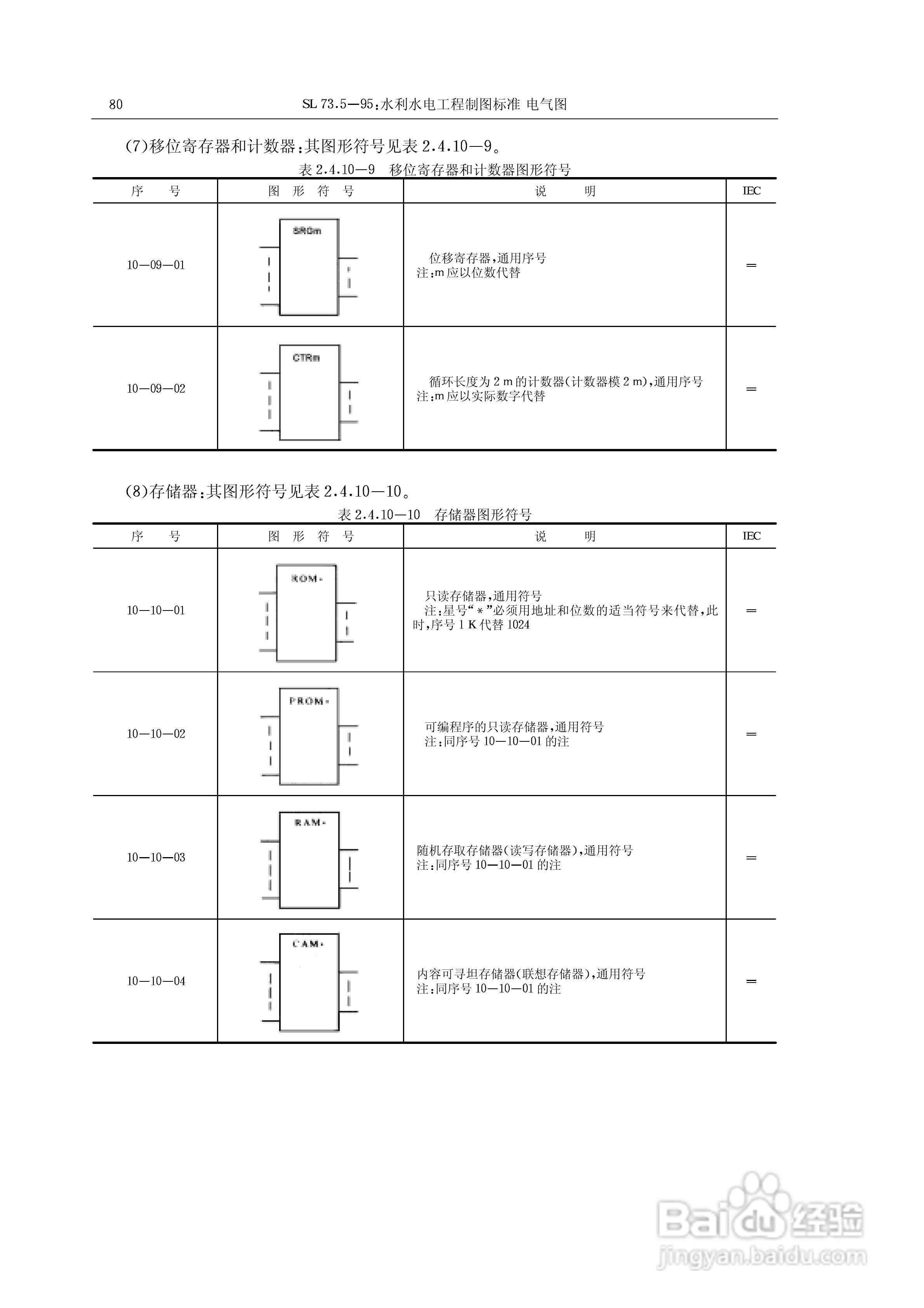
电气符号大全:[7]
2025-11-22 22:59:59
本篇为《电气符号大全》,主要介绍该产品的使用方法以及常见故障解决方案。
(共篇)
上一篇:
|
下一篇:
声明:
本网站引用、摘录或转载内容仅供网站访问者交流或参考,不代表本站立场,如存在版权或非法内容,请联系站长删除,联系邮箱:site.kefu@qq.com。
相关推荐
电气符号大全:[8]
阅读量:93
电气符号大全:[6]
阅读量:33
特殊符号大全
阅读量:187
符号箭头怎么打
阅读量:88
符号大全 花样符号的打法
阅读量:128
猜你喜欢
淘宝什么产品最好卖
股市pe是什么意思
vcr是什么意思
羊驼是什么意思
扒胎机什么牌子好
无可救药的意思
银行过年什么时候上班
大智若愚意思
祝福老师的句子
定型喷雾什么牌子好
猜你喜欢
alice是什么意思
收敛是什么意思
梦见情人是什么意思
国家安全教育日是每年的什么时候
什么叫不动产权证书
省略号的意思
meter是什么意思
现在种什么树最赚钱
风靡一时的意思
柿子不能与什么同吃