小度生活
首页
美食营养
手工爱好
生活家居
返回
小度生活
首页
美食营养
游戏数码
手工爱好
生活家居
健康养生
运动户外
职场理财
情感交际
母婴教育
时尚美容
知识问答
生活知识
搜索
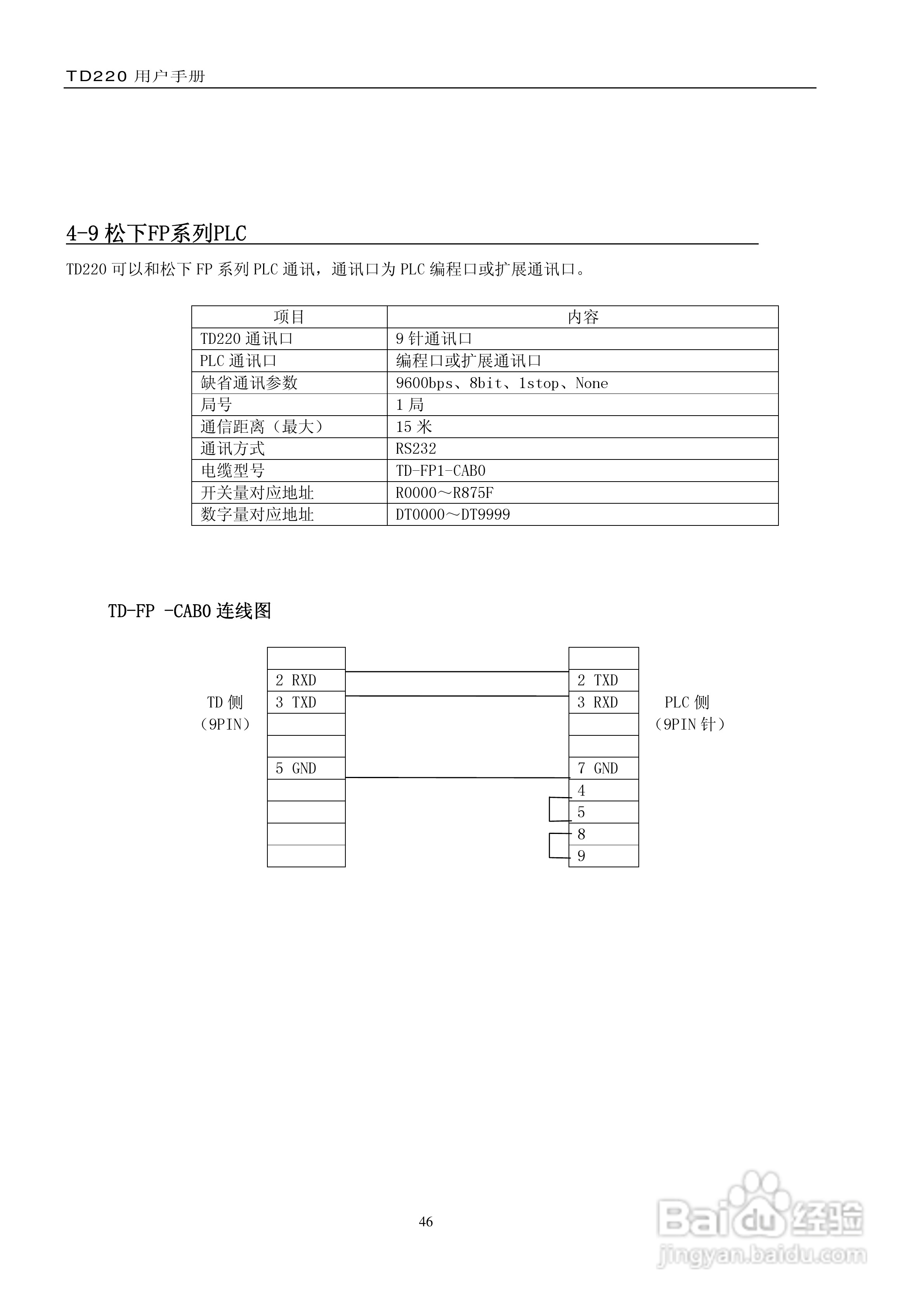
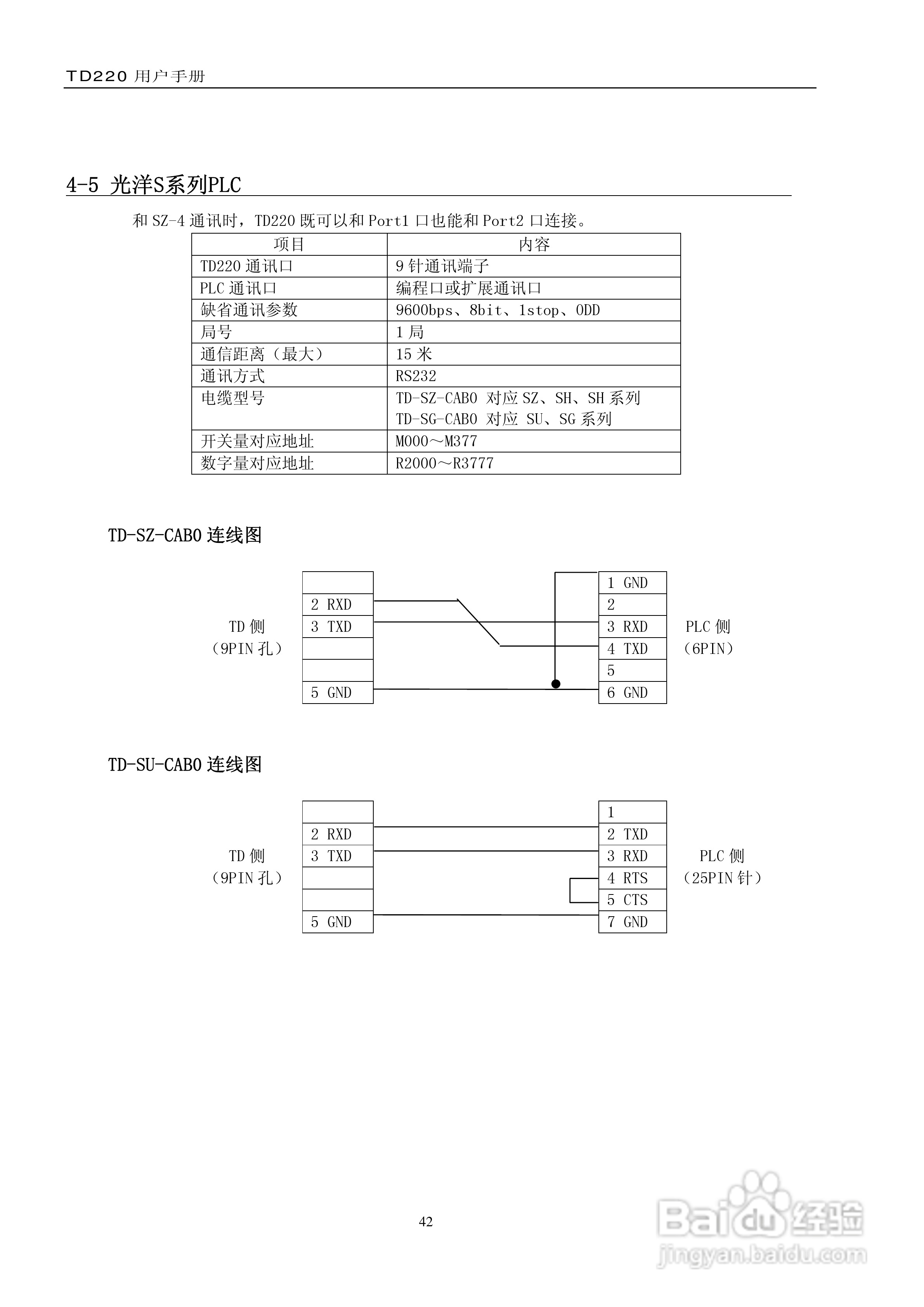
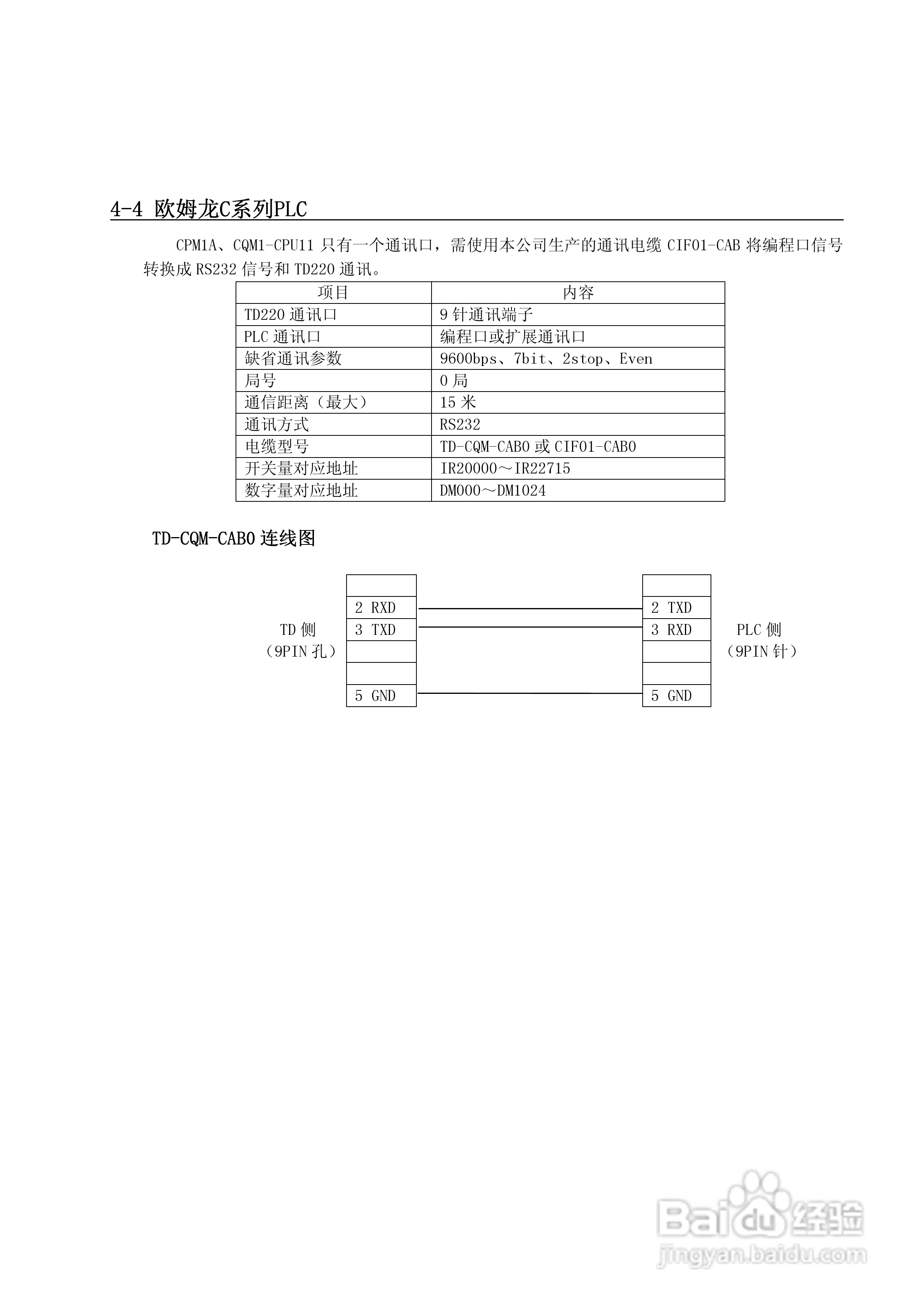
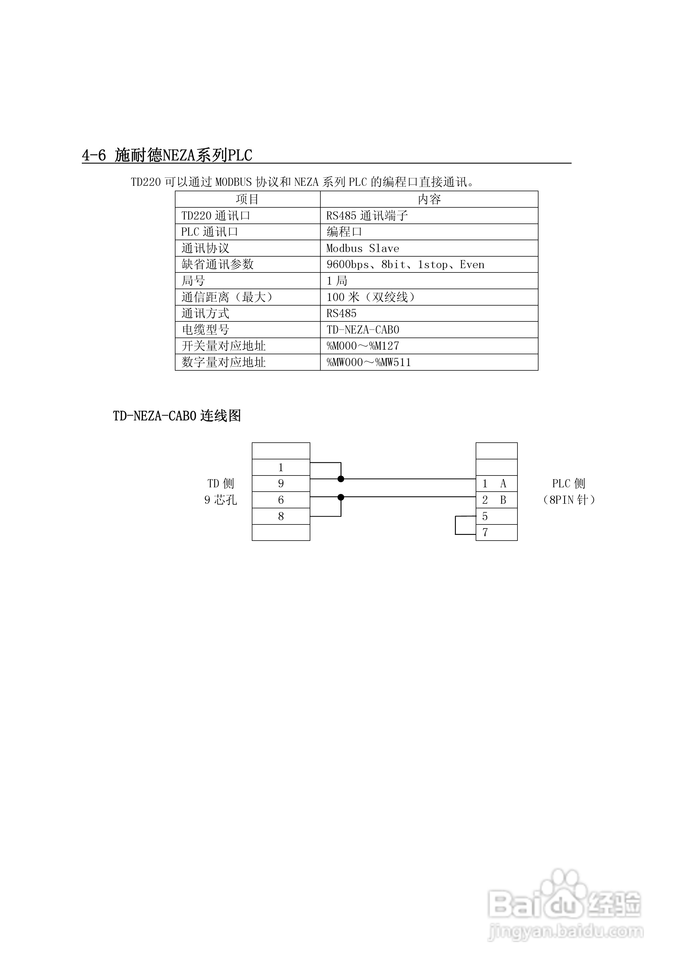
TD220文本显示器用户手册:[5]
2026-02-19 08:52:04
(共篇)
上一篇:
声明:
本网站引用、摘录或转载内容仅供网站访问者交流或参考,不代表本站立场,如存在版权或非法内容,请联系站长删除,联系邮箱:site.kefu@qq.com。
相关推荐
TD220文本显示器用户手册:[1]
阅读量:57
PHILIPS LCD Monitor 220PI/220BI显示器用户手册:[7]
阅读量:77
PHILIPS LCD Monitor 220PI/220BI显示器用户手册:[9]
阅读量:57
PHILIPS LCD Monitor 220PI/220BI显示器用户手册:[6]
阅读量:152
PHILIPS LCD Monitor 220PI/220BI显示器用户手册:[10]
阅读量:60
猜你喜欢
李湘为什么离婚
鸡蛋撞地球的做法
骨质增生怎么治疗呀
奶酪怎么吃
绩点怎么算
怎么又是天谴圈
dnf卡片怎么升级
春卷门事件是怎么回事
莴笋怎么做好吃
迪拜为什么这么有钱
猜你喜欢
芒果怎么切
惟怎么读
红烧茄子怎么做
舒客牙膏怎么样
鼻炎怎么办
苹果超过200无法下载怎么解决
宋江为什么要招安
鱼丸的做法视频
钢铁是怎么炼成的
炒藕片家常做法