小度生活
首页
美食营养
手工爱好
生活家居
返回
小度生活
首页
美食营养
游戏数码
手工爱好
生活家居
健康养生
运动户外
职场理财
情感交际
母婴教育
时尚美容
知识问答
生活知识
生活百科
搜索
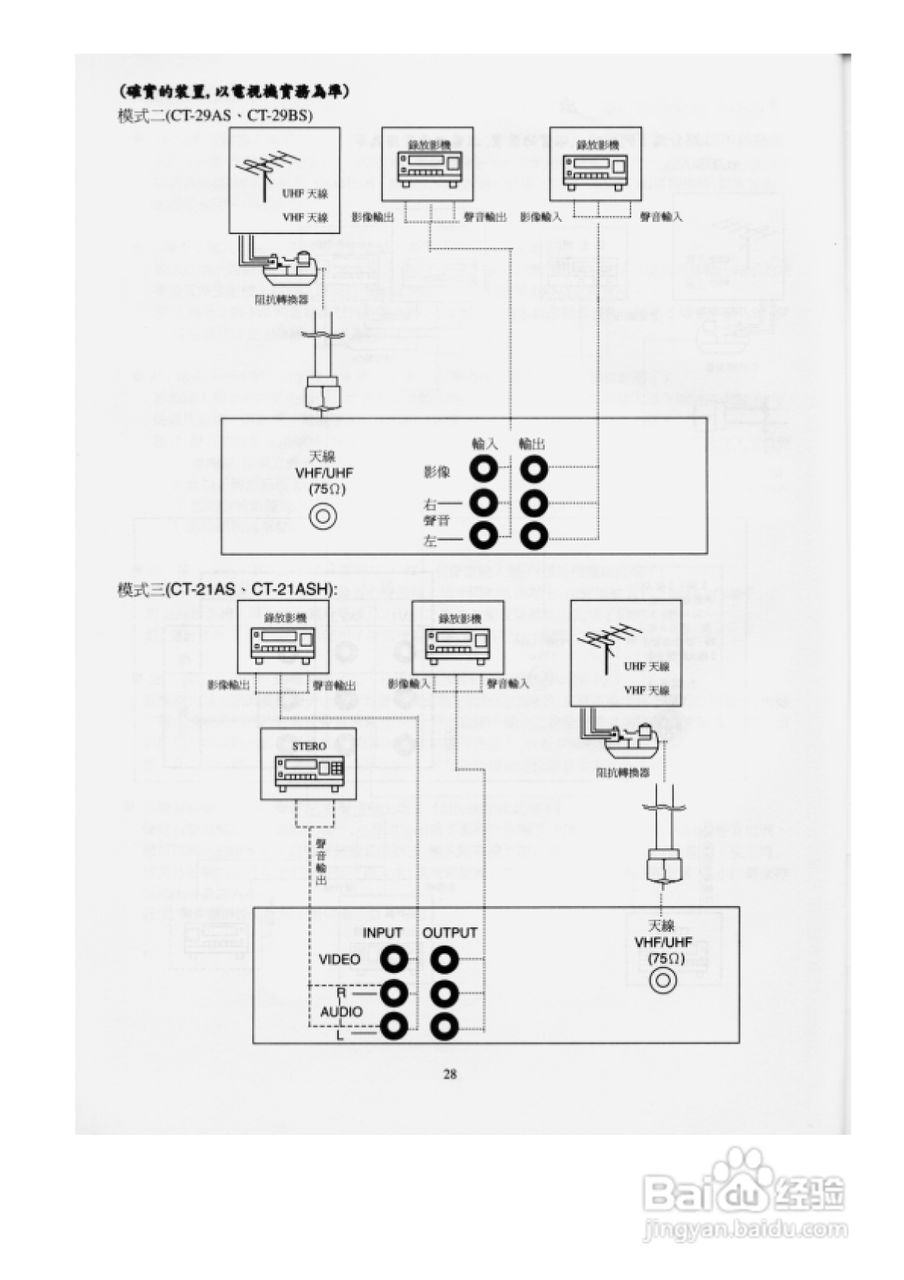
歌林CT-21ASH型电视机使用说明书:[3]
2026-04-23 14:52:32
/>
(共篇)
上一篇:
|
下一篇:
声明:
本网站引用、摘录或转载内容仅供网站访问者交流或参考,不代表本站立场,如存在版权或非法内容,请联系站长删除,联系邮箱:site.kefu@qq.com。
相关推荐
歌林CT-21ASH型电视机使用说明书:[2]
阅读量:125
歌林CT-21AS型电视机使用说明书:[2]
阅读量:43
歌林CT-21AS型电视机使用说明书:[4]
阅读量:127
歌林CT-2581K型电视机使用说明书:[3]
阅读量:193
歌林CT-21K型电视机使用说明书:[4]
阅读量:174
猜你喜欢
扫雷游戏怎么玩
验血报告单怎么看
青春痘怎么办
招聘要求怎么写
南京林业大学怎么样
助学金申请书怎么写
苹果怎么查询激活时间
大便干燥出血怎么办
苹果手机铃声怎么下载
性玩具怎么玩才过瘾
猜你喜欢
卤三国怎么样
分数怎么打出来
房产证怎么办理
炒牛肉怎么做好吃
怎么屏蔽垃圾短信
咬肌大怎么办
血液粘稠怎么调理
孩子不听话家长怎么办
夫妻吵架冷战怎么办
丝蓓绮洗发水怎么样