小度生活
首页
美食营养
手工爱好
生活家居
返回
小度生活
首页
美食营养
游戏数码
手工爱好
生活家居
健康养生
运动户外
职场理财
情感交际
母婴教育
时尚美容
知识问答
生活知识
生活百科
搜索
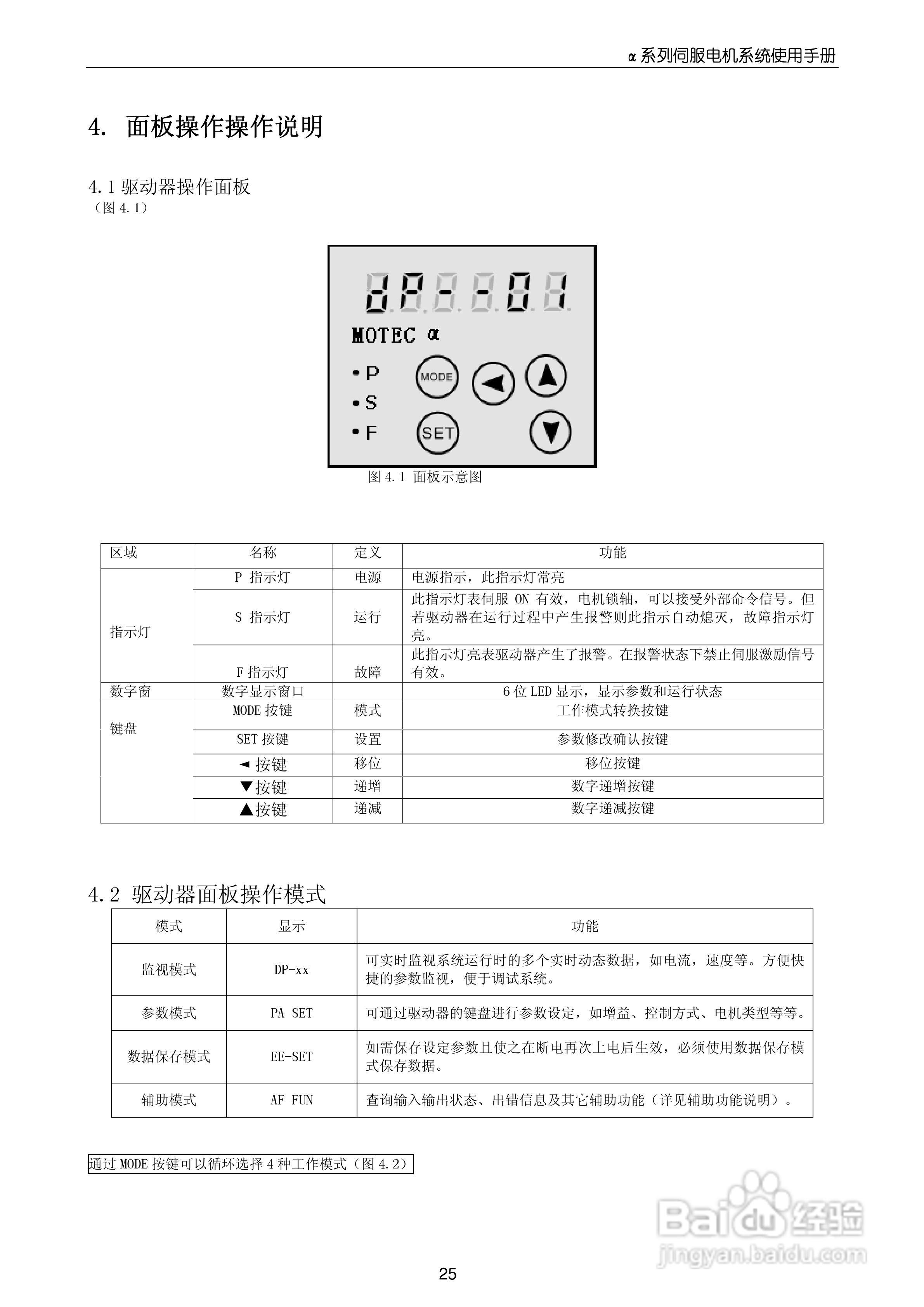
MOTEC_α系列伺服驱动系统使用手册V1.0:[3]
2026-04-30 04:13:52
本篇为《MOTEC_α系列伺服驱动系统使用手册V1.0》,主要介绍该产品的使用方法以及常见故障解决方案。
(共篇)
上一篇:
|
下一篇:
声明:
本网站引用、摘录或转载内容仅供网站访问者交流或参考,不代表本站立场,如存在版权或非法内容,请联系站长删除,联系邮箱:site.kefu@qq.com。
相关推荐
狮子折纸简单制作方法
阅读量:83
银耳炖豆腐又好吃又便宜
阅读量:77
儿童折纸——荷花
阅读量:82
六个月婴儿紧张力过高怎么办
阅读量:143
春节花样摆盘之二
阅读量:80
猜你喜欢
msa是什么意思
属虎和什么属相最配
九价是什么
知足常乐什么意思
9月1日是什么星座
小ck是什么牌子
ecmo医学上是什么意思
vba是什么
报备是什么意思
什么的宇宙
猜你喜欢
lol是什么意思
驻车制动是什么意思
立羽念什么
pppoe是什么意思
grow是什么意思
老铁是什么意思
seiko手表是什么牌子
三个火一个木念什么
海底捞是什么
十面埋伏讲的什么故事