小度生活
首页
美食营养
手工爱好
生活家居
返回
小度生活
首页
美食营养
游戏数码
手工爱好
生活家居
健康养生
运动户外
职场理财
情感交际
母婴教育
时尚美容
知识问答
生活知识
生活百科
搜索
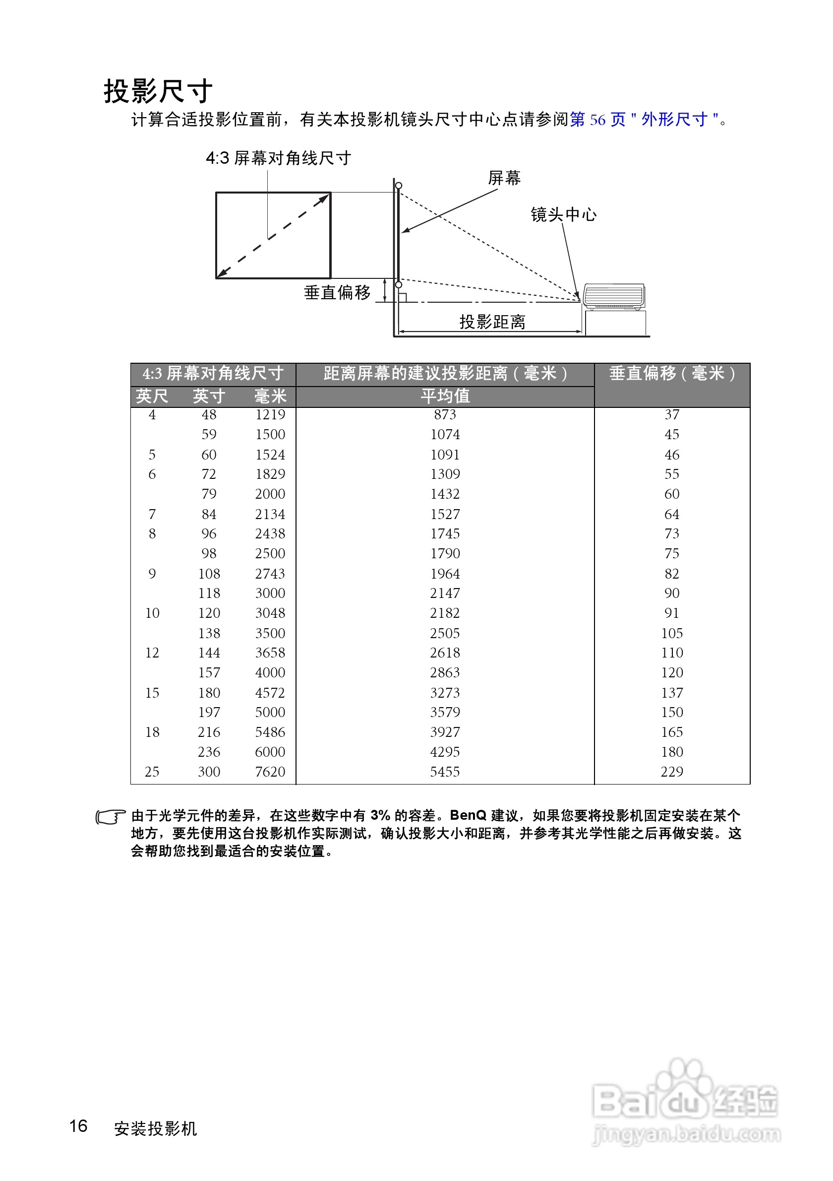
明基MP522ST投影仪使用说明书:[2]
2026-04-23 05:21:10
本篇为《明基MP522ST投影仪使用说明书》,主要介绍该产品的使用方法以及常见故障解决方案。
(共篇)
上一篇:
|
下一篇:
声明:
本网站引用、摘录或转载内容仅供网站访问者交流或参考,不代表本站立场,如存在版权或非法内容,请联系站长删除,联系邮箱:site.kefu@qq.com。
相关推荐
明基MP522投影仪使用说明书:[4]
阅读量:182
爱普生EMP-83H投影仪使用说明书:[4]
阅读量:193
明基MP513投影仪使用说明书:[2]
阅读量:132
爱普生EB-450Wi投影仪使用说明书:[5]
阅读量:86
佳能SX80投影仪使用说明书:[3]
阅读量:182
猜你喜欢
圈存是什么意思
嘎嘎是什么意思
闺蜜是什么意思
b站硬币有什么用
扒拉是什么意思
omg什么意思
7月16日是什么节日
sj是什么意思
furla是什么牌子
1960年中国发生了什么
猜你喜欢
肾结石有什么症状
海苔是什么做的
什么是法律
in什么意思
痔疮是什么样子
小鸟伏特加什么意思
wh是什么单位
女人的排卵期是什么时候
卫生棉条是什么
碳酸钙是什么