小度生活
首页
美食营养
手工爱好
生活家居
返回
小度生活
首页
美食营养
游戏数码
手工爱好
生活家居
健康养生
运动户外
职场理财
情感交际
母婴教育
时尚美容
知识问答
搜索
HART375C中文手操器说明书:[2]
2025-10-28 03:41:05
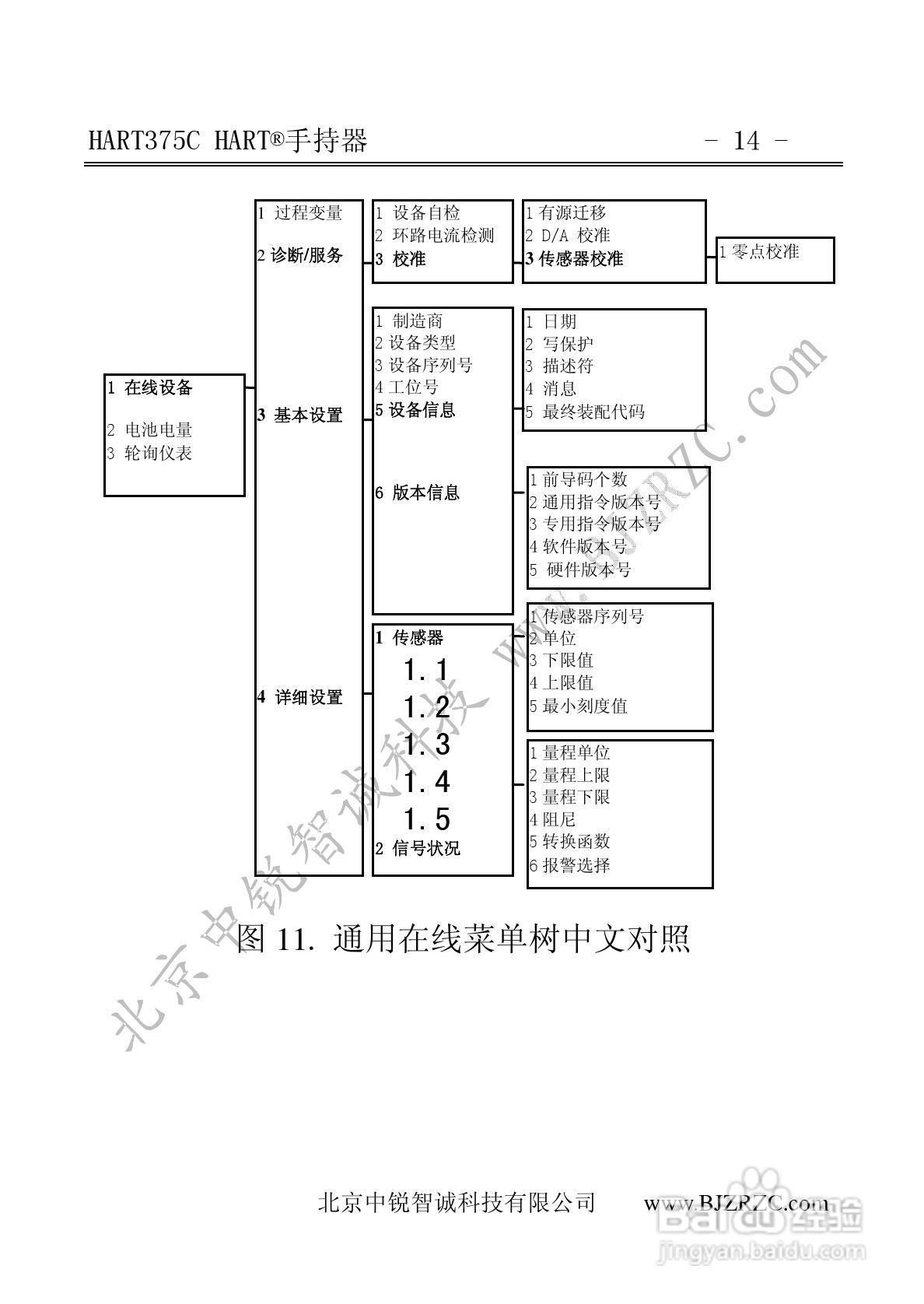
本篇为《HART375C中文手操器说明书》,主要介绍该产品的使用方法以及常见故障解决方案。
(共篇)
上一篇:
|
下一篇:
声明:
本网站引用、摘录或转载内容仅供网站访问者交流或参考,不代表本站立场,如存在版权或非法内容,请联系站长删除,联系邮箱:site.kefu@qq.com。
相关推荐
HART375C中文手操器说明书:[3]
阅读量:155
通中电力375手操器说明书
阅读量:182
AI708JV7.0型手操伺服放大器说明书:[2]
阅读量:146
ZKA8防水型智能数显手操器仪使用说明书:[2]
阅读量:120
AI708JV7.0型手操伺服放大器说明书:[1]
阅读量:26
猜你喜欢
敕勒歌古诗的意思
睚眦必报的意思
元旦节祝福语简短
义务的意思
女为悦己者容是什么意思
嬴渠梁是嬴政的什么
2016什么网游好玩
台湾有什么值得买的
攀附的意思
一衣带水是什么意思
猜你喜欢
僚机是什么意思
武林外传什么职业好
few是什么意思
大中华区什么意思
天香用什么心法
什么是非普通住宅
周末短信祝福客户
lz是什么意思
manage是什么意思
戈壁的意思