小度生活
首页
美食营养
手工爱好
生活家居
返回
小度生活
首页
美食营养
游戏数码
手工爱好
生活家居
健康养生
运动户外
职场理财
情感交际
母婴教育
时尚美容
知识问答
生活知识
搜索
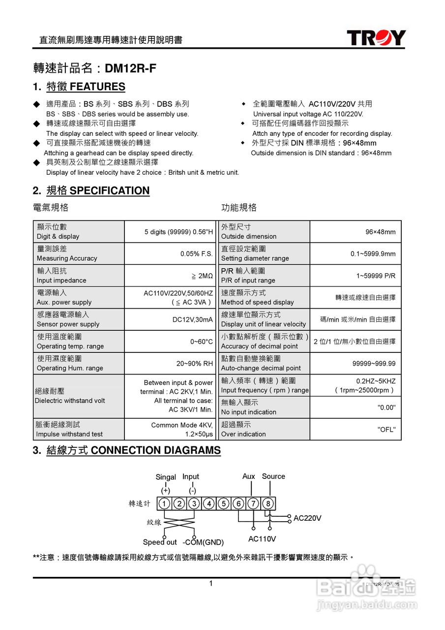
TROY直流无刷马达专用转速计DM12R-F使用说明书
2026-01-15 17:25:33
声明:
本网站引用、摘录或转载内容仅供网站访问者交流或参考,不代表本站立场,如存在版权或非法内容,请联系站长删除,联系邮箱:site.kefu@qq.com。
相关推荐
如何测转速?转速测量仪的使用
阅读量:171
如何检测电机转速?
阅读量:46
如何查看风扇转速
阅读量:69
C51单片机如何控制马达运转
阅读量:162
马达加斯加蟑螂怎么养
阅读量:95
猜你喜欢
简单学习网怎么样
喝酒后胃难受怎么办
手机怎么连接电视
车险怎么买划算
新生儿打嗝怎么办
集体户口怎么领结婚证
活动方案怎么写
切了辣椒的手火辣辣的疼该怎么办
孩子沉迷游戏怎么办
围巾怎么收针
猜你喜欢
有限的访问权限怎么解决
美度手表怎么样
怎么申请qq号
疱疹怎么治疗
螃蟹怎么清洗干净
成人高考怎么报名
惠而浦洗衣机怎么样
京东e卡怎么用
电热毯怎么清洗
数据有效性怎么设置