小度生活
首页
美食营养
手工爱好
生活家居
返回
小度生活
首页
美食营养
游戏数码
手工爱好
生活家居
健康养生
运动户外
职场理财
情感交际
母婴教育
时尚美容
知识问答
生活知识
搜索
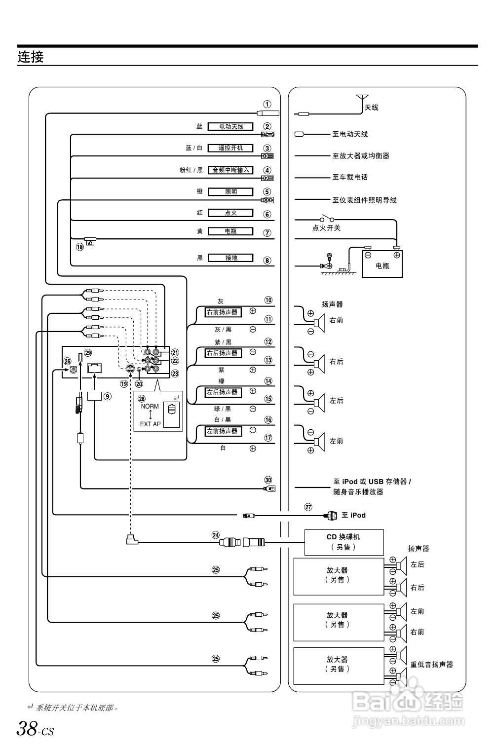
阿尔派 IDA-X100型接收机说明书:[2]
2026-03-10 04:16:19
(共篇)
上一篇:
|
下一篇:
声明:
本网站引用、摘录或转载内容仅供网站访问者交流或参考,不代表本站立场,如存在版权或非法内容,请联系站长删除,联系邮箱:site.kefu@qq.com。
相关推荐
阿尔派iDA-X001型接收机说明书:[2]
阅读量:75
阿尔派CDA-9886型接收机说明书:[2]
阅读量:144
阿尔派 CDA-9851型接收机说明书:[2]
阅读量:115
阿尔派 CDA-9857型接收机说明书:[2]
阅读量:34
阿尔派CDA-W925E型接收机说明书:[2]
阅读量:117
猜你喜欢
什么奶粉最接近母乳
turkey什么意思
雄蚕蛾的功效与作用
蒲地蓝口服液的功效与作用
菜籽油的功效与作用
小米运动相机
运动的重要性
什么是无期徒刑
薤白的功效与作用
红茶的功效与作用禁忌
猜你喜欢
醋泡姜的功效与作用
什么叫帽子戏法
料酒什么牌子好
什么是定向运动
消防安全知识教案
例假期间能吃什么水果
牛蒡子的功效与作用
肝泰乐的功效与作用
胡椒粉的功效与作用
苦丁茶的作用