小度生活
首页
美食营养
手工爱好
生活家居
返回
小度生活
首页
美食营养
游戏数码
手工爱好
生活家居
健康养生
运动户外
职场理财
情感交际
母婴教育
时尚美容
知识问答
生活知识
搜索
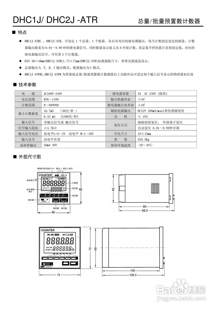
温州大华DHC1J-ATR系列计数器、计米器产品说明书
2025-10-09 17:38:35
声明:
本网站引用、摘录或转载内容仅供网站访问者交流或参考,不代表本站立场,如存在版权或非法内容,请联系站长删除,联系邮箱:site.kefu@qq.com。
相关推荐
变频器的参数如何设定
阅读量:123
怎么计算电器需要多大的空开
阅读量:33
台达触摸屏和三菱FX5U通信
阅读量:114
热继电器的电流怎么调整
阅读量:155
电接点压力表实物接线图
阅读量:70
猜你喜欢
实习证明怎么开
日本英语怎么写
调档函怎么开
苦菊怎么做好吃
南通大学怎么样
母亲节快乐的英语怎么写
lol怎么改名字
隶字怎么读
黑眼圈怎么去除
自动挡汽车怎么开
猜你喜欢
怎么查看ip地址
嘴唇发紫怎么调理
笔记本电脑怎么连wifi
wifi怎么设置
韭菜鸡蛋馅怎么调
家用吸尘器怎么选
怎么去除粉刺
微信号怎么改第二次
怎么去口臭
手机太卡怎么办