小度生活
首页
美食营养
手工爱好
生活家居
返回
小度生活
首页
美食营养
游戏数码
手工爱好
生活家居
健康养生
运动户外
职场理财
情感交际
母婴教育
时尚美容
知识问答
生活知识
搜索
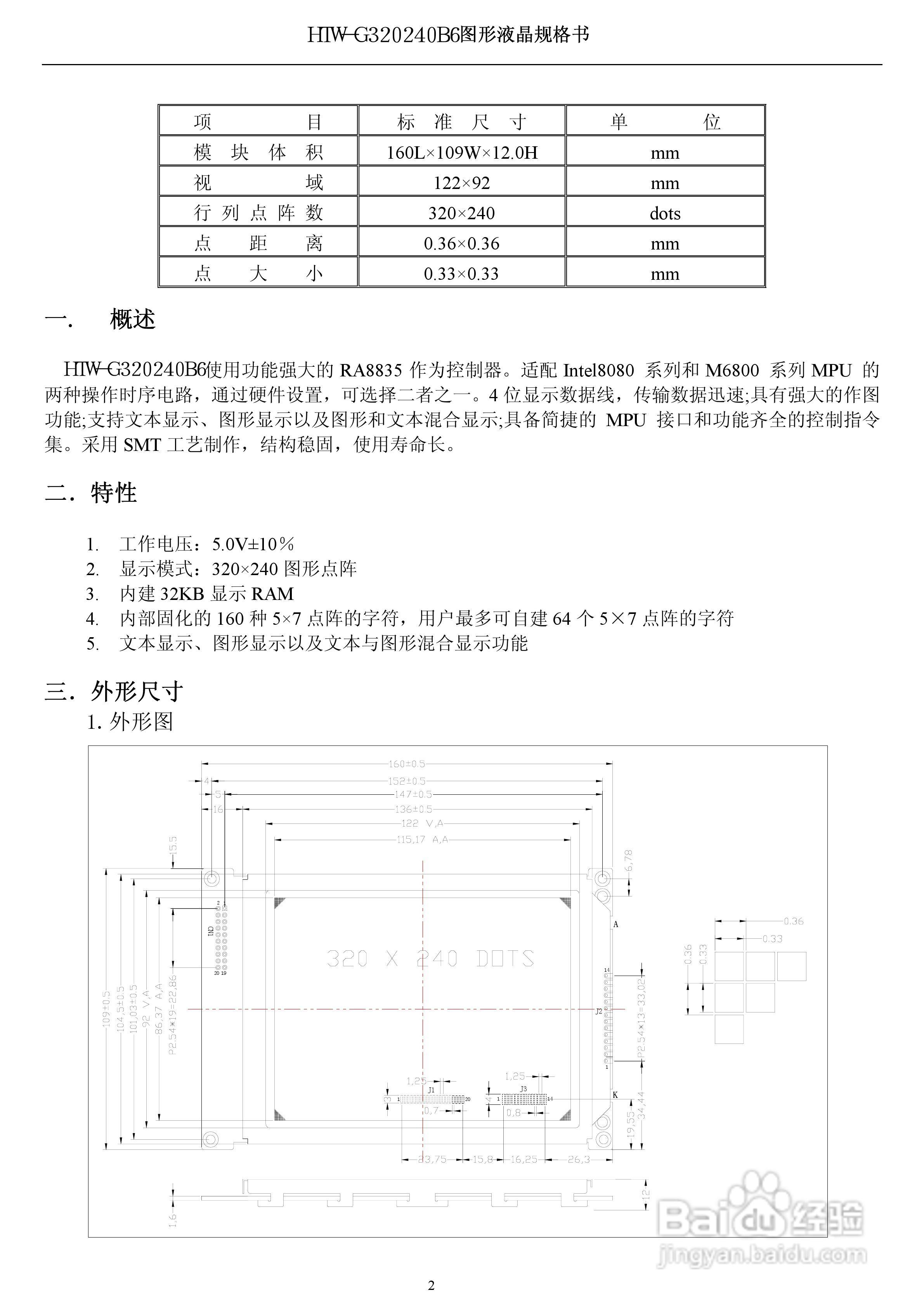
HTW-G320240B6液晶显示模块使用手册:[1]
2026-01-19 02:59:47
本篇为《HTW-G320240B6液晶显示模块使用手册》,主要介绍该产品的使用方法以及常见故障解决方案。
(共篇)
下一篇:
声明:
本网站引用、摘录或转载内容仅供网站访问者交流或参考,不代表本站立场,如存在版权或非法内容,请联系站长删除,联系邮箱:site.kefu@qq.com。
相关推荐
HTW-G320240B6液晶显示模块使用手册:[2]
阅读量:115
HTW-G320240B4系列液晶显示模块使用手册:[1]
阅读量:126
HTW-G320240M-47液晶显示模块使用手册:[2]
阅读量:107
CA24064B液晶显示模块使用手册:[1]
阅读量:70
彩晶科技中文字库液晶显示模块CMI60128-3SLYB使用手册:[6]
阅读量:105
猜你喜欢
电脑内存怎么看
脖子上长小肉粒怎么办
小米怎么截屏
wifi怎么改密码
做馒头怎么发面才松软
电脑密码忘了怎么办
欧普开关插座怎么样
我的世界钻石怎么挖
稠怎么读
偷偷做亲子鉴定怎么做
猜你喜欢
社保怎么查
tenda路由器怎么设置
牛肉怎么切
我的世界附魔书怎么做
怎么样才能减肥最快
怎么打蝴蝶结
游记怎么写
匚怎么读
小孩牙痛怎么快速止痛
华为安全模式怎么解除