小度生活
首页
美食营养
手工爱好
生活家居
返回
小度生活
首页
美食营养
游戏数码
手工爱好
生活家居
健康养生
运动户外
职场理财
情感交际
母婴教育
时尚美容
知识问答
生活知识
搜索
联想Lenovo N480笔记本电脑说明书:[2]
2025-10-26 16:37:24
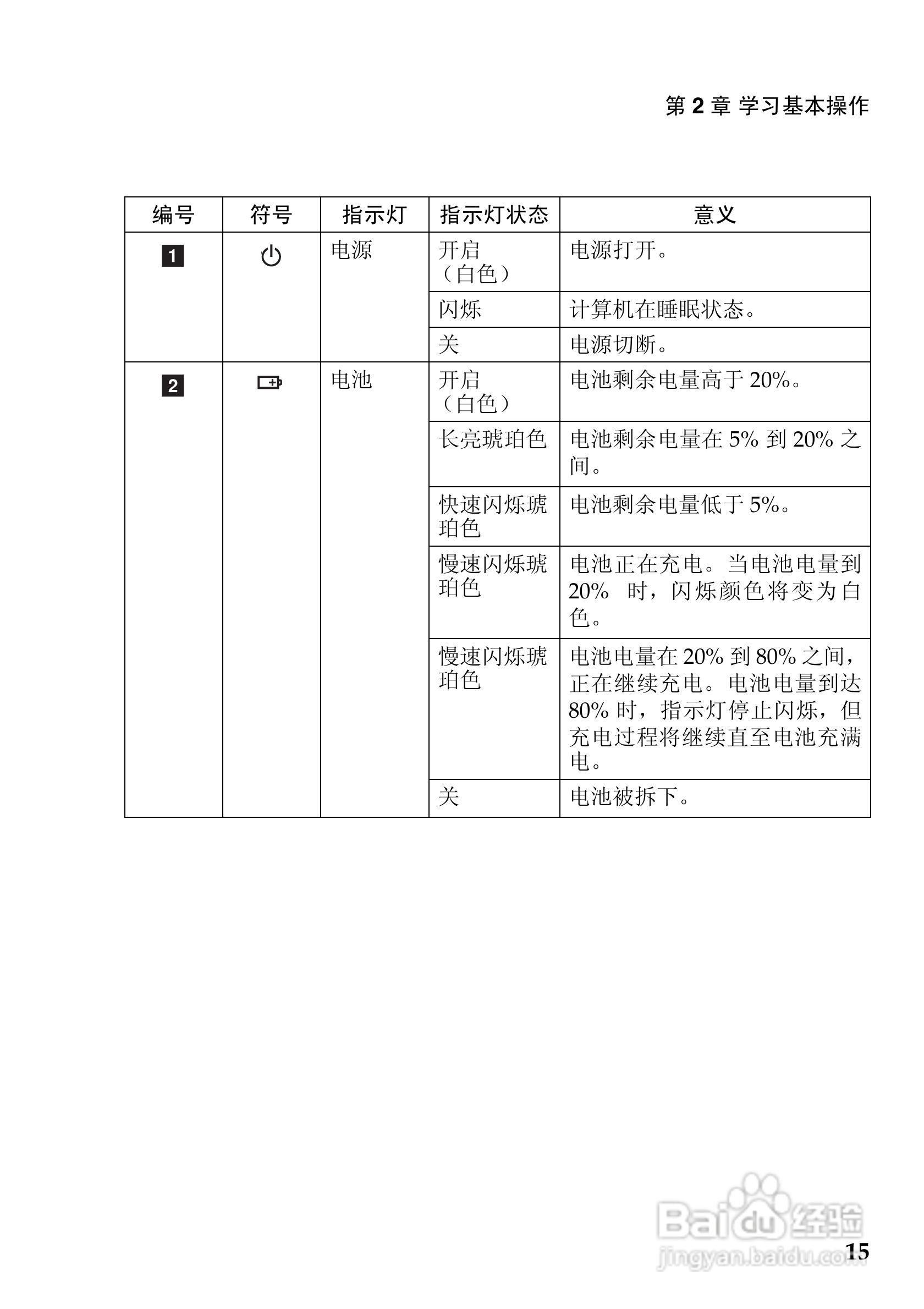
本篇为《联想Lenovo N480笔记本电脑说明书》,主要介绍该产品的使用方法以及常见故障解决方案。
(共篇)
上一篇:
|
下一篇:
声明:
本网站引用、摘录或转载内容仅供网站访问者交流或参考,不代表本站立场,如存在版权或非法内容,请联系站长删除,联系邮箱:site.kefu@qq.com。
相关推荐
联想Lenovo N480笔记本电脑说明书:[3]
阅读量:42
联想 Lenovo B490笔记本电脑说明书:[2]
阅读量:164
联想 Lenovo IdeaPad S300笔记本电脑说明书:[2]
阅读量:87
联想Lenovo IdeaPad S200笔记本电脑说明书:[2]
阅读量:44
Lenovo联想N480笔记本拆机教程
阅读量:94
猜你喜欢
购汇是什么意思
京东支付密码是什么
自然人是什么意思
beach是什么意思
phone什么意思
一筹莫展是什么意思
脚底出汗是什么原因
结核病是什么病
显卡超频有什么用
叮咛的近义词是什么
猜你喜欢
凤凰女是什么意思
坑距是什么意思
股票的量比是什么意思
铁蛋白高是什么原因
代词是什么
across是什么意思
c位是什么意思
空调除湿是什么标记
什么是市场经济
职务是什么