小度生活
首页
美食营养
手工爱好
生活家居
返回
小度生活
首页
美食营养
游戏数码
手工爱好
生活家居
健康养生
运动户外
职场理财
情感交际
母婴教育
时尚美容
知识问答
生活知识
搜索
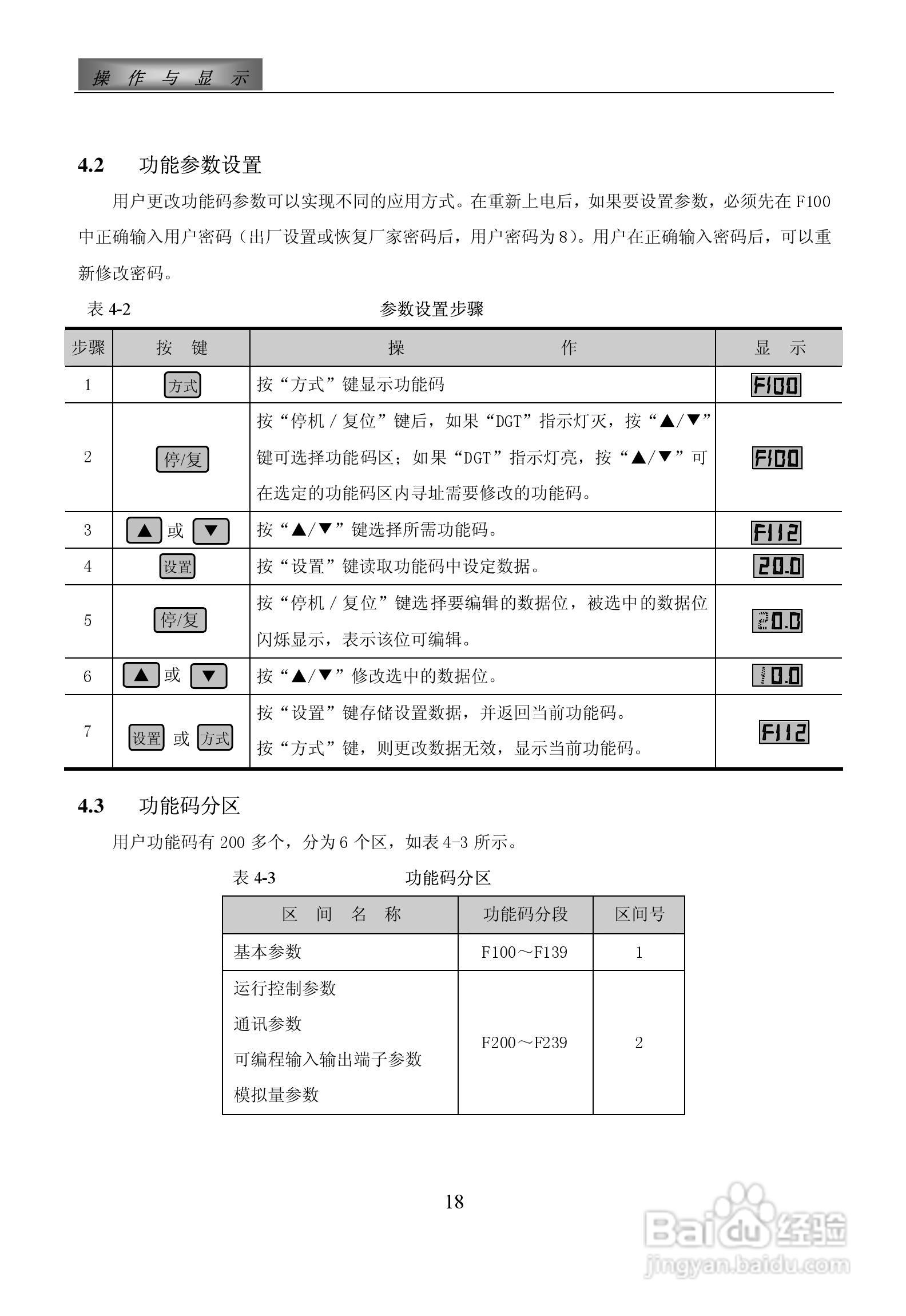
惠丰F1500-P4000T3D变频器使用说明书:[3]
2026-02-22 13:13:54
本篇为《惠丰F1500-P4000T3D变频器使用说明书》,主要介绍该产品的使用方法以及常见故障解决方案。
(共篇)
上一篇:
|
下一篇:
声明:
本网站引用、摘录或转载内容仅供网站访问者交流或参考,不代表本站立场,如存在版权或非法内容,请联系站长删除,联系邮箱:site.kefu@qq.com。
相关推荐
惠丰F1500-P4000T3D变频器使用说明书:[4]
阅读量:61
惠丰F1500-P4000T3D变频器使用说明书:[2]
阅读量:93
欧瑞(惠丰)F2000-G4000T3D变频器说明书:[11]
阅读量:115
欧瑞(惠丰)F2000-G4000T3D变频器说明书:[10]
阅读量:67
使用说明书wf2651使用指南
阅读量:173
猜你喜欢
while是什么意思
莲心的功效与作用
宿醉是什么意思
are是什么意思
玉的作用
亲切的什么
放生有什么好处
什么是网络地址
牛肉饺子放什么菜好吃
什么是急性阑尾炎
猜你喜欢
什么叫人事代理
野餐带什么吃的
航母的作用
察言观色的意思
病入膏肓的意思
法定代表人是什么意思
敷衍是什么意思
什么茶最减肥
supper是什么意思
are是什么意思