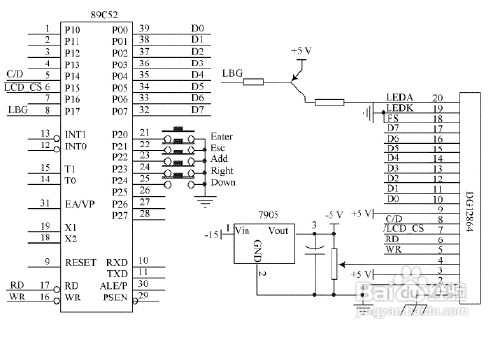
DSP和单片机通信的液晶显示电路
1、双CPU 结构的数字化电源设备, DSP 和51 单片机位于同一设备内, 距离较短, 可省去RS 232 和RS 485驱动芯片, 采用2 个CPU 的RXD 和TXD 直接交叉连接即可。
但需注意的是, 由于DSP 的工作电压为3. 3 V, 而MCS51 单片机的工作电压为5 V, 因此二者之间的通信电路需要进行电平转换

2、D6128× 4 图形点阵液晶显示器, 它主要由行驱动器/ 列驱动器及128×64 全点阵液晶显示器组成, 既可以完成图形显示,也可以显示8×4 个( 16×16 点阵) 汉字。

3、单片机与液晶之间通过8 位数据线进行并口通信,将DSP 传来的实时数据传输到液晶
显示器进行实时显示。对液晶驱动器的控制具体是通过各个内部寄存器和标志位的操作实现的, 单片机写入不同的控制字就能让液晶执行各种不同的功能。DG12864 是点阵型液晶,它主要通过对点阵中各点的亮灭来显示不同的内容, 通过取模软件可以方便地获得汉字和英文符号等的字模, 将程序中所要用到的字模存储在特定的文件中,在程序中根据所要显示的内容调用相应的字模, 最终通过并口传输到液晶驱动器的显示RAM 区中实现显示。
4、TMS320F2812 和MCS51 单片机的串行异步通信接口, 并通过单片机实现驱动液晶的实时显示和键盘设置功能。经过实验, 证明本方案能够高效准确地实现了上述功能, 而且其硬件简单、操作方便。目前这种方案已经可靠地应用于智能充电器的人机界面模块中。
声明:本网站引用、摘录或转载内容仅供网站访问者交流或参考,不代表本站立场,如存在版权或非法内容,请联系站长删除,联系邮箱:site.kefu@qq.com。