小度生活
首页
美食营养
手工爱好
生活家居
返回
小度生活
首页
美食营养
游戏数码
手工爱好
生活家居
健康养生
运动户外
职场理财
情感交际
母婴教育
时尚美容
知识问答
生活知识
生活百科
搜索
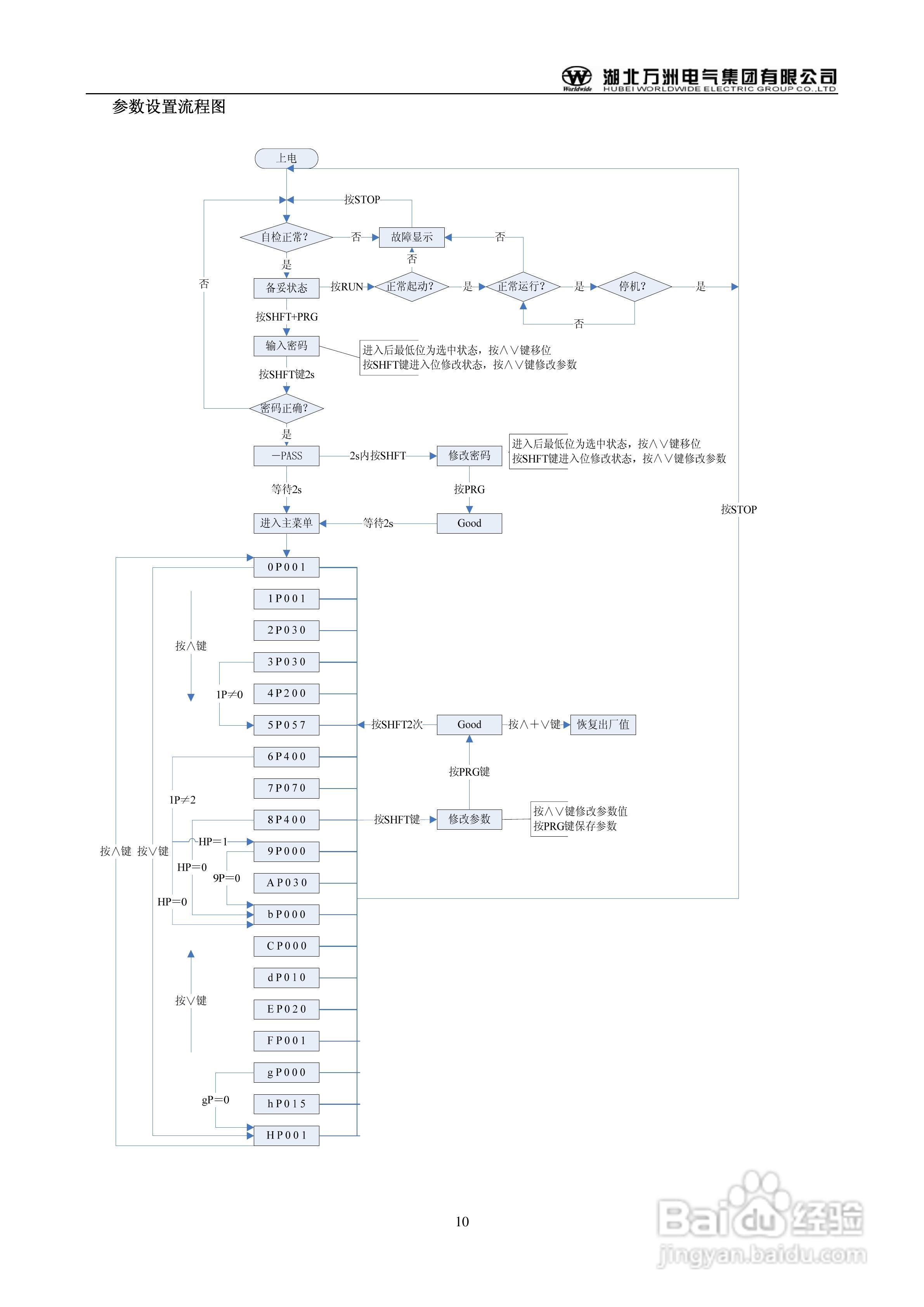
万洲WGQH-10/4000软起动器使用说明书:[2]
2026-04-01 17:05:23
本篇为《万洲WGQH-10/4000软起动器使用说明书》,主要介绍该产品的使用方法以及常见故障解决方案。
(共篇)
上一篇:
|
下一篇:
声明:
本网站引用、摘录或转载内容仅供网站访问者交流或参考,不代表本站立场,如存在版权或非法内容,请联系站长删除,联系邮箱:site.kefu@qq.com。
相关推荐
postman如何备份环境变量
阅读量:51
nginx设置文件权限777后 还是不可写的解决方案
阅读量:165
java如何在stfp服务器端进行文件夹压缩
阅读量:67
XMJ-M系列模拟量输入流量积算仪表使用说明书:[2]
阅读量:97
如何获取有序数组中第一个大于等于目标值的索引
阅读量:134
猜你喜欢
什么是两栖动物
ppt什么意思
2g独显是什么意思
分数单位是什么
法令纹深代表什么
week是什么意思
上海户口有什么好处
later是什么意思
诧异是什么意思
调制解调器是什么
猜你喜欢
spdif是什么意思
ms什么意思
led是什么
question是什么意思
1991年是什么命
维修基金是什么
3月12日是什么星座
什么是期房
什么是投资
wow是什么意思