小度生活
首页
美食营养
手工爱好
生活家居
返回
小度生活
首页
美食营养
游戏数码
手工爱好
生活家居
健康养生
运动户外
职场理财
情感交际
母婴教育
时尚美容
知识问答
生活知识
生活百科
搜索
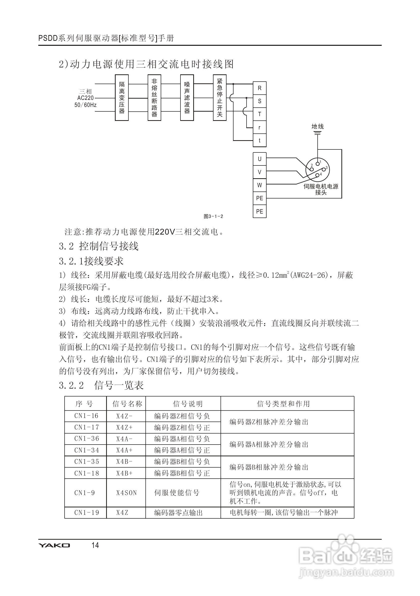
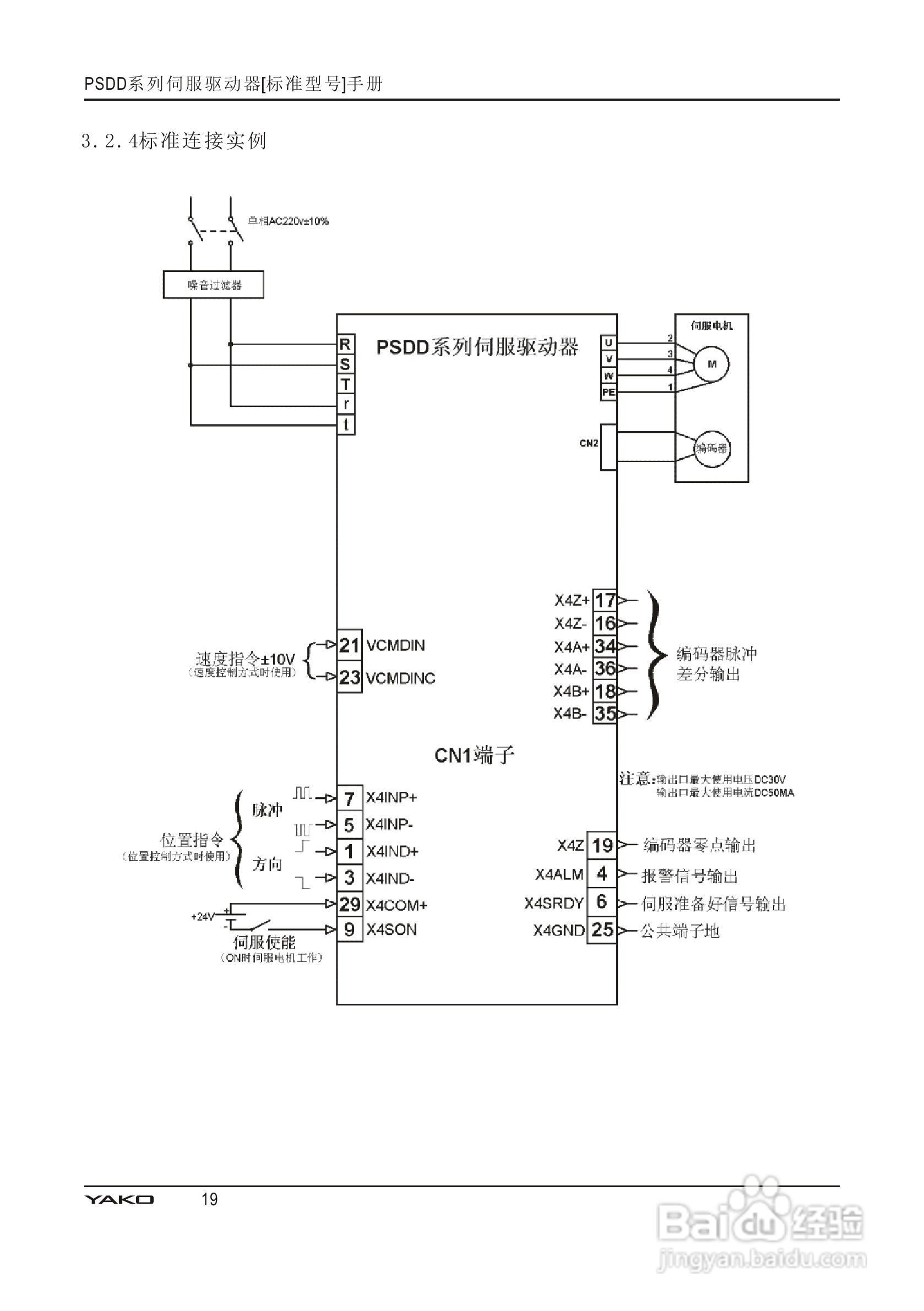
PSDD系列伺服驱动器使用手册:[2]
2026-04-15 13:44:49
本篇为《PSDD系列伺服驱动器使用手册》,主要介绍该产品的使用方法以及常见故障解决方案。
(共篇)
上一篇:
|
下一篇:
声明:
本网站引用、摘录或转载内容仅供网站访问者交流或参考,不代表本站立场,如存在版权或非法内容,请联系站长删除,联系邮箱:site.kefu@qq.com。
相关推荐
PSDD系列伺服驱动器使用手册:[3]
阅读量:46
如何设置huh播放器播完后锁定计算机?
阅读量:106
GY784X PCI-CAN接口卡使用说明书:[2]
阅读量:168
NEC Aterm WL54SC USB无线网卡使用说明书:[1]
阅读量:39
三洋VM-ES99P数码摄像机使用说明书:[2]
阅读量:191
猜你喜欢
罪魁祸首的意思
殷实什么意思
厨宝什么牌子好
日食只可能发生在农历的什么日
什么叫微信
暨是什么意思
稀疏的意思
什么是web服务器
芙蓉楼送辛渐的意思
双层玻璃杯什么牌子好
猜你喜欢
每天吃红枣有什么好处
宿主是什么意思
什么是996工作制
煲机什么意思
登山杖什么牌子好
什么是微单相机
ge是什么意思
什么是三元催化器
万古长青的意思
什么书书店买不到