小度生活
首页
美食营养
手工爱好
生活家居
返回
小度生活
首页
美食营养
游戏数码
手工爱好
生活家居
健康养生
运动户外
职场理财
情感交际
母婴教育
时尚美容
知识问答
生活知识
搜索
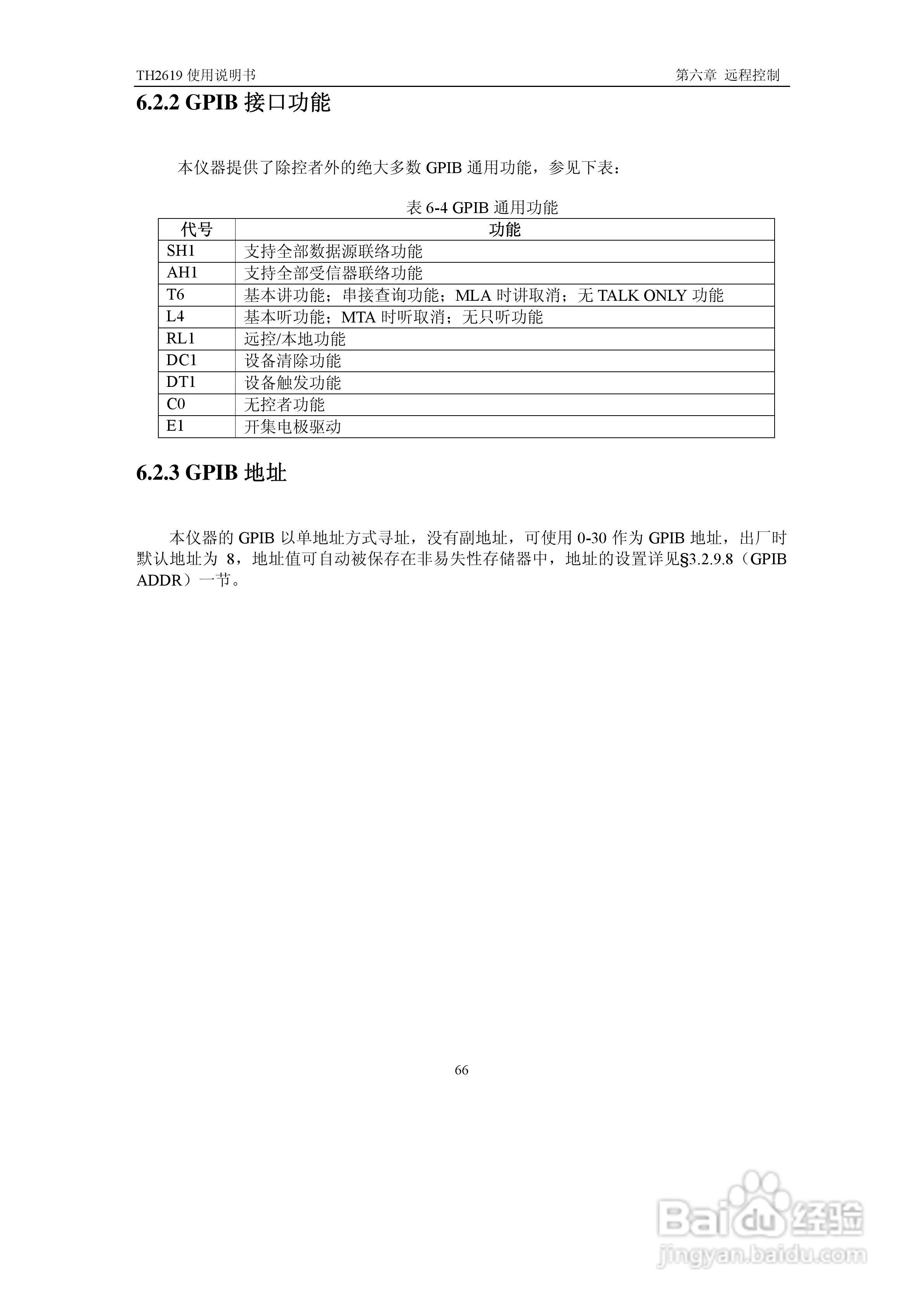
锦流源电子TH2619大电容测试仪说明书:[8]
2025-11-05 06:55:52
本篇为《锦流源电子TH2619大电容测试仪说明书》,主要介绍该产品的使用方法以及常见故障解决方案。
(共篇)
上一篇:
|
下一篇:
声明:
本网站引用、摘录或转载内容仅供网站访问者交流或参考,不代表本站立场,如存在版权或非法内容,请联系站长删除,联系邮箱:site.kefu@qq.com。
相关推荐
锦流源电子TH2619大电容测试仪说明书:[11]
阅读量:89
锦流源电子TH2776电感测试仪说明书:[6]
阅读量:34
锦流源电子TH2776电感测试仪说明书:[5]
阅读量:106
锦流源电子TH2776电感测试仪说明书:[2]
阅读量:60
锦流源电子TH2776电感测试仪说明书:[1]
阅读量:61
猜你喜欢
两面三刀什么意思
普利策奖是什么方面的大奖
茱萸是什么
白头发越来越多是什么原因
2月8号是什么星座
高达是什么
12月7日是什么星座
客厅沙发背景墙挂什么画好
15万左右买什么车好
考二级建造师需要什么条件
猜你喜欢
杭州有什么特产
跑马是什么意思
资质是什么意思
leo是什么意思
冰箱什么品牌最好
12月10日是什么星座
billy是什么意思
spcc是什么材料
les什么意思
memo是什么意思