小度生活
首页
美食营养
手工爱好
生活家居
返回
小度生活
首页
美食营养
游戏数码
手工爱好
生活家居
健康养生
运动户外
职场理财
情感交际
母婴教育
时尚美容
知识问答
生活知识
搜索
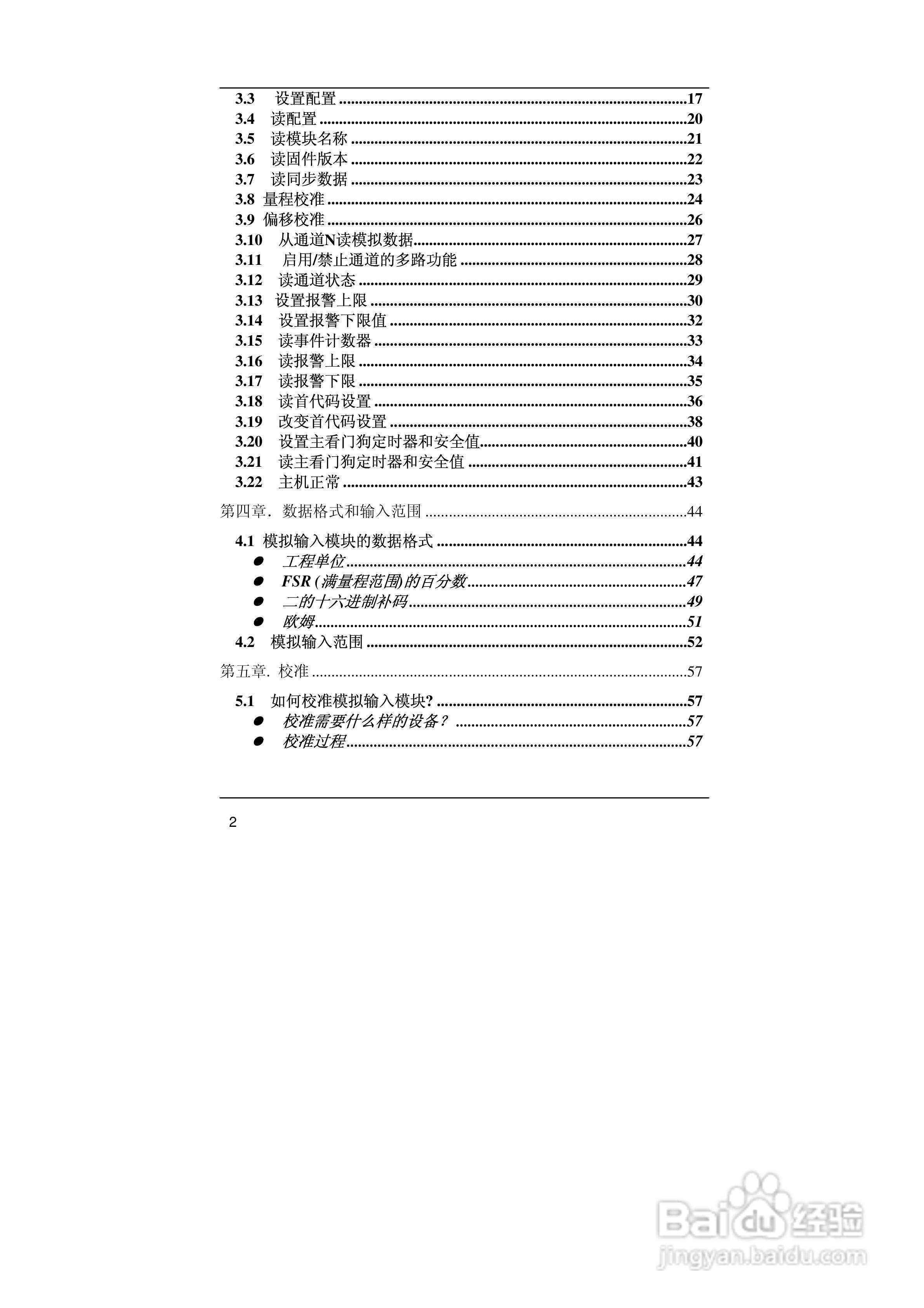
亚当ARK-24017F 8通道模拟量输入模块说明书:[1]
2025-10-27 17:30:45
本篇为《亚当ARK-24017F 8通道模拟量输入模块说明书》,主要介绍该产品的使用方法以及常见故障解决方案。
(共篇)
下一篇:
声明:
本网站引用、摘录或转载内容仅供网站访问者交流或参考,不代表本站立场,如存在版权或非法内容,请联系站长删除,联系邮箱:site.kefu@qq.com。
相关推荐
安装Cyber Ark server
阅读量:115
研祥ARK-8017DHI帯隔离16位差分8路模拟量输入模块说明:[4]
阅读量:162
研祥ARK-8017DHI帯隔离16位差分8路模拟量输入模块说明:[5]
阅读量:131
研祥ARK-8050DH 7路数字输入8路数字输出模块说明书:[1]
阅读量:177
研祥ARK-8050DH 7路数字输入8路数字输出模块说明书:[3]
阅读量:88
猜你喜欢
异想天开的异是什么意思
什么样的显卡好
尽态极妍的意思
生日祝福诗歌
bee是什么意思
感同身受是什么意思
法国有什么值得买的
母亲节贺卡祝福语大全
中秋祝福语
才思敏捷的意思
猜你喜欢
贪婪的意思是什么
什么可以去斑
祝福中国
克卜勒什么意思
什么是甲子年
茶具什么牌子好
得陇望蜀的意思
股票除权是什么意思
农场蜂王浆有什么用
dn20是什么意思